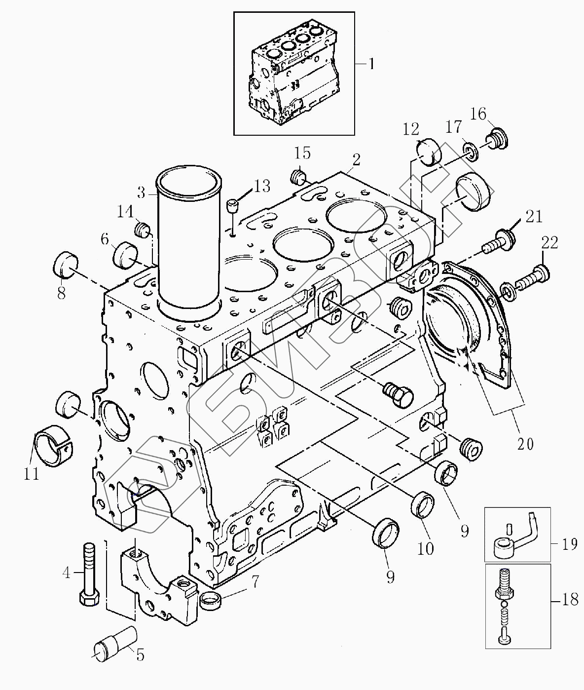
Графический каталог запасных частей к технике: LOVOL TD1SA904-029K. Блок

zoom-in zoom-out enlarge shrink circle-right circle-left file-text2 info cart spinner6
1
2
3
4
5
6
7
8
9
9
10
11
12
13
14
15
16
17
18
19
20
21
22
Позиция на иллюстрации Заводской номер детали Название детали Цена
1004C-P4TRT90K28 1004C-P4TRT90K28 Двигатель в сборе
Загрузка ...
1 TZZ50265 Блок-картер
Загрузка ...
2 T721010069 Блок-картер
Загрузка ...
3 T3135X062 Гильза
Загрузка ...
4 T32166329 Болт
Загрузка ...
5 T3271H004A Вал
Загрузка ...
6 T3774A004 Пробка полости штанги толкателя
Загрузка ...
7 T33142111 Втулка фиксирующая
Загрузка ...
8 T32418122 Пробка коническая
Загрузка ...
9 T0650710 Пробка коническая
Загрузка ...
10 T32418124 Пробка колокольная
Загрузка ...
11 T31134165 Втулка
Загрузка ...
12 T32416119 Блокировка
Загрузка ...
13 T32417134M Блокировка
Загрузка ...
14 T64404002M Блокировка
Загрузка ...
15 T0650588M Блокировка
Загрузка ...
16 T32168212 Блокировка
Загрузка ...
17 T714030009 Шайба
Загрузка ...
18 T4138A017 Клапан охлаждения форсунки
Загрузка ...
19 T3861A027 Сопло охлаждающего разбрызгивателя
Загрузка ...
20 T721050003 Сальник
Загрузка ...
21 T3211C002 Болт
Загрузка ...
22 T3211C002 Болт
Загрузка ...
Содержащиеся в справочниках-каталогах запасные части и детали не предлагаются к продаже, а носят исключительно информационный характер
Сайт использует файлы cookie, обрабатываемые вашим браузером. Подробнее об этом вы можете узнать в Политике cookie.
Принять Настроить Отклонить