Графический каталог запасных частей к технике: LOVOL TM5D2A1304-006K. Устройство гидравлической системы 1

zoom-in zoom-out enlarge shrink circle-right circle-left file-text2 info cart spinner6
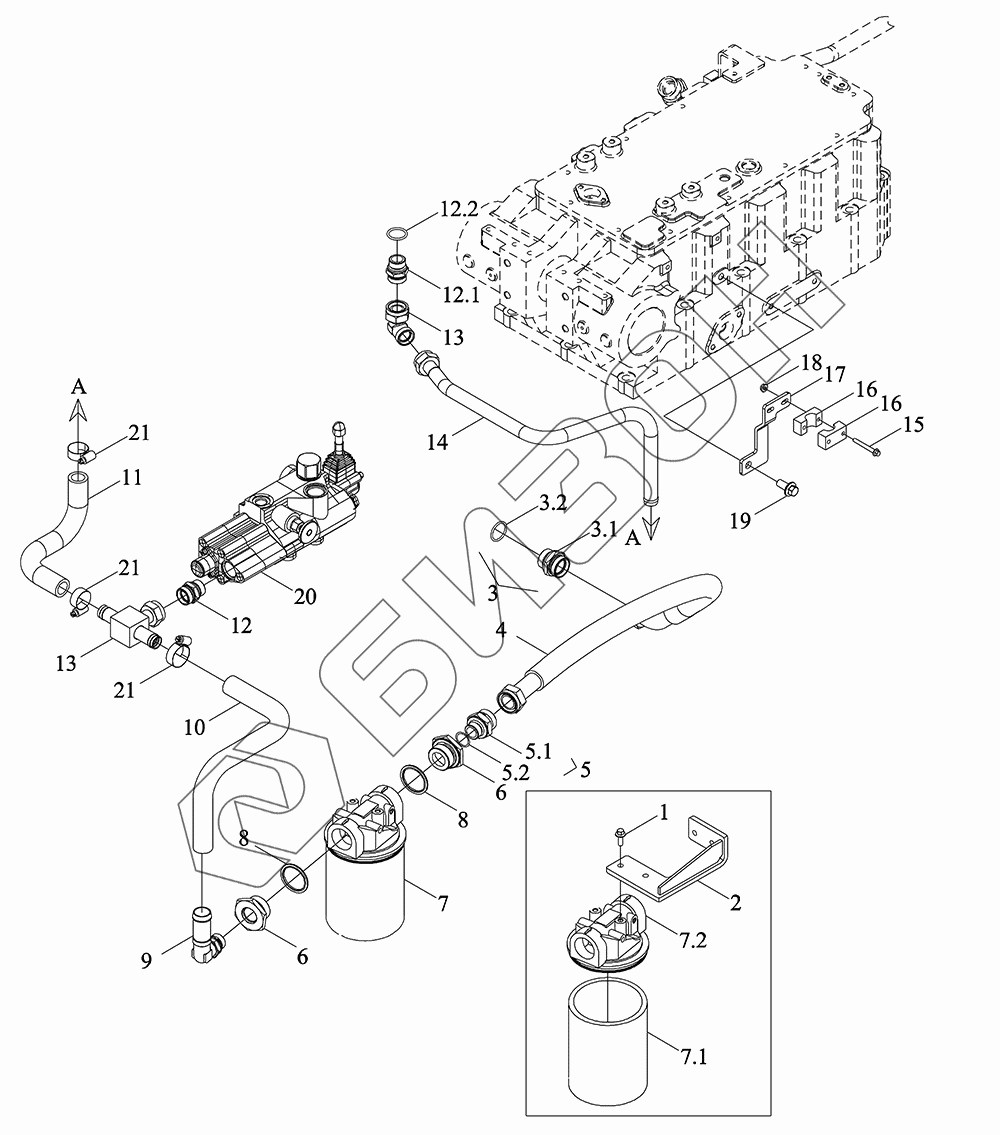
1
2
3
3.1
3.2
4
5
5.1
5.2
6
6
7
7.1
7.2
8
8
9
10
11
12
12.1
12.2
13
13
14
15
16
16
17
18
19
20
21
21
21
Позиция на иллюстрации Заводской номер детали Название детали Цена
TM5D582080000K TM5D582080000K Устройство гидравлической системы в сборе
Загрузка ...
1 GBT5789-M8X20-8.8-A2L Болт с фланцем
Загрузка ...
2 TM5D582080021K Кронштейн
Загрузка ...
3 TC03581030007 Штуцер соединительный прямой M33-28
Загрузка ...
3.1 GBT3733-L28 Штуцер соединительный
Загрузка ...
3.2 TS09580010011 Кольцо уплотнительное
Загрузка ...
4 TM5D582080020K Труба откачивающая
Загрузка ...
5 TS08582020007 Деталь переходная
Загрузка ...
5.1 TS08582020011 Корпус прямого соединения D28-M27
Загрузка ...
5.2 TS09580010009 Кольцо уплотнительное 23.6X2.9-M27X2
Загрузка ...
6 TK4030300200 Штуцер соединительный M42X2-M27X2
Загрузка ...
7 TS06582170013 Фильтр
Загрузка ...
7.1 TS06582170014 Гнездо фильтроэлемента
Загрузка ...
7.2 TS06582170015 Фильтр возврата масла
Загрузка ...
8 JBT982-42_ Шайба комбинированная уплотнительная
Загрузка ...
9 TD924.582N.11 Маслопровод
Загрузка ...
10 TM5D582080022K Шланг резиновый
Загрузка ...
11 TM5D582040013K Шланг возврата масла
Загрузка ...
12 TD924.582N.16 Штуцер соединительный
Загрузка ...
12.1 GBT3733-L22 Штуцер соединительный
Загрузка ...
12.2 TS09580010009 Кольцо уплотнительное 23.6X2.9-M27X2
Загрузка ...
13 TM5D582040015K Блок соединительный возврата масла в сборе
Загрузка ...
14 TM5D582040012K Труба стальная
Загрузка ...
15 GBT5789-M6X50-8.8-A2L Болт с фланцем
Загрузка ...
16 TS06402290034 Зажим для трубы с одним отверстием-22
Загрузка ...
17 TD2S582270012 Кронштейн струбцины трубы
Загрузка ...
18 GBT6177.1-M6-8-A2L Гайка с фланцем
Загрузка ...
19 GBT5789-M12X20-8.8-A3L Болт с фланцем
Загрузка ...
20 TS06582130080 Распределитель в сборе
Загрузка ...
21 Q67632_ Хомут червячный
Загрузка ...
Содержащиеся в справочниках-каталогах запасные части и детали не предлагаются к продаже, а носят исключительно информационный характер
Сайт использует файлы cookie, обрабатываемые вашим браузером. Подробнее об этом вы можете узнать в Политике cookie.
Принять Настроить Отклонить