ЗАПАСНЫЕ ЧАСТИ К ПРИСПОСОБЛЕНИЯМ ДЛЯ УБОРКИ ПОДСОЛНЕЧНИКА, КУКУРУЗЫ, РАПСА, СОИ
ЗАПАСНЫЕ ЧАСТИ К КОСИЛКАМ, ГРАБЛЯМ-ВАЛКООБРАЗОВАТЕЛЯМ, СТОГОМЕТАТЕЛЯМ И ПОГРУЗЧИКАМ
РЕМНАБОРЫ РТИ, КОЛЬЦА УПЛОТНИТЕЛЬНЫЕ
МЕТИЗЫ (БОЛТОКРЕПЕЖ, ХОМУТЫ, ШПОНКИ)
| Позиция на иллюстрации | Заводской номер детали | Название детали | Цена | |
|---|---|---|---|---|
| TX1S482050000K | TX1S482050000K | Монтажный блок жгута проводов кузова в сборе |
Загрузка ...
|
|
| TC05482140002K | TC05482140002K | Коробка электрооборудования |
Загрузка ...
|
|
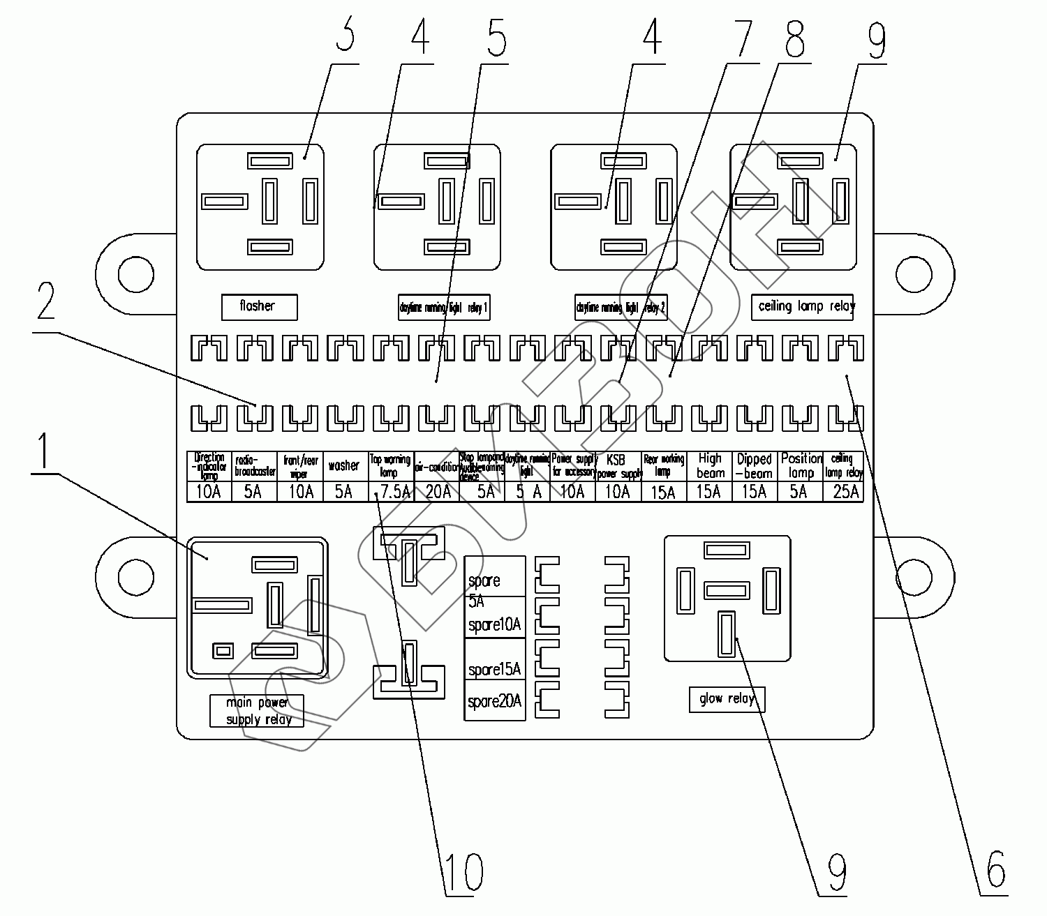
| 1 | GE20H16Y.34.6-04 | Реле основного источника питания |
Загрузка ...
|
|
| 2 | TD9600000500 | Защелка |
Загрузка ...
|
|
| 3 | FT300.48.513 | Реле |
Загрузка ...
|
|
| 4 | TS06482010004 | Реле |
Загрузка ...
|
|
| 5 | TD9600000900 | Предохранитель обычного типа (20A) |
Загрузка ...
|
|
| 6 | TD9600001100 | Защелка |
Загрузка ...
|
|
| 7 | TD9600000700 | Предохранитель обычного типа (10A) |
Загрузка ...
|
|
| 8 | TD9600000800 | Предохранитель обычного типа (15A) |
Загрузка ...
|
|
| 9 | FT300.48D.2.2.2 | Реле предварительного нагрева |
Загрузка ...
|
|
| 10 | TD9600000600 | Защелка |
Загрузка ...
|
Узнавайте первыми!
о новинках в отрасли, акциях магазина, новостях компании и многом другом!
Нажимая на кнопку “Подписаться”,
Вы соглашаетесь с
условиями обработки персональных данных
Обратный звонок
Оставьте ваши координаты и наш менеджер перезвонит Вам в течение 15 минут в рабочие часы компании.
Нажимая на кнопку “Заказать звонок”,
Вы соглашаетесь с условиями обработки персональных данных
Закажите услугу
Опишите, пожалуйста, ваш заказ на услугу или просто заполните контактную информацию и наши эскперты помогут решить вашу проблему!
Нажимая на кнопку “Отправить сообщение”,
Вы соглашаетесь с
условиями обработки персональных данных
Обратная связь
Нужен совет, как выбрать товар или использовать его? Не нашли нужную информацию на сайте? Напишите — наши эксперты помогут Вам!
Нажимая на кнопку “Отправить сообщение”,
Вы соглашаетесь с
условиями обработки персональных данных
Войти на сайт
Нет аккаунта? Зарегистрируйтесь на сайте
Регистрация