Графический каталог запасных частей к технике: LOVOL TM7N1A2604-002K. Трубопровод 1

zoom-in zoom-out enlarge shrink circle-right circle-left file-text2 info cart spinner6
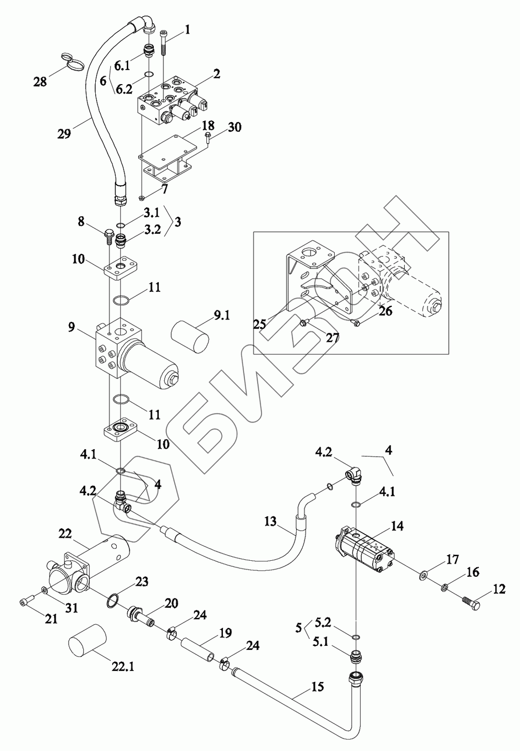
1
2
3.1
3.2
4.1
4.1
4.2
4.2
5.1
5.2
6.1
6.2
7
8
9
10
10
11
11
12
13
14
15
16
17
18
19
20
21
22
22.1
23
24
24
25
26
27
28
29
30
31
Позиция на иллюстрации Заводской номер детали Название детали Цена
TK4030807300 TK4030807300 Элемент фильтрующий
Загрузка ...
TM7N403020000K TM7N403020000K Трубопровод
Загрузка ...
1 GBT70.1-M8X70-10.9-A2L Винт с цилиндрической головкой с внутренним шестигранником
Загрузка ...
2 TP4P403010003Ka Клапан электромагнитный
Загрузка ...
3.1 TS09580010009 Кольцо O-образное 23.6X2.9-M27X2
Загрузка ...
3.2 GBT3733-L22 Деталь прямая переходная с зажимным кольцом
Загрузка ...
4.1 TS09580010009 Кольцо O-образное 23.6X2.9-M27X2
Загрузка ...
4.2 GBT3738-L22 Уголок
Загрузка ...
5.1 GBT3733-L28 Штуцер соединительный
Загрузка ...
5.2 TS09580010011 Кольцо O-образное 29.6X2.9-M33X2
Загрузка ...
6.1 BZF0050.1-0590001 Стык
Загрузка ...
6.2 TS09580010008 Кольцо O-образное 19.3X2.2-M22X1.5
Загрузка ...
7 GBT6177.1-M8-8-A2L Гайка с фланцем M8-8-A2L
Загрузка ...
8 GBT5789-M12X40-8.8-A3L Болт с фланцем
Загрузка ...
9 TK4030803000 Фильтр
Загрузка ...
10 TK4030800200 Фланец
Загрузка ...
11 GBT3452.1-45.0X3.55G Кольцо уплотнительное резиновое для гидропневматики
Загрузка ...
12 GBT5783-M10X30-8.8-A3L Болт с шестигранной головкой M10X30-8.8-A3L
Загрузка ...
13 TK4030808000 Маслопровод
Загрузка ...
14 TM7N403020001K Насос двойной 20+20Л
Загрузка ...
15 TK4030507000 Труба
Загрузка ...
16 GBT93-10-A3L Шайба стандартная пружинная
Загрузка ...
17 GBT97.1-10-A3L Шайба большая
Загрузка ...
18 TN1S403080005 Кронштейн
Загрузка ...
19 TA700.58-02 Шланг всасывания масла
Загрузка ...
20 TK4030306000 Маслопровод
Загрузка ...
21 GBT70.1-M10X30-8.8-A3L Винт с цилиндрической головкой и внутренним шестигранником M10X30-8.8-A3L
Загрузка ...
22 TK4030302000 Фильтр всасывания масла
Загрузка ...
22.1 TK4030307200 Элемент фильтрующий
Загрузка ...
23 JBT982-48 Шайба комбинированная уплотнительная
Загрузка ...
24 Q67638 Хомут шланга B-типа
Загрузка ...
25 TK4031404000 Кронштейн
Загрузка ...
26 GBT5789-M16X30-8.8-A3L Болт с фланцем
Загрузка ...
27 GBT5789-M10X20-8.8-A3L Болт шестигранный фланцевый M10X20-8.8-A3L
Загрузка ...
28 TG3S488010002 Хомут гибкий
Загрузка ...
29 BZF0064.2-137 Шланг резиновый
Загрузка ...
30 GBT5789-M10X25-8.8-A3L Болт шестигранный фланцевый M10X25-8.8-A3L
Загрузка ...
31 TE250.55-03 Шайба
Загрузка ...
Содержащиеся в справочниках-каталогах запасные части и детали не предлагаются к продаже, а носят исключительно информационный характер