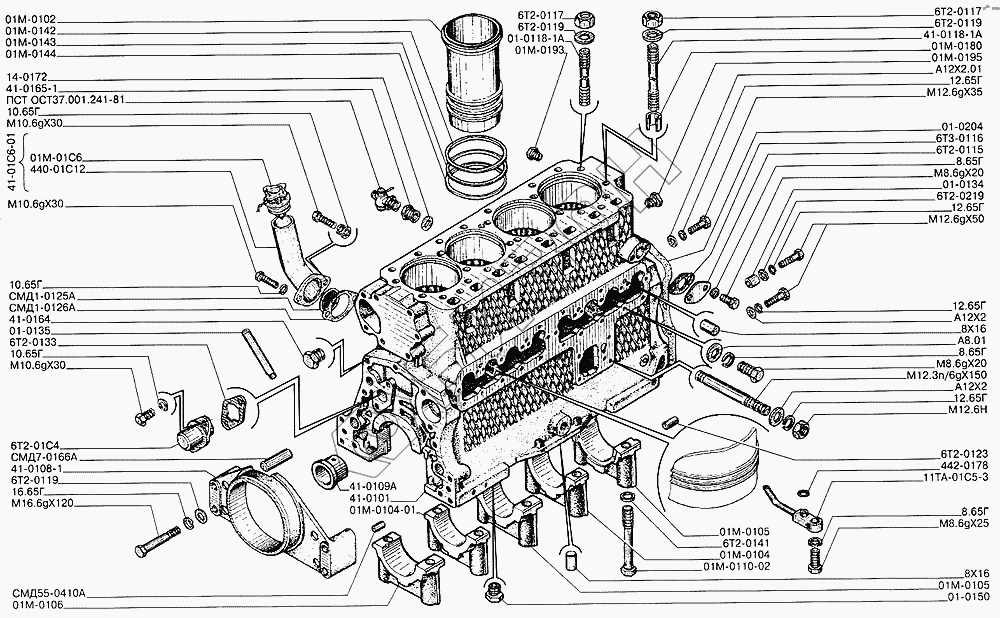
Графический каталог запасных частей к технике: Алтайдизель А-41. Блок-картер

zoom-in zoom-out enlarge shrink circle-right circle-left file-text2 info cart spinner6
16.65Г
440-01С12
41-0164
01М-0193
01М-0195
01М-01С6
14-0172
6Т2-0133
6Т3-0116
01-0204
СМД1-0126А
СМД1-0125А
01-0135
11ТА-01С5-3
10.65Г
12.65Г
41-01С6-01
6Т2-0119
6Т2-0141
6Т2-0219
8.65Г
А12Х2
А8.01
М12.3n/6gХ150
01-0118-1А
41-0118-1А
СМД55-0410А
6Т2-0123
8х16
41-0165-1
01М-0102
М10.6gХ30
М12.6gХ35
М12.6gХ50
М16.6gХ120
М8.6gХ20
М8.6gХ25
01М-0110-02
01М-0180
01-0134
СМД7-0166А
41-0109А
01-0150
М12.6Н
6Т2-0117
41-0101
01М-0142
442-0178
01М-0143
01М-0144
ПСТ-ОСТ37.001.241.-81
6Т2-0115
01М-0104
01М-0104-01
01М-0105
01М-0106
41-0108-1
6Т2-01С4
Позиция на иллюстрации Заводской номер детали Название детали Цена
16.65Г 16.65Г Шайба
Загрузка ...
440-01С12 440-01С12 Патрубок маслоналивной
Загрузка ...
41-0164 41-0164 Пробка
Загрузка ...
01М-0193 01М-0193 Пробка коническая 1/4"
Загрузка ...
01М-0195 01М-0195 Пробка коническая 3/4"
Загрузка ...
01М-01С6 01М-01С6 Пробка маслоналивного патрубка
Загрузка ...
14-0172 14-0172 Прокладка
Загрузка ...
6Т2-0133 6Т2-0133 Прокладка
Загрузка ...
6Т3-0116 6Т3-0116 Прокладка
Загрузка ...
01-0204 01-0204 Прокладка картера
Загрузка ...
СМД1-0126А СМД1-0126А Прокладка патрубка
Загрузка ...
СМД1-0125А СМД1-0125А Сетка
Загрузка ...
01-0135 01-0135 Трубка маслоизмерителя
Загрузка ...
11ТА-01С5-3 11ТА-01С5-3 Форсунка охлаждения поршня
Загрузка ...
10.65Г 10.65Г Шайба
Загрузка ...
12.65Г 12.65Г Шайба
Загрузка ...
41-01С6-01 41-01С6-01 Патрубок маслоналивной
Загрузка ...
6Т2-0119 6Т2-0119 Шайба
Загрузка ...
6Т2-0141 6Т2-0141 Шайба
Загрузка ...
6Т2-0219 6Т2-0219 Шайба
Загрузка ...
8.65Г 8.65Г Шайба
Загрузка ...
А10Х2 А10Х2 Шайба
Загрузка ...
А12Х2 А12Х2 Шайба
Загрузка ...
А8.01 А8.01 Шайба
Загрузка ...
М12.3n/6gХ150 М12.3n/6gХ150 Шпилька
Загрузка ...
01-0118-1А 01-0118-1А Шпилька крепления головки
Загрузка ...
41-0118-1А 41-0118-1А Шпилька крепления головки
Загрузка ...
СМД55-0410А СМД55-0410А Штифт установочный
Загрузка ...
6Т2-0123 6Т2-0123 Штифт
Загрузка ...
8х16 8х16 Штифт
Загрузка ...
41-0165-1 41-0165-1 Штуцер переходной
Загрузка ...
01М-0102 01М-0102 Гильза цилиндра
Загрузка ...
440-01С2 440-01С2 Блок-картер
Загрузка ...
М10.6gХ30 М10.6gХ30 Болт
Загрузка ...
М12.6gХ35 М12.6gХ35 Болт
Загрузка ...
М12.6gХ50 М12.6gХ50 Болт
Загрузка ...
М16.6gХ120 М16.6gХ120 Болт
Загрузка ...
М8.6gХ20 М8.6gХ20 Болт
Загрузка ...
М8.6gХ25 М8.6gХ25 Болт
Загрузка ...
01М-0110-02 01М-0110-02 Болт крепления крышки коренного подшипника
Загрузка ...
01М-0180 01М-0180 Втулка
Загрузка ...
01-0134 01-0134 Втулка направляющая
Загрузка ...
СМД7-0166А СМД7-0166А Втулка направляющая
Загрузка ...
41-0109А 41-0109А Втулка распределительного вала передняя
Загрузка ...
01-0150 01-0150 Втулка резьбовая
Загрузка ...
М12.6Н М12.6Н Гайка
Загрузка ...
6Т2-0117 6Т2-0117 Гайка крепления головки
Загрузка ...
41-0101 41-0101 Блок-картер
Загрузка ...
01М-0142 01М-0142 Кольцо антикавитационное
Загрузка ...
442-0178 442-0178 Кольцо резиновое
Загрузка ...
01М-0143 01М-0143 Кольцо уплотнительное
Загрузка ...
01М-0144 01М-0144 Кольцо уплотнительное нижнее
Загрузка ...
ПСТ-ОСТ37.001.241.-81 ПСТ-ОСТ37.001.241.-81 Кран
Загрузка ...
6Т2-0115 6Т2-0115 Крышка
Загрузка ...
01М-0104 01М-0104 Крышка коренного подшипника
Загрузка ...
01М-0104-01 01М-0104-01 Крышка коренного подшипника
Загрузка ...
01М-0105 01М-0105 Крышка коренного подшипника
Загрузка ...
01М-0106 01М-0106 Крышка коренного подшипника
Загрузка ...
41-0108-1 41-0108-1 Опора передняя
Загрузка ...
6Т2-01С4 6Т2-01С4 Палец
Загрузка ...
41С-1942А-1 41С-1942А-1 Патрубок
Загрузка ...
41С-19С16-1 41С-19С16-1 Патрубок
Загрузка ...
Содержащиеся в справочниках-каталогах запасные части и детали не предлагаются к продаже, а носят исключительно информационный характер
Сайт использует файлы cookie, обрабатываемые вашим браузером. Подробнее об этом вы можете узнать в Политике cookie.
Принять Настроить Отклонить