Графический каталог запасных частей к технике: Алтайдизель Д-442И. Механизм распределения 442-05c1

zoom-in zoom-out enlarge shrink circle-right circle-left file-text2 info cart spinner6
1
2
3
3
4
5
6
6
7
8
9
10
11
12
13
14
15
16
17
17
18
19
20
21
22
23
24
25
26
27
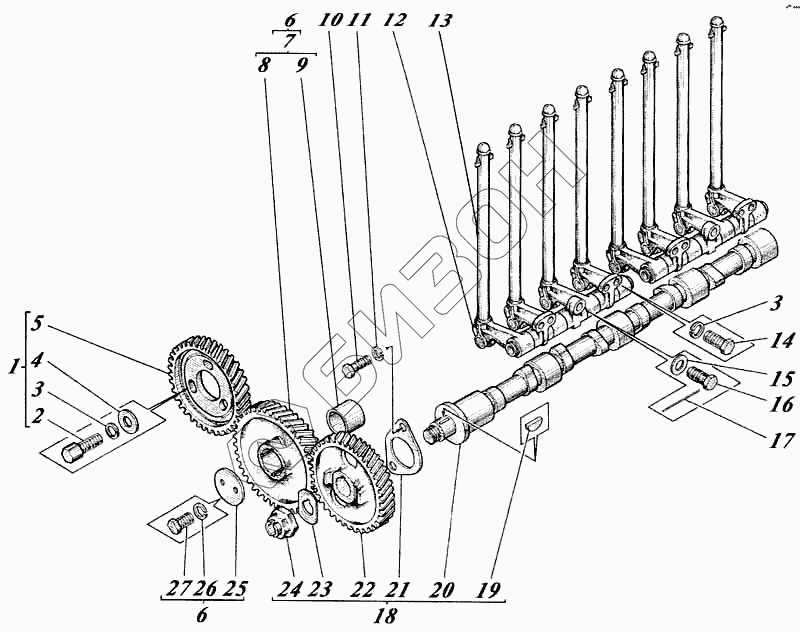
Позиция на иллюстрации Заводской номер детали Название детали Цена
442-05с1 442-05с1 Механизм распределения
Загрузка ...
1 442-05с13-1 Установка шестерни привода топливного насоса
Загрузка ...
2 Болт [1241-0235-1] Болт
Загрузка ...
3 Шайба 10.65Г.05 [6402] Шайба 10.65Г.05
Загрузка ...
4 Шайба [01М-0253] Шайба
Загрузка ...
5 442-0532 Колесо зубчатое
Загрузка ...
6 6Т2-05с6 Установка зубчатого колеса
Загрузка ...
7 6Т2-05с9 Колесо зубчатое
Загрузка ...
8 6Т2-0503А Колесо зубчатое
Загрузка ...
9 01-0527-1 Втулка
Загрузка ...
10 Болт М12-6gх40.88.35 05 [7796] Болт М12-6gх40.88.35 05
Загрузка ...
11 Шайба 12.65Г.05 [6402] Шайба 12.65Г.05
Загрузка ...
12 41-05с3 Ось толкателей
Загрузка ...
13 6Т2-05с8А Штанга толкателя
Загрузка ...
14 Болт М10-6gх25.88.35.05 [7796] Болт М10-6gх25.88.35.05
Загрузка ...
15 Шайба А12х2.01.08кп.05 [11371] Шайба А12х2.01.08кп.05
Загрузка ...
16 Болт специальный [6Т2-0514-1А] Болт специальный
Загрузка ...
17 6Т2-0535 Проволока
Загрузка ...
17 3282 Проволока 1-0-С
Загрузка ...
18 41-05с4 Вал распределительный
Загрузка ...
19 24071 Шпонка 8х11
Загрузка ...
20 41-0501-20 Вал распределительный
Загрузка ...
21 Шайба упорная [41-0534-3] Шайба упорная
Загрузка ...
22 6Т3-0502А Колесо зубчатое m = 3,5, z = 40
Загрузка ...
23 Шайба стопорная [01М-0521] Шайба стопорная
Загрузка ...
24 Гайка поводок [01М-0522] Гайка поводок
Загрузка ...
25 Шайба [СМД55-0506] Шайба
Загрузка ...
26 Шайба 8.65Г.05 [6402] Шайба 8.65Г.05
Загрузка ...
27 Болт М8-6gх16.88.35.05 [7796] Болт М8-6gх16.88.35.05
Загрузка ...
Содержащиеся в справочниках-каталогах запасные части и детали не предлагаются к продаже, а носят исключительно информационный характер