Графический каталог запасных частей к технике: ЯМЗ-238 М. Масляный насос

zoom-in zoom-out enlarge shrink circle-right circle-left file-text2 info cart spinner6
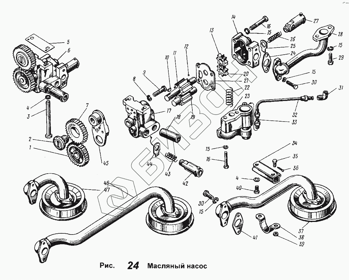
1
2
3
4
4
5
6
7
8
9
10
11
12
13
14
15
15
15
15
15
16
16
17
18
19
20
21
22
23
24
25
26
27
28
29
30
30
31
32
33
34
35
36
37
38
39
40
41
42
43
44
45
46
47
Позиция на иллюстрации Заводской номер детали Название детали Цена
1 236-1011230-А Шестерня ведомая
Загрузка ...
2 236-1011217-В2 Фланец упорный
Загрузка ...
3 310254-П2 Болт
Загрузка ...
4 252136-П2 Шайба 10 пружинная
Загрузка ...
5 236-1011380 Прокладка регулировочная
Загрузка ...
6 236-1011014-В3 Насос масляный в сборе
Загрузка ...
7 236-1011202-А Шестерня промежуточная привода
Загрузка ...
8 252137-П2 Шайба пружинная
Загрузка ...
9 310156-П2 Болт
Загрузка ...
10 314005-П2 Шпонка
Загрузка ...
11 236-1011040-Б Шестерня ведущая нагнетающей секции в сборе
Загрузка ...
12 201-1015434 Шарик стопорный
Загрузка ...
13 236-1011100 Шестерня ведущая радиаторной секции
Загрузка ...
14 236-1011019-В Корпус радиаторной секции
Загрузка ...
15 252135-В Шайба
Загрузка ...
16 200270-П2 Болт М8х55
Загрузка ...
17 236-1011015-Г Корпус нагнетающей секции
Загрузка ...
18 236-1011352-В Трубка нагнетающей секции отводящая
Загрузка ...
19 236-1011030-Б Шестерня ведомая нагнетающей секции в сборе
Загрузка ...
20 236-1011114 Шестерня ведомая радиаторной секции
Загрузка ...
21 236-1011049 Проставка
Загрузка ...
22 240-1011057 Пружина клапана дифференциального
Загрузка ...
23 236-1011056-А Клапан дифференциальный в сборе
Загрузка ...
24 236-1011358-А Прокладка фланца
Загрузка ...
25 312559-П2 Шайба замковая
Загрузка ...
26 236-1011368-Б Пружина предохранительного клапана
Загрузка ...
27 236-1011363-Б Клапан предохранительный радиаторной секции
Загрузка ...
28 236-1011420-В Трубка радиаторной секции отводящая
Загрузка ...
29 201457-П2 Болт М8х22
Загрузка ...
30 201458-П29 Болт М8х25
Загрузка ...
31 314537-П Угольник
Загрузка ...
32 236-1011098-Б3 Трубка дифференциального клапана подводящая
Загрузка ...
33 314612-П29 Штуцер
Загрузка ...
34 236-1011320 Кронштейн крепления всасывающей трубы
Загрузка ...
35 310248-П2 Болт М8х1-6gх18
Загрузка ...
36 258013-П29 Шплинт
Загрузка ...
37 236-1011398-Г Трубка всасываюшая с заборником в сборе
Загрузка ...
38 236-1011322 Скоба
Загрузка ...
39 250975-П2 Гайка
Загрузка ...
40 201495-П2 Болт
Загрузка ...
41 236-1011296 Прокладка переднего фланца
Загрузка ...
42 236-1011048-Б Клапан нагнетающей секции редукционный в сборе
Загрузка ...
43 236-1011058-Б Пружина клапана
Загрузка ...
44 312571-П2 Шайба замковая
Загрузка ...
45 236-1011208-В Ось промежуточной шестерни
Загрузка ...
46 238-1011398-В Труба всасывающая с заборником в сборе
Загрузка ...
47 236-1011399-В Трубка всасывающая с заборником
Загрузка ...
Содержащиеся в справочниках-каталогах запасные части и детали не предлагаются к продаже, а носят исключительно информационный характер
Сайт использует файлы cookie, обрабатываемые вашим браузером. Подробнее об этом вы можете узнать в Политике cookie.
Принять Настроить Отклонить