| Позиция на иллюстрации | Заводской номер детали | Название детали | Цена | |
|---|---|---|---|---|
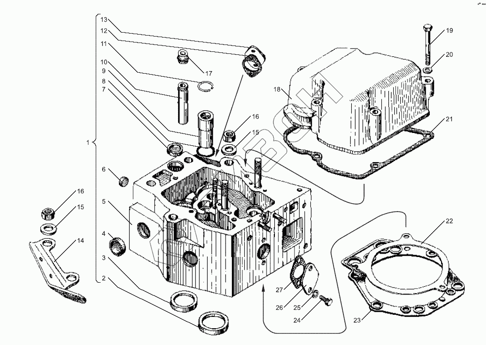
| 1 | 7511.1003013 | Головка цилиндра в сборе (для запасных частей) |
Загрузка ...
|
|
| 1 | 7511.1003012 | Головка цилиндра с втулками в сборе |
Загрузка ...
|
|
| 2 | 7511.1003108 | Седло впускного клапана |
Загрузка ...
|
|
| 3 | 7511.1003110 | Седло выпускного клапана |
Загрузка ...
|
|
| 4 | 313992-П | Заглушка |
Загрузка ...
|
|
| 5 | 7511.1003014 | Головка цилиндра с вставкой в сборе |
Загрузка ...
|
|
| 6 | 7511.1003436 | Заглушка |
Загрузка ...
|
|
| 7 | 313934-П | Заглушка |
Загрузка ...
|
|
| 8 | 25 3111 6148 | Кольцо 029-035-36-2-5 |
Загрузка ...
|
|
| 9 | 7511.1003112 | Стакан форсунки |
Загрузка ...
|
|
| 10 | 236-1007032-Б | Втулка клапана направляющая |
Загрузка ...
|
|
| 11 | 7511.1003115 | Кольцо запорное |
Загрузка ...
|
|
| 12 | 236-1011296 | Прокладка переднего фланца |
Загрузка ...
|
|
| 13 | 236-1002402 | Заглушка |
Загрузка ...
|
|
| 14 | 7511.1003330 | Рым |
Загрузка ...
|
|
| 14 | 7511.1003331 | Рым |
Загрузка ...
|
|
| 15 | 312399-П29 | Шайба |
Загрузка ...
|
|
| 16 | 311423-П5 | Гайка |
Загрузка ...
|
|
| 17 | 236-1007262 | Манжета уплотнительная впускного клапана в сборе |
Загрузка ...
|
|
| 18 | 7511.1003264 | Крышка головки цилиндра |
Загрузка ...
|
|
| 19 | 200274-П29 | Болт М8х75 |
Загрузка ...
|
|
| 20 | 252005-П29 | Шайба плоская |
Загрузка ...
|
|
| 21 | 7511.1003270 | Прокладка крышки головки |
Загрузка ...
|
|
| 22 | 7511.1003212-40 | Прокладка головки цилиндра толщиной 1,7-0,08 мм |
Загрузка ...
|
|
| 22 | 7511.1003212-10 | Прокладка головки цилиндра толщиной 1,1-0,06 мм |
Загрузка ...
|
|
| 22 | 7511.1003212-20 | Прокладка головки цилиндра толщиной 1,3-0,06 мм |
Загрузка ...
|
|
| 22 | 7511.1003212-30 | Прокладка головки цилиндра толщиной 1,5-0,08 мм |
Загрузка ...
|
|
| 23 | 7511.1003213 | Прокладка уплотнительная головки цилиндра |
Загрузка ...
|
|
| 24 | 201454-П29 | Болт М8х16 |
Загрузка ...
|
|
| 25 | 252135-П2 | Шайба пружинная |
Загрузка ...
|
|
| 26 | 236-1002404 | Заглушка |
Загрузка ...
|
|
| 27 | 201-1306075-A | Прокладка |
Загрузка ...
|
Узнавайте первыми!
о новинках в отрасли, акциях магазина, новостях компании и многом другом!
Нажимая на кнопку “Подписаться”,
Вы соглашаетесь с
условиями обработки персональных данных