Графический каталог запасных частей к технике: ЯМЗ-8423. Насос масляный

zoom-in zoom-out enlarge shrink circle-right circle-left file-text2 info cart spinner6
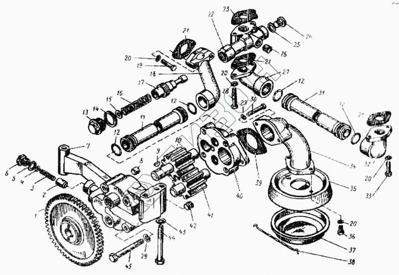
1
2
3
4
5
6
7
8
9
10
11
12
12
12
12
13
14
15
16
17
17
18
19
20
20
20
20
21
21
21
22
23
24
25
26
27
28
29
29
30
31
32
33
34
34
35
36
37
38
39
40
41
42
43
44
45
Позиция на иллюстрации Заводской номер детали Название детали Цена
8421.1011014 8421.1011014 Насос масляный в сборе
Загрузка ...
1 840.1011230 Шестерня ведомая привода масляного насоса
Загрузка ...
2 840.1011364 Клапан предохранительный
Загрузка ...
3 840.1011058 Пружина предохранительного клапана
Загрузка ...
4 252004-П29 Шайба
Загрузка ...
5 204-1011371 Прокладка пробки
Загрузка ...
6 204-1011370-Б Пробка клапана
Загрузка ...
7 841.1011018 Корпус насоса
Загрузка ...
8 840.1011034 Втулка
Загрузка ...
9 45 9824 6263 Шпонка
Загрузка ...
10 841.1011045 Шестерня ведущая насоса
Загрузка ...
11 842.1011350-10 Трубка отводящая
Загрузка ...
12 253-1112151 Кольцо 032-038-36-2-1
Загрузка ...
13 840.1011370 Пробка
Загрузка ...
14 312330-П Прокладка
Загрузка ...
15 252006-П29 Шайба плоская
Загрузка ...
16 840.1011057 Пружина клапана
Загрузка ...
17 840.1011055 Клапан
Загрузка ...
17 840.1011054 Клапан системы смазки сливной в сборе
Загрузка ...
18 842.1011293 Фланец задний
Загрузка ...
19 45 9347 1530 Болт
Загрузка ...
20 252135-П2 Шайба пружинная
Загрузка ...
21 840.1011366 Прокладка
Загрузка ...
22 840.1011060 Корпус клапана
Загрузка ...
23 840.1011544 Прокладка корпуса
Загрузка ...
24 316107-П2 Пробка
Загрузка ...
25 312630-П Шайба
Загрузка ...
26 45 9931 1104 Пробка
Загрузка ...
27 842.1011415 Фланец отводящей трубки
Загрузка ...
28 201458-П29 Болт М8х25
Загрузка ...
29 252136-П2 Шайба 10 пружинная
Загрузка ...
30 201667-П29 Болт
Загрузка ...
31 842.1011406-10 Трубка отводящая
Загрузка ...
32 842.1011356 Фланец отводящей трубки
Загрузка ...
33 200272-П29 Болт
Загрузка ...
34 842.1011400 Трубка всасывающая
Загрузка ...
34 842.1011398 Трубка всасывающая с заборником
Загрузка ...
35 840.1011300 Чашка заборника в оборе
Загрузка ...
36 201452-П29 Болт
Загрузка ...
37 204А-1011310-В Сетка заборника в сборе
Загрузка ...
38 204А-1011318-Б Крючок крепления сетки
Загрузка ...
39 840.1011296-10 Прокладка фланца
Загрузка ...
40 842.1011019 Крышка насоса
Загрузка ...
41 840.1011032-10 Шестерня ведомая насоса
Загрузка ...
42 45 9931 1103 Пробка
Загрузка ...
43 252137-П2 Шайба пружинная
Загрузка ...
44 45 9327 6144 Болт
Загрузка ...
45 45 9327 6095 Болт
Загрузка ...
Содержащиеся в справочниках-каталогах запасные части и детали не предлагаются к продаже, а носят исключительно информационный характер