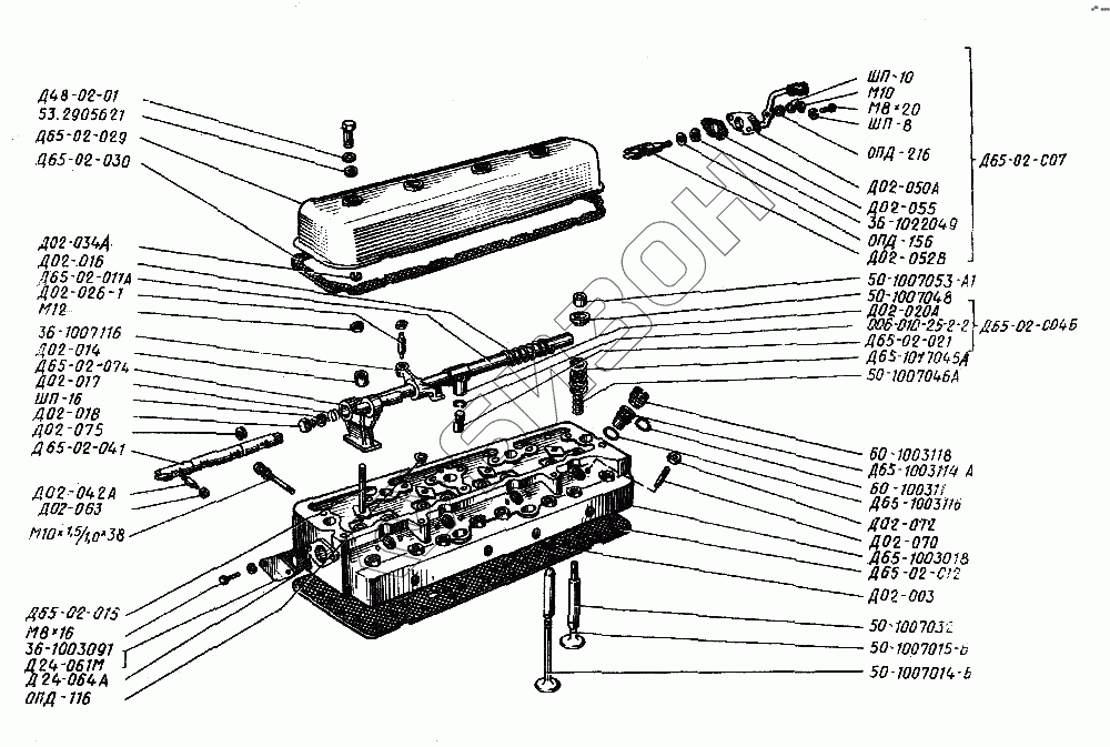
Графический каталог запасных частей к технике: ЮМЗ Д-65. Головка цилиндров

zoom-in zoom-out enlarge shrink circle-right circle-left file-text2 info cart spinner6
60-1003118
Д65-02-029
Д65-02-030
Д65-02-074
Д65-02-041
36-1003091
36-1007116
36-1022049
50-1007014-Б
50-1007015-Б
50-1007032
50-1007046А
50-1007048
50-1007053-А1
53-2905621
60-1003111
Д65-02-015
Д24-061М
Д24-064А
ОПД-116
ОПД-156
ОПД-216
006-010-25-2-2
М8х16
М8х20
М10
М12
ШП-8
ШП-10
ШП-16
М10х1,5х38
Д02-020А
Д65-1003018
Д65-1003114А
Д65-1003116
Д65-1017045А
Д65-02-С04Б
Д65-02-С07
Д65-02-С12
Д02-003
Д02-014
Д02-016
Д02-017
Д02-018
Д65-02-021
Д02-026-1
Д02-034А
Д02-042А
Д02-050А1
Д02-052В
Д02-055
Д02-063
Д02-070
Д02-072
Д02-075
Д48-02-01
Д65-02-011А
Позиция на иллюстрации Заводской номер детали Название детали Цена
60-1003118 60-1003118 Гайка стакана форсунки
Загрузка ...
Д65-02-029 Д65-02-029 Крышка головки блока
Загрузка ...
Д65-02-030 Д65-02-030 Прокладка крышки
Загрузка ...
Д65-02-074 Д65-02-074 Стойка
Загрузка ...
Д65-02-041 Д65-02-041 Валик декомпрессионный
Загрузка ...
36-1003091 36-1003091 Фланец
Загрузка ...
36-1007116 36-1007116 Коромысло клапана
Загрузка ...
36-1022049 36-1022049 Кольцо сальника
Загрузка ...
50-1007014-Б 50-1007014-Б Клапан всасывающий
Загрузка ...
50-1007015-Б 50-1007015-Б Клапан выхлопной
Загрузка ...
50-1007032 50-1007032 Втулка клапана направляющая
Загрузка ...
50-1007046А 50-1007046А Пружина
Загрузка ...
50-1007048 50-1007048 Тарелка пружин клапана
Загрузка ...
50-1007053-А1 50-1007053-А1 Сухарь
Загрузка ...
53-2905621 53-2905621 Кольцо уплотнительное
Загрузка ...
60-1003111 60-1003111 Кольцо уплотнительное
Загрузка ...
Д65-02-015 Д65-02-015 Шпилька стойки
Загрузка ...
Д24-061М Д24-061М Патрубок
Загрузка ...
Д24-064А Д24-064А Прокладка
Загрузка ...
ОПД-116 ОПД-116 Заглушка
Загрузка ...
ОПД-156 ОПД-156 Шайба
Загрузка ...
ОПД-216 ОПД-216 Шайба
Загрузка ...
006-010-25-2-2 006-010-25-2-2 Кольцо
Загрузка ...
М8х16 М8х16 Болт
Загрузка ...
М8х20 М8х20 Болт
Загрузка ...
М10 М10 Гайка
Загрузка ...
М12 М12 Гайка
Загрузка ...
ШП-8 ШП-8 Шайба
Загрузка ...
ШП-10 ШП-10 Шайба 10
Загрузка ...
ШП-16 ШП-16 Шайба
Загрузка ...
М10х1,5х38 М10х1,5х38 Шпилька
Загрузка ...
Д02-020А Д02-020А Муфта
Загрузка ...
Д65-1003012 Д65-1003012 Головка блока в сборе
Загрузка ...
Д65-1003018 Д65-1003018 Головка блока
Загрузка ...
Д65-1003025 Д65-1003025 Головка блока
Загрузка ...
Д65-1003114А Д65-1003114А Стакан
Загрузка ...
Д65-1003116 Д65-1003116 Кольцо уплотнительное
Загрузка ...
Д65-1017045А Д65-1017045А Пружина
Загрузка ...
Д65-02-С04Б Д65-02-С04Б Муфта
Загрузка ...
Д65-02-С07 Д65-02-С07 Рукоятка
Загрузка ...
Д65-02-С12 Д65-02-С12 Прокладка
Загрузка ...
Д02-003 Д02-003 Заглушка
Загрузка ...
Д02-014 Д02-014 Сухарь установочный
Загрузка ...
Д02-016 Д02-016 Пружина валика большая
Загрузка ...
Д02-017 Д02-017 Пружина валика малая
Загрузка ...
Д02-018 Д02-018 Пробка валика коромысел
Загрузка ...
Д65-1003010 Д65-1003010 Головка блока с клапанным механизмом
Загрузка ...
Д65-02-021 Д65-02-021 Ниппель
Загрузка ...
Д02-026-1 Д02-026-1 Винт регулировочный
Загрузка ...
Д02-031 Д02-031 Гайка
Загрузка ...
Д02-034А Д02-034А Кольцо
Загрузка ...
Д02-042А Д02-042А Болт
Загрузка ...
Д02-050А1 Д02-050А1 Фланец
Загрузка ...
Д02-052В Д02-052В Валик
Загрузка ...
Д02-055 Д02-055 Прокладка
Загрузка ...
Д02-063 Д02-063 Гайка
Загрузка ...
Д02-070 Д02-070 Шпилька
Загрузка ...
Д02-072 Д02-072 Гайка
Загрузка ...
Д02-075 Д02-075 Кольцо стопорное
Загрузка ...
Д48-02-01 Д48-02-01 Прокладка
Загрузка ...
Д65-02-011А Д65-02-011А Валик
Загрузка ...
Содержащиеся в справочниках-каталогах запасные части и детали не предлагаются к продаже, а носят исключительно информационный характер
Сайт использует файлы cookie, обрабатываемые вашим браузером. Подробнее об этом вы можете узнать в Политике cookie.
Принять Настроить Отклонить