Графический каталог запасных частей к технике: AGCO Fendt-524 (Xylon) часть2. COMPRESSOR

zoom-in zoom-out enlarge shrink circle-right circle-left file-text2 info cart spinner6
1
2
3
4
5
5
6
6
6
7
7
8
8
9
9
9
9
9
10
10
10
10
11
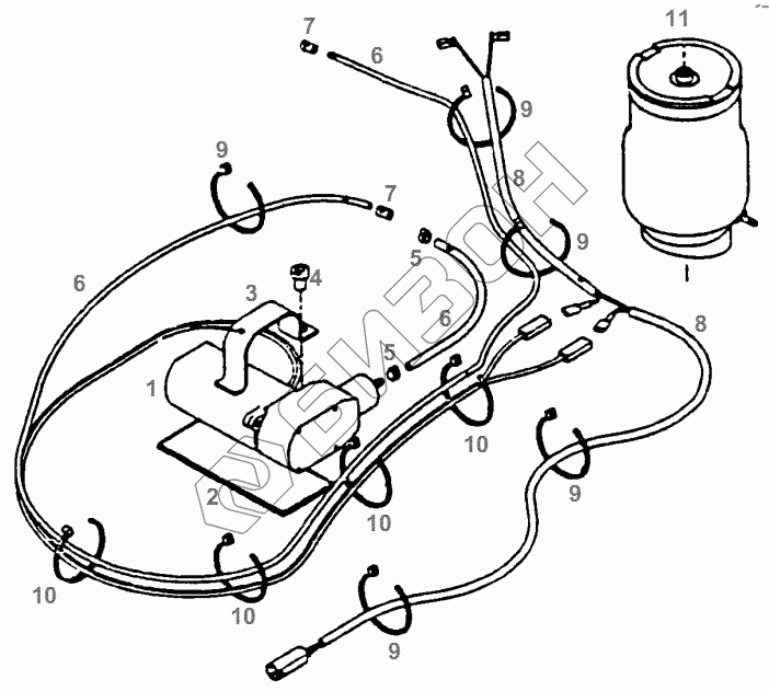
Позиция на иллюстрации Заводской номер детали Название детали Цена
1 F930500030150 COMPRESSOR
Загрузка ...
2 F178500030820 BASE
Загрузка ...
3 F916500030010 STRAP
Загрузка ...
4 F294500030130 CYLIND. HEAD SCREW
Загрузка ...
5 F198500030510 HOSE COLLAR
Загрузка ...
6 F916500030020 AIR PIPE
Загрузка ...
7 F312500030270 GROMMET
Загрузка ...
8 F312500030250 LEAD WIRE
Загрузка ...
9 F198500030540 CABLE TAPE
Загрузка ...
10 F312500030260 CABLE TAPE
Загрузка ...
11 F718501030010 AIR SUSPENSION
Загрузка ...
Содержащиеся в справочниках-каталогах запасные части и детали не предлагаются к продаже, а носят исключительно информационный характер
Сайт использует файлы cookie, обрабатываемые вашим браузером. Подробнее об этом вы можете узнать в Политике cookie.
Принять Настроить Отклонить