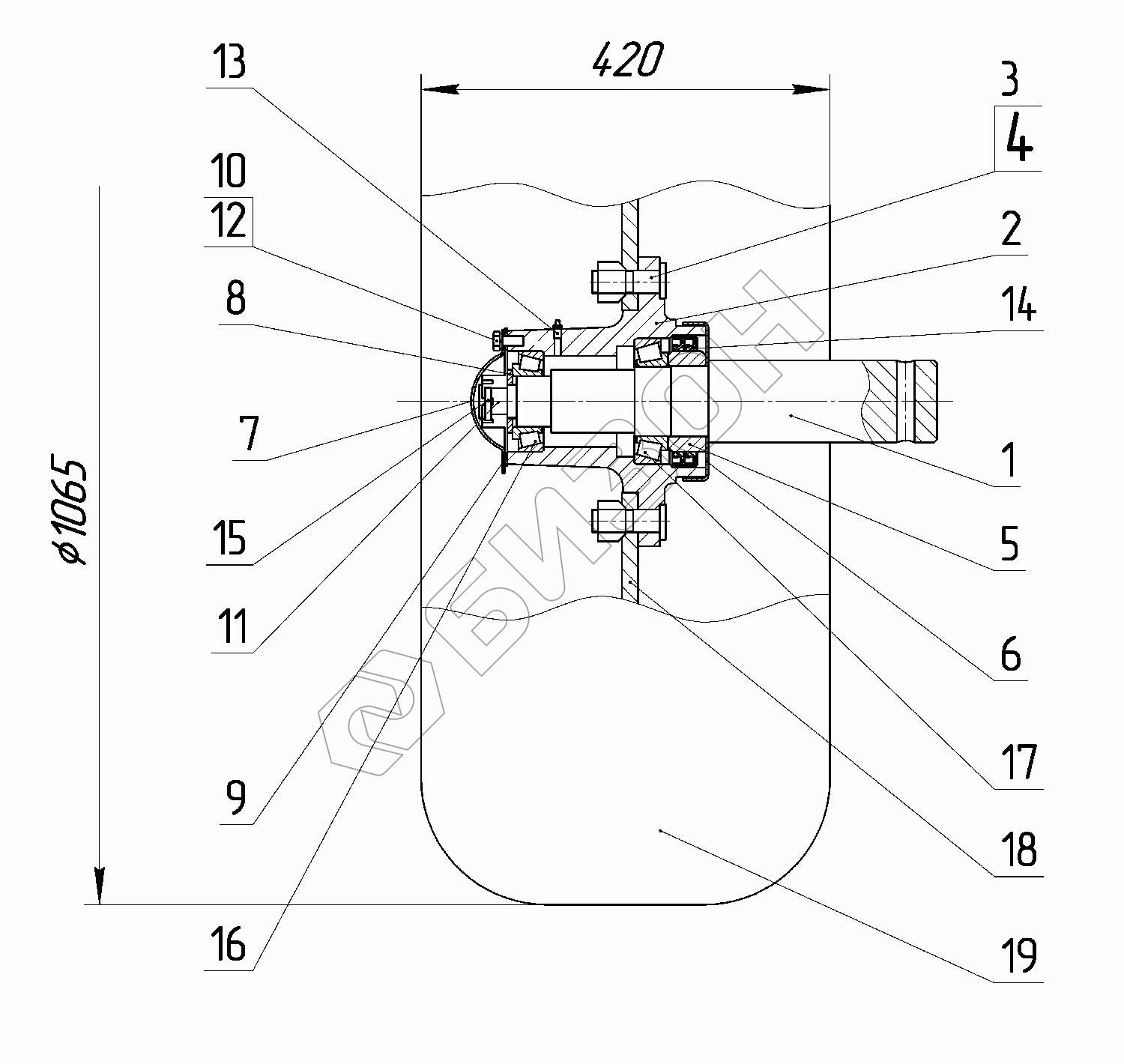
Графический каталог запасных частей к технике: Алмаз БЗГТ-21 "ПОБЕДА". Колесо сницы

zoom-in zoom-out enlarge shrink circle-right circle-left file-text2 info cart spinner6
1
2
3
4
5
6
7
8
9
11
12
13
14
15
16
17
17
19
19
Позиция на иллюстрации Заводской номер детали Название детали Цена
1 47.664.01.05.001.1 Полуось
Загрузка ...
2 47.664.01.05.002.1 Ступица
Загрузка ...
3 47.664.01.05.003.1 Болт М20х1,5
Загрузка ...
4 47.664.01.05.006 Гайка М20х1,5
Загрузка ...
5 47.664.01.05.004 Втулка
Загрузка ...
6 47.664.01.05.005 Стакан
Загрузка ...
7 47.565.08.1.006 Колпак
Загрузка ...
8 47.565.08.1.007 Шайба
Загрузка ...
9 47.565.08.1.008 Прокладка
Загрузка ...
11 47.656.08.1.009 Гайка М27х2 ГОСТ 5935-73
Загрузка ...
12 Маслёнка 1.2.ц6 ГОСТ 19853-74 Маслёнка 1.2.ц6 ГОСТ 19853-74
Загрузка ...
13 Манжета 1.2-80x105-1 ГОСТ8752-79 Манжета 1.2-80x105-1 ГОСТ8752-79
Загрузка ...
14 Подшипник 7508 ГОСТ333-79 Подшипник 7508 ГОСТ333-79
Загрузка ...
15 Подшипник 7511 ГОСТ333-79 Подшипник 7511 ГОСТ333-79
Загрузка ...
16 Шайба 8.65Г.05 ГОСТ 6402-70 Шайба 8.65Г.05 ГОСТ 6402-70
Загрузка ...
17 Шплинт 5х45 ГОСТ 397-79 Шплинт 5х45 ГОСТ 397-79
Загрузка ...
17 Диск с ободом, тип 330-462 (13" - 18") Диск с ободом, тип 330-462 (13" - 18")
Загрузка ...
19 Шина 16,5/70 -18 (1065х420 – 457) Шина 16,5/70 -18 (1065х420 – 457)
Загрузка ...
Содержащиеся в справочниках-каталогах запасные части и детали не предлагаются к продаже, а носят исключительно информационный характер
Сайт использует файлы cookie, обрабатываемые вашим браузером. Подробнее об этом вы можете узнать в Политике cookie.
Принять Настроить Отклонить