ЗАПАСНЫЕ ЧАСТИ К ПРИСПОСОБЛЕНИЯМ ДЛЯ УБОРКИ ПОДСОЛНЕЧНИКА, КУКУРУЗЫ, РАПСА, СОИ
ЗАПАСНЫЕ ЧАСТИ К КОСИЛКАМ, ГРАБЛЯМ-ВАЛКООБРАЗОВАТЕЛЯМ, СТОГОМЕТАТЕЛЯМ И ПОГРУЗЧИКАМ
РЕМНАБОРЫ РТИ, КОЛЬЦА УПЛОТНИТЕЛЬНЫЕ
МЕТИЗЫ (БОЛТОКРЕПЕЖ, ХОМУТЫ, ШПОНКИ)
| Позиция на иллюстрации | Заводской номер детали | Название детали | Цена | |
|---|---|---|---|---|
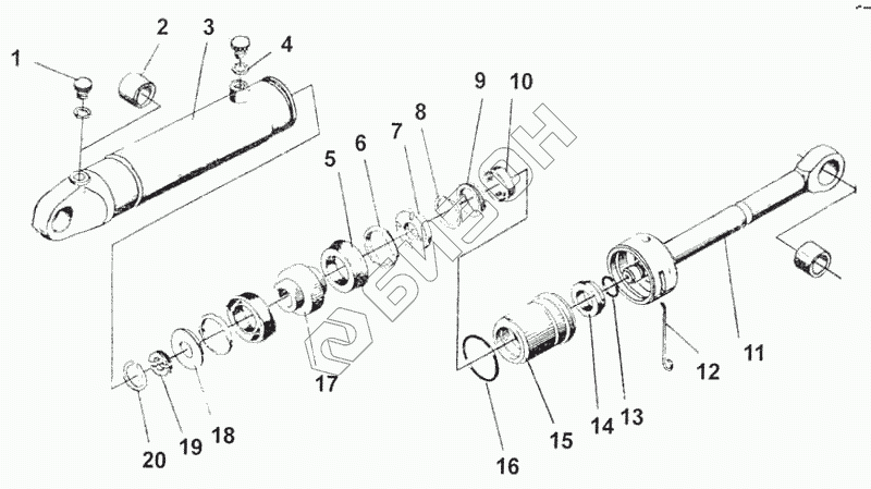
| Н.19.17.000 | Н.19.17.000 | Гидроцилиндр 1-80х250 |
Загрузка ...
|
|
| 1 | Н.19.01.005 | Пробка |
Загрузка ...
|
|
| 2 | Н.19.15.006 | Втулка |
Загрузка ...
|
|
| 3 | Н.19.17.010А | Корпус цилиндра |
Загрузка ...
|
|
| 4 | Н.19.01.002 | Шайба уплотнительная |
Загрузка ...
|
|
| 5 | Н.19.15.001 | Манжета |
Загрузка ...
|
|
| 6 | Н.19.15.003 | Упор |
Загрузка ...
|
|
| 7 | Н.19.5.401 | Шайба |
Загрузка ...
|
|
| 8 | Кольцо В60 ГОСТ 13941-68 | Кольцо В60 ГОСТ 13941-68 |
Загрузка ...
|
|
| 9 | Н.19.15.004 | Манжетодержатель |
Загрузка ...
|
|
| 10 | Н.19.15.002 | Манжета |
Загрузка ...
|
|
| 11 | Н.19.17.601А | Шток |
Загрузка ...
|
|
| 12 | Н.19.15.605А | Стопор |
Загрузка ...
|
|
| 13 | Кольцо 029-035-36-2-3 ГОСТ 9833-73 | Кольцо 029-035-36-2-3 ГОСТ 9833-73 |
Загрузка ...
|
|
| 14 | Н.0518 | Манжета грязесъемная |
Загрузка ...
|
|
| 15 | Н.19.15.101А | Втулка |
Загрузка ...
|
|
| 16 | Кольцо 070-080-58-2-2 ГОСТ 9833-73 | Кольцо 070-080-58-2-2 ГОСТ 9833-73 |
Загрузка ...
|
|
| 17 | Н.19.15.102А | Поршень |
Загрузка ...
|
|
| 18 | Н.19.15.402А | Шайба |
Загрузка ...
|
|
| 19 | Н.19.15.404 | Полукольцо |
Загрузка ...
|
|
| 20 | ГА 76696 | Кольцо стопорное |
Загрузка ...
|
Узнавайте первыми!
о новинках в отрасли, акциях магазина, новостях компании и многом другом!
Нажимая на кнопку “Подписаться”,
Вы соглашаетесь с
условиями обработки персональных данных
Обратный звонок
Оставьте ваши координаты и наш менеджер перезвонит Вам в течение 15 минут в рабочие часы компании.
Нажимая на кнопку “Заказать звонок”,
Вы соглашаетесь с условиями обработки персональных данных
Закажите услугу
Опишите, пожалуйста, ваш заказ на услугу или просто заполните контактную информацию и наши эскперты помогут решить вашу проблему!
Нажимая на кнопку “Отправить сообщение”,
Вы соглашаетесь с
условиями обработки персональных данных
Обратная связь
Нужен совет, как выбрать товар или использовать его? Не нашли нужную информацию на сайте? Напишите — наши эксперты помогут Вам!
Нажимая на кнопку “Отправить сообщение”,
Вы соглашаетесь с
условиями обработки персональных данных
Войти на сайт
Нет аккаунта? Зарегистрируйтесь на сайте
Регистрация