ЗАПАСНЫЕ ЧАСТИ К ПРИСПОСОБЛЕНИЯМ ДЛЯ УБОРКИ ПОДСОЛНЕЧНИКА, КУКУРУЗЫ, РАПСА, СОИ
ЗАПАСНЫЕ ЧАСТИ К КОСИЛКАМ, ГРАБЛЯМ-ВАЛКООБРАЗОВАТЕЛЯМ, СТОГОМЕТАТЕЛЯМ И ПОГРУЗЧИКАМ
РЕМНАБОРЫ РТИ, КОЛЬЦА УПЛОТНИТЕЛЬНЫЕ
МЕТИЗЫ (БОЛТОКРЕПЕЖ, ХОМУТЫ, ШПОНКИ)
| Позиция на иллюстрации | Заводской номер детали | Название детали | Цена | |
|---|---|---|---|---|
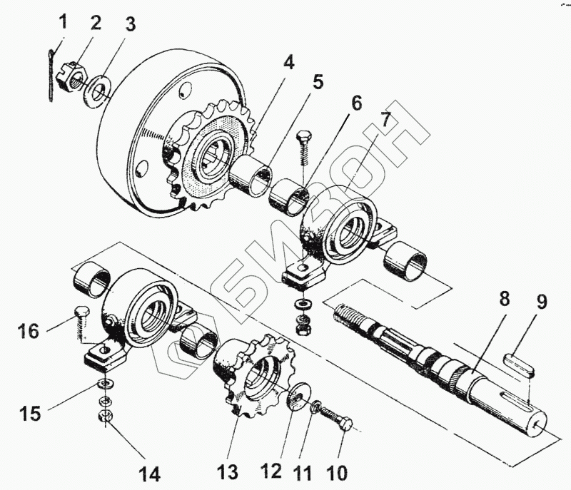
| СПС-08650 | СПС-08650 | Вал левый |
Загрузка ...
|
|
| 1 | Шплинт 5х45-019 ГОСТ 397-79 | Шплинт 5х45-019 ГОСТ 397-79 |
Загрузка ...
|
|
| 2 | Гайка М24-6Н.6.019 ГОСТ 5919-73 | Гайка М24-6Н.6.019 ГОСТ 5919-73 |
Загрузка ...
|
|
| 3 | Шайба С.24.02.0 19 ГОСТ 11371-78 | Шайба С.24.02.0 19 ГОСТ 11371-78 |
Загрузка ...
|
|
| 4 | СПС-08550 | Муфта предохранительная с сигнализатором (47881802158) |
Загрузка ...
|
|
| 5 | КТ-70809-08 | Втулка |
Загрузка ...
|
|
| 6 | РКС6.05802 | Втулка |
Загрузка ...
|
|
| 7 | РКС6.05200-01 | Подшипниковый узел |
Загрузка ...
|
|
| 8 | СПС-08663 | Вал |
Загрузка ...
|
|
| 9 | Шпонка 10х8х40 ГОСТ 23360-78 | Шпонка 10х8х40 ГОСТ 23360-78 |
Загрузка ...
|
|
| 10 | Болт М12-6qх25.58.019 ГОСТ 7796-70 | Болт М12-6qх25.58.019 ГОСТ 7796-70 |
Загрузка ...
|
|
| 11 | Шайба 12.65Г.05 ГОСТ 6402-70 | Шайба 12.65Г.05 ГОСТ 6402-70 |
Загрузка ...
|
|
| 12 | КТ-4032 | Шайба специальная |
Загрузка ...
|
|
| 13 | СПС-08631 | Полумуфта |
Загрузка ...
|
|
| 14 | Гайка М12-6Н.6.019 ГОСТ 5915-70 | Гайка М12-6Н.6.019 ГОСТ 5915-70 |
Загрузка ...
|
|
| 15 | Шайба С 12х2.02.0 19 ГОСТ 11371-78 | Шайба С 12х2.02.0 19 ГОСТ 11371-78 |
Загрузка ...
|
|
| 16 | Болт М12-6qх40.58.019 ГОСТ 7796-70 | Болт М12-6qх40.58.019 ГОСТ 7796-70 |
Загрузка ...
|
Узнавайте первыми!
о новинках в отрасли, акциях магазина, новостях компании и многом другом!
Нажимая на кнопку “Подписаться”,
Вы соглашаетесь с
условиями обработки персональных данных
Обратный звонок
Оставьте ваши координаты и наш менеджер перезвонит Вам в течение 15 минут в рабочие часы компании.
Нажимая на кнопку “Заказать звонок”,
Вы соглашаетесь с условиями обработки персональных данных
Закажите услугу
Опишите, пожалуйста, ваш заказ на услугу или просто заполните контактную информацию и наши эскперты помогут решить вашу проблему!
Нажимая на кнопку “Отправить сообщение”,
Вы соглашаетесь с
условиями обработки персональных данных
Обратная связь
Нужен совет, как выбрать товар или использовать его? Не нашли нужную информацию на сайте? Напишите — наши эксперты помогут Вам!
Нажимая на кнопку “Отправить сообщение”,
Вы соглашаетесь с
условиями обработки персональных данных
Войти на сайт
Нет аккаунта? Зарегистрируйтесь на сайте
Регистрация