ЗАПАСНЫЕ ЧАСТИ К ПРИСПОСОБЛЕНИЯМ ДЛЯ УБОРКИ ПОДСОЛНЕЧНИКА, КУКУРУЗЫ, РАПСА, СОИ
ЗАПАСНЫЕ ЧАСТИ К КОСИЛКАМ, ГРАБЛЯМ-ВАЛКООБРАЗОВАТЕЛЯМ, СТОГОМЕТАТЕЛЯМ И ПОГРУЗЧИКАМ
РЕМНАБОРЫ РТИ, КОЛЬЦА УПЛОТНИТЕЛЬНЫЕ
МЕТИЗЫ (БОЛТОКРЕПЕЖ, ХОМУТЫ, ШПОНКИ)
 
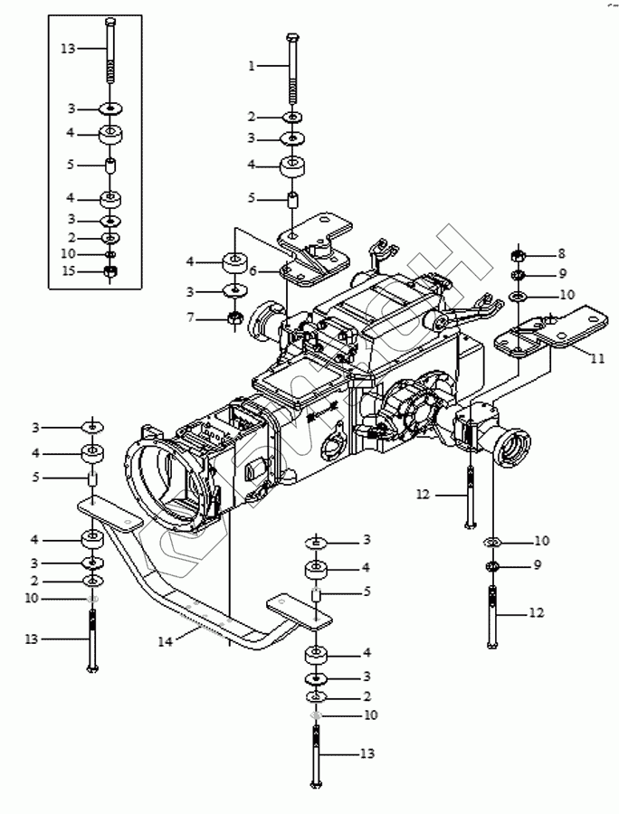
              | Позиция на иллюстрации | Заводской номер детали | Название детали | Цена | |
|---|---|---|---|---|
| 1 | Q151B16120 | Болт | 
                  
                  Загрузка ...
                 | |
| 2 | Q40216 | Шайба | 
                  
                  Загрузка ...
                 | |
| 3 | FT65.47.612 | Dumped washer | 
                  
                  Загрузка ...
                 | |
| 4 | FT65.47.613 | Dumped washer | 
                  
                  Загрузка ...
                 | |
| 5 | FT65.47.614 | Sleeve | 
                  
                  Загрузка ...
                 | |
| 6 | FT65.47.642 | Connecting Bracket,hexagon flange | 
                  
                  Загрузка ...
                 | |
| 7 | Q33016 | Wmetallic locking nut,hexagon flange | 
                  
                  Загрузка ...
                 | |
| 8 | Q360B16 | Hexagon nut | 
                  
                  Загрузка ...
                 | |
| 9 | Q40316 | Шайба пружинная | 
                  
                  Загрузка ...
                 | |
| 10 | Q40116 | Плоская шайба | 
                  
                  Загрузка ...
                 | |
| 11 | FT65.47.632 | Connecting Bracket,left rear | 
                  
                  Загрузка ...
                 | |
| 12 | FT65.47.662 | Large hexagon bolt | 
                  
                  Загрузка ...
                 | |
| 13 | Q151B16090 | Hexagon held bolt | 
                  
                  Загрузка ...
                 | |
| 13 | GB/T5785-2000 | Bolt M16x1.5x110-Zn.d | 
                  
                  Загрузка ...
                 | |
| 14 | FT65.47.053 | U-bracket,left rear | 
                  
                  Загрузка ...
                 | |
| 15 | GB/T6176-1988 | Nut M16 | 
                  
                  Загрузка ...
                 | 
Узнавайте первыми!
о новинках в отрасли, акциях магазина, новостях компании и многом другом!
									Нажимая на кнопку “Подписаться”,
									Вы соглашаетесь с
									условиями обработки персональных данных
								
Обратный звонок
Оставьте ваши координаты и наш менеджер перезвонит Вам в течение 15 минут в рабочие часы компании.
Нажимая на кнопку “Заказать звонок”,
						Вы соглашаетесь с условиями обработки персональных данных
					
Закажите услугу
Опишите, пожалуйста, ваш заказ на услугу или просто заполните контактную информацию и наши эскперты помогут решить вашу проблему!
						Нажимая на кнопку “Отправить сообщение”,
						Вы соглашаетесь с
						условиями обработки персональных данных
					
Обратная связь
Нужен совет, как выбрать товар или использовать его? Не нашли нужную информацию на сайте? Напишите — наши эксперты помогут Вам!
						Нажимая на кнопку “Отправить сообщение”,
						Вы соглашаетесь с
						условиями обработки персональных данных
					
Войти на сайт
Нет аккаунта? Зарегистрируйтесь на сайте
Регистрация