Графический каталог запасных частей к технике: Gaspardo Сеялка MAXIMETRO. DOSER

zoom-in zoom-out enlarge shrink circle-right circle-left file-text2 info cart spinner6
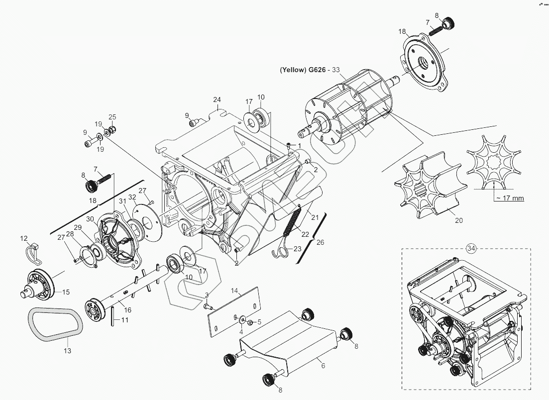
1
2
2
3
4
5
6
7
7
8
8
8
8
9
9
10
10
11
12
13
14
15
16
17
17
18
18
19
19
20
21
22
23
24
25
26
27
27
28
29
30
31
32
33
34
Позиция на иллюстрации Заводской номер детали Название детали Цена
1 F01040026 Bolt
Загрузка ...
2 F01050037 Grub-bolt
Загрузка ...
3 F01020419 BOLT M6X1X16 U5739 8.8 IX
Загрузка ...
4 F01420038 WASHER M6 6,4X18X2 U6593 IX
Загрузка ...
5 F01230024 Norm.self-locking nut
Загрузка ...
6 G16125261 Assy lower chute roller ix
Загрузка ...
7 F01050040 Grub-bolt
Загрузка ...
8 F06220037 Volantino
Загрузка ...
9 F01040090 Bolt
Загрузка ...
10 F04010132 Bearing
Загрузка ...
11 F02100316 Pin
Загрузка ...
12 F02200595 Pin x gear
Загрузка ...
13 F03011142 O-ring gasket
Загрузка ...
14 G16124600 Tastatore in gomma
Загрузка ...
15 G16125241 Mont.albero trascin.rullo
Загрузка ...
16 G16124421 Agitator shaft
Загрузка ...
17 G18701920 Washer
Загрузка ...
18 G16124511 Mont.flangia porta cusc.rullo
Загрузка ...
19 F01410050 Washer
Загрузка ...
20 G16063070 Wheel g313
Загрузка ...
21 G16060160 Large hatch
Загрузка ...
22 G18904170 Large hatch spring
Загрузка ...
23 G16060170 Hook inox
Загрузка ...
24 G16125151 Corpo distrib.stagno alluminio
Загрузка ...
25 F01230032 Nut
Загрузка ...
26 G16060050 Sportello grande compl.
Загрузка ...
27 F01070122 Bolt
Загрузка ...
28 G16126880 Bearing lock ix
Загрузка ...
29 F04010161 Bearing
Загрузка ...
30 G19006430 Supp.cusc.rullo dosat.grinta s
Загрузка ...
31 F03010062 Sealing ring
Загрузка ...
32 G16125691 Dustcover rear guard frd
Загрузка ...
33 G16124150 Roller support
Загрузка ...
34 G16125191 Compl. Fertilizer metering sx
Загрузка ...
Содержащиеся в справочниках-каталогах запасные части и детали не предлагаются к продаже, а носят исключительно информационный характер
Сайт использует файлы cookie, обрабатываемые вашим браузером. Подробнее об этом вы можете узнать в Политике cookie.
Принять Настроить Отклонить