ЗАПАСНЫЕ ЧАСТИ К ПРИСПОСОБЛЕНИЯМ ДЛЯ УБОРКИ ПОДСОЛНЕЧНИКА, КУКУРУЗЫ, РАПСА, СОИ
ЗАПАСНЫЕ ЧАСТИ К КОСИЛКАМ, ГРАБЛЯМ-ВАЛКООБРАЗОВАТЕЛЯМ, СТОГОМЕТАТЕЛЯМ И ПОГРУЗЧИКАМ
РЕМНАБОРЫ РТИ, КОЛЬЦА УПЛОТНИТЕЛЬНЫЕ
МЕТИЗЫ (БОЛТОКРЕПЕЖ, ХОМУТЫ, ШПОНКИ)
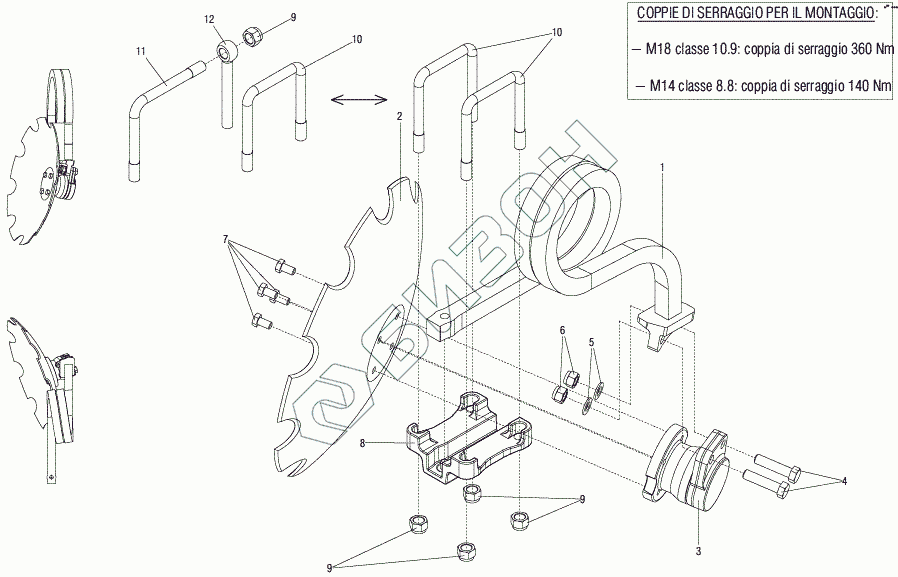
| Позиция на иллюстрации | Заводской номер детали | Название детали | Цена | |
|---|---|---|---|---|
| 1 | R18124030 | ASS. SPRING SX |
Загрузка ...
|
|
| 2 | R18120080 | Disk |
Загрузка ...
|
|
| 3 | R18124400 | Hub ufo c2 |
Загрузка ...
|
|
| 4 | F01020298 | Screw |
Загрузка ...
|
|
| 5 | F01450030 | Washer |
Загрузка ...
|
|
| 6 | F01230098 | NUT M18X2,5 D982 8 ZN |
Загрузка ...
|
|
| 7 | F01020539 | Bolt |
Загрузка ...
|
|
| 8 | R18125250 | Fixing plate |
Загрузка ...
|
|
| 9 | F01230131 | NUT M20X2,5 D982 6 ZN |
Загрузка ...
|
|
| 10 | R18120090 | U bolt |
Загрузка ...
|
|
| 11 | R18125740 | Tie-rod |
Загрузка ...
|
|
| 12 | R18125400 | Eyebolt |
Загрузка ...
|
Узнавайте первыми!
о новинках в отрасли, акциях магазина, новостях компании и многом другом!
Нажимая на кнопку “Подписаться”,
Вы соглашаетесь с
условиями обработки персональных данных
Обратный звонок
Оставьте ваши координаты и наш менеджер перезвонит Вам в течение 15 минут в рабочие часы компании.
Нажимая на кнопку “Заказать звонок”,
Вы соглашаетесь с условиями обработки персональных данных
Закажите услугу
Опишите, пожалуйста, ваш заказ на услугу или просто заполните контактную информацию и наши эскперты помогут решить вашу проблему!
Нажимая на кнопку “Отправить сообщение”,
Вы соглашаетесь с
условиями обработки персональных данных
Обратная связь
Нужен совет, как выбрать товар или использовать его? Не нашли нужную информацию на сайте? Напишите — наши эксперты помогут Вам!
Нажимая на кнопку “Отправить сообщение”,
Вы соглашаетесь с
условиями обработки персональных данных
Войти на сайт
Нет аккаунта? Зарегистрируйтесь на сайте
Регистрация