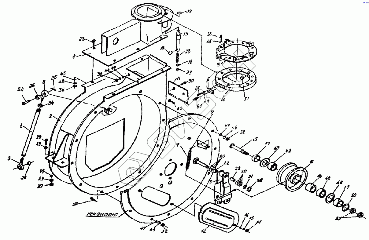
Графический каталог запасных частей к технике: Гомсельмаш КСН-6. Швырялка (КСН0110000)

zoom-in zoom-out enlarge shrink circle-right circle-left file-text2 info cart spinner6
1
2
3
4
5
6
7
7
8
9
10
11
12
13
14
15
16
16
17
17
18
19
20
20
20
21
22
22
23
24
25
26
26
27
27
28
28
29
30
30
31
32
32
33
34
35
36
37
38
38
38
39
39
40
41
42
42
43
44
44
44
44
44
45
46
47
47
48
49
49
50
51
Позиция на иллюстрации Заводской номер детали Название детали Цена
КСН0110000 КСН0110000 Швырялка
Загрузка ...
КСН0100630 КСН0100630 Тяга
Загрузка ...
КСН0110040 КСН0110040 Натяжное устройство
Загрузка ...
1 КСН0100640 Труба
Загрузка ...
2 КСН0110020 Каркас
Загрузка ...
3 КСН0110030 Опора
Загрузка ...
4 КСН0110070 Горловина
Загрузка ...
5 КСН0110130 Рычаг
Загрузка ...
6 КСН0110140 Пробка
Загрузка ...
7 КСН0100651 Пружина
Загрузка ...
8 КСН0100653 Головка
Загрузка ...
9 КСН0100653-01 Головка
Загрузка ...
10 КСН0110202 Ролик
Загрузка ...
11 КСН0110424 Пластина
Загрузка ...
12 КСН0110428 Крышка
Загрузка ...
13 КСН0110604 Фиксатор
Загрузка ...
14 КСН0110606 Кольцо пружинное
Загрузка ...
15 КСН0110611 Ось
Загрузка ...
16 КСН0110801 Кольцо
Загрузка ...
17 КСН0110804 Кольцо
Загрузка ...
18 КСН0110805 Втулка распорная
Загрузка ...
19 А61.05.001 Кольцо
Загрузка ...
20 КИС0103431 Шайба регулировочная
Загрузка ...
20 КИС0103431 Шайба регулировочная
Загрузка ...
21 КИС0602434 Шайба регулировочная
Загрузка ...
22 КРН0000001 Втулка
Загрузка ...
23 МКС0150603 Пружина
Загрузка ...
24 ПКК0450605 Палец
Загрузка ...
25 ЖКЛ0000609 Шплинт
Загрузка ...
26 6-12Ж-26015 Шар
Загрузка ...
27 [Болт М10-6gх20-7796] Болт М10-6gх20-7796
Загрузка ...
28 [Болт М12-6gх35-7796] Болт М12-6gх35-7796
Загрузка ...
29 [Болт М16х1,5-6gх50-7796] Болт М16х1,5-6gх50-7796
Загрузка ...
30 [Болт М10-6gх25-7802] Болт М10-6gх25-7802
Загрузка ...
31 [Гайка М8-6g-2526] Гайка М8-6g-2526
Загрузка ...
32 [Гайка М10-6g-2526] Гайка М10-6g-2526
Загрузка ...
33 [Гайка М16х1,5-6g-2526] Гайка М16х1,5-6g-2526
Загрузка ...
34 [Гайка М20-6g-2526] Гайка М20-6g-2526
Загрузка ...
35 [Гайка М24-6g-2526] Гайка М24-6g-2526
Загрузка ...
36 [Гайка М12-6g-5915] Гайка М12-6g-5915
Загрузка ...
37 [Гайка М16х1,5-6g-5915] Гайка М16х1,5-6g-5915
Загрузка ...
38 [Кольцо А30-13940] Кольцо А30-13940
Загрузка ...
39 [Кольцо А35-13941] Кольцо А35-13941
Загрузка ...
40 [Кольцо Б62-13941] Кольцо Б62-13941
Загрузка ...
41 [Масленка 1.2-19853] Масленка 1.2-19853
Загрузка ...
42 [Подшипник 180206-8889] Подшипник 180206-8889
Загрузка ...
43 [Шайба 8.65Г-6402] Шайба 8.65Г-6402
Загрузка ...
44 [Шайба 10.65Г-6402] Шайба 10.65Г-6402
Загрузка ...
45 [Шайба 12.65Г-6402] Шайба 12.65Г-6402
Загрузка ...
46 [Шайба А8.65Г-6958] Шайба А8.65Г-6958
Загрузка ...
47 [Шайба А10.65Г-6958] Шайба А10.65Г-6958
Загрузка ...
48 [Шайба А12.65Г-6958] Шайба А12.65Г-6958
Загрузка ...
49 [Шайба 16.01-11371] Шайба 16.01-11371
Загрузка ...
50 [Шайба С24.01-11371] Шайба С24.01-11371
Загрузка ...
51 [Шарик 14.288.60] Шарик 14.288.60
Загрузка ...
Содержащиеся в справочниках-каталогах запасные части и детали не предлагаются к продаже, а носят исключительно информационный характер