Графический каталог запасных частей к технике: Lemken Rubin 10/700 KUA. 51210068 Bracket

zoom-in zoom-out enlarge shrink circle-right circle-left file-text2 info cart spinner6
1
1
2
4
4
5
5
6
6
6
6
6
6
7
9
9
9
9
9
9
9
10
10
12
12
13
13
13
13
14
14
14
14
14
14
14
15
15
15
15
16
17
18
18
19
19
20
21
22
22
23
24
25
26
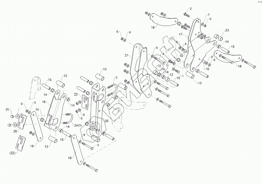
Позиция на иллюстрации Заводской номер детали Название детали Цена
1 301 3324 Screw
Загрузка ...
2 301 3364 Hexagon bolt
Загрузка ...
4 301 3482 Hexagon bolt
Загрузка ...
5 301 7804 U-bolt
Загрузка ...
6 303 0934 Гайка шлицевая NM12-8 Zn DIN985
Загрузка ...
7 305 6137 Washer
Загрузка ...
9 305 8580 Шайба 13/24x2,5 St-Zn DIN125
Загрузка ...
10 317 6689 Tube
Загрузка ...
11 317 7668 Bush
Загрузка ...
12 31710321 Tube
Загрузка ...
13 31710322 Tube
Загрузка ...
14 31710323 Flange bushing
Загрузка ...
15 31710324 Distance tube
Загрузка ...
16 41210322 Plate
Загрузка ...
17 41210323 Plate
Загрузка ...
18 41210324 Articulated arm
Загрузка ...
19 41210325 Articulated arm
Загрузка ...
20 41210326 Plate
Загрузка ...
21 41210327 Plate
Загрузка ...
22 45910043 Clamping plate
Загрузка ...
23 31710359 Tube
Загрузка ...
24 30110734 U-bolt
Загрузка ...
25 30310150 Cap nut
Загрузка ...
26 45910047 Clamping plate
Загрузка ...
Содержащиеся в справочниках-каталогах запасные части и детали не предлагаются к продаже, а носят исключительно информационный характер
Сайт использует файлы cookie, обрабатываемые вашим браузером. Подробнее об этом вы можете узнать в Политике cookie.
Принять Настроить Отклонить