| Позиция на иллюстрации | Заводской номер детали | Название детали | Цена | |
|---|---|---|---|---|
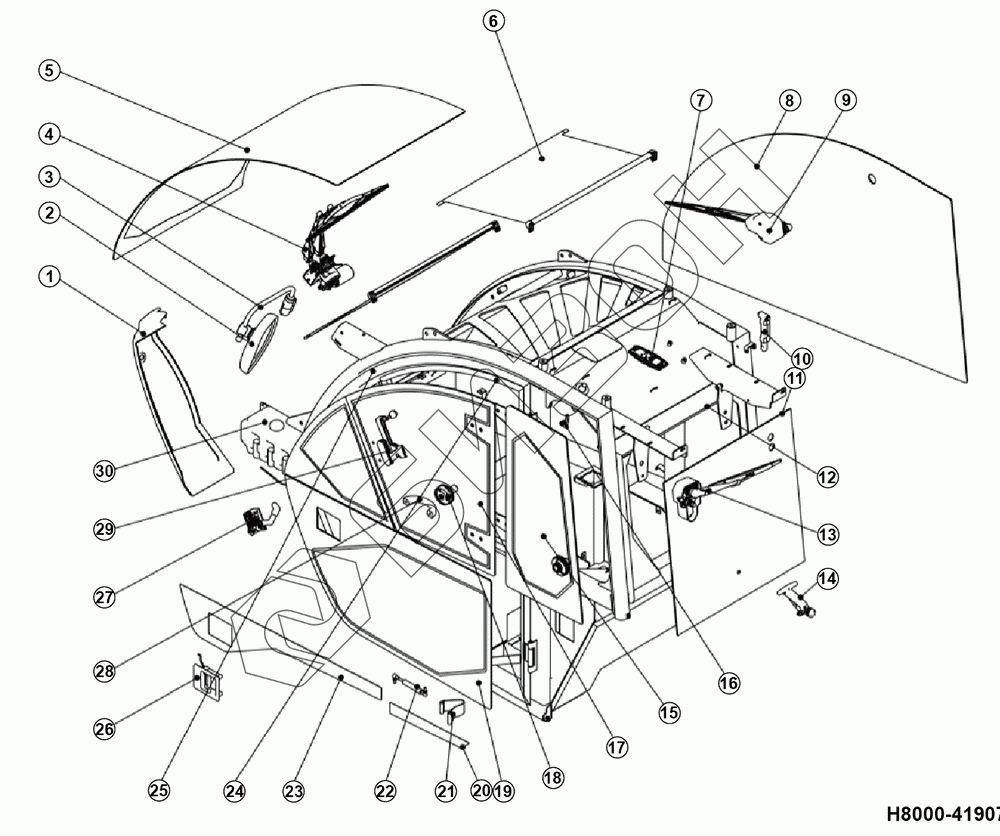
| H8000-4190708241 | H8000-4190708241 | Кабина 236000009(10570) |
Загрузка ...
|
|
| 1 | 4190708241001 | Левый передний корпус 236500031 |
Загрузка ...
|
|
| 2 | 4190708464004 | Заднее зеркало в сборе 232300235 (Колесный экскаватор 6100) |
Загрузка ...
|
|
| 3 | 4190708464005 | Кронштейн заднего зеркала 235300045 |
Загрузка ...
|
|
| 4 | 4190708241002 | Комплект переднего стеклоочистителя 236400003 (H735) |
Загрузка ...
|
|
| 5 | 4190708241003 | Переднее стекло 236700002 (H735) |
Загрузка ...
|
|
| 6 | 4190708241004 | Тент от солнца 236500024 |
Загрузка ...
|
|
| 7 | 4190708464009 | Комплект ламп для внутреннего освещения 235200006(12 В) |
Загрузка ...
|
|
| 8 | 4190708241005 | Правое стекло 236700001 (H735) |
Загрузка ...
|
|
| 9 | 4190705097022 | Правый стеклоочиститель в сборе 235200002 |
Загрузка ...
|
|
| 10 | 4190703955110 | Предохранительный молоток 231300093 |
Загрузка ...
|
|
| 11 | 4190708241006 | Заднее стекло 236700003 (H735) |
Загрузка ...
|
|
| 12 | 4190708241007 | Резиновая полоса заднего стекла 236500026 (H735) |
Загрузка ...
|
|
| 13 | 4190708241008 | Комплект заднего стеклоочистителя 236400004 (H735) |
Загрузка ...
|
|
| 14 | 4190708464012 | Т-образная опора заднего стекла 235300044 |
Загрузка ...
|
|
| 15 | 4190708241009 | Левое заднее стекло 236700004 (H735) |
Загрузка ...
|
|
| 16 | 4190708464013 | Крючок для одежды 237300053(953N) |
Загрузка ...
|
|
| 17 | 4190705097020 | Верхнее стекло задней двери LH 235300014 |
Загрузка ...
|
|
| 18 | 4190704495 | Фиксатор 235300030 |
Загрузка ...
|
|
| 19 | 4190708464018 | Стекло левой двери 236700033 |
Загрузка ...
|
|
| 20 | 4190708241010 | Левый задний указатель 236500027 (H735) |
Загрузка ...
|
|
| 21 | 4190708464014 | Ограничительный ремень 235300028 |
Загрузка ...
|
|
| 22 | 4190708464015 | Газовая пружина 235300034 |
Загрузка ...
|
|
| 23 | 4190708464017 | Кабина с наклейкой 235300035 |
Загрузка ...
|
|
| 24 | 4190705097013 | Планка стекла задней двери кабины LH 235300033 |
Загрузка ...
|
|
| 25 | 4190708464020 | Резиновая полоса левой двери 235300032 |
Загрузка ...
|
|
| 26 | 4190708464019 | Ручка левой двери 235300027 |
Загрузка ...
|
|
| 27 | 4190708464003 | Корпус замка левой двери 235300025 |
Загрузка ...
|
|
| 28 | 4190707693 | Ручка 232300161 |
Загрузка ...
|
|
| 29 | 4190705097012 | Ручка из стекла 235300046 |
Загрузка ...
|
|
| 30 | 4190708464006 | Набор для чайника 235200005 |
Загрузка ...
|
Узнавайте первыми!
о новинках в отрасли, акциях магазина, новостях компании и многом другом!
Нажимая на кнопку “Подписаться”,
Вы соглашаетесь с
условиями обработки персональных данных
Обратный звонок
Оставьте ваши координаты и наш менеджер перезвонит Вам в течение 15 минут в рабочие часы компании.
Нажимая на кнопку “Заказать звонок”,
Вы соглашаетесь с условиями обработки персональных данных
Закажите услугу
Опишите, пожалуйста, ваш заказ на услугу или просто заполните контактную информацию и наши эскперты помогут решить вашу проблему!
Нажимая на кнопку “Отправить сообщение”,
Вы соглашаетесь с
условиями обработки персональных данных
Обратная связь
Нужен совет, как выбрать товар или использовать его? Не нашли нужную информацию на сайте? Напишите — наши эксперты помогут Вам!
Нажимая на кнопку “Отправить сообщение”,
Вы соглашаетесь с
условиями обработки персональных данных
Войти на сайт
Нет аккаунта? Зарегистрируйтесь на сайте
Регистрация