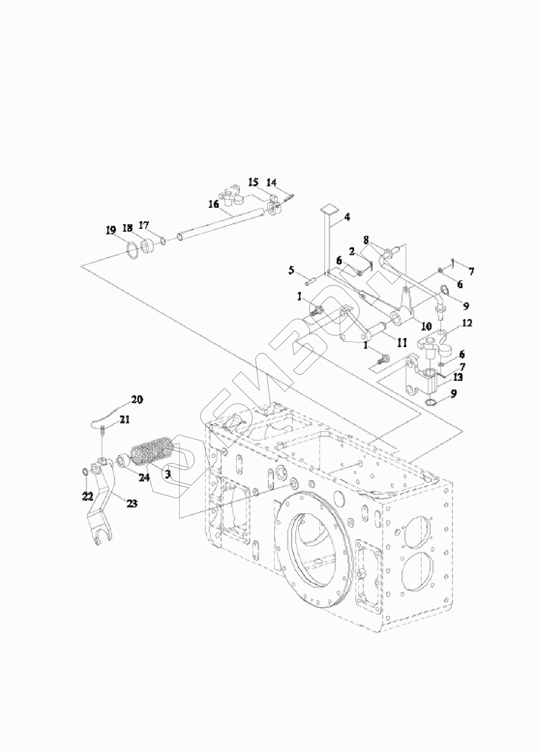
Графический каталог запасных частей к технике: LOVOL TD1SA904-029K. Механизм управления блокировкой дифференциала

zoom-in zoom-out enlarge shrink circle-right circle-left file-text2 info cart spinner6
1
1
2
3
4
5
6
6
6
7
7
8
9
9
10
11
12
13
14
15
16
17
18
19
20
21
22
23
24
Позиция на иллюстрации Заводской номер детали Название детали Цена
TS06383010000 TS06383010000 Механизм управления блокировкой дифференциала в сборе
Загрузка ...
1 GBT16674.1-M10X20-8.8-A3L Болт шестигранный фланцевый M10X20-8.8-A3L
Загрузка ...
2 GBT91-2X20-A3L Шплинт разводной 2X20-A3L
Загрузка ...
3 FT800.38.112 Пружина блокировки дифференциала
Загрузка ...
4 TS06383010001 Фитинг педали
Загрузка ...
5 GBT882-B8X24-A3L Штифт B8X24-A3L
Загрузка ...
6 GBT95-8-A3L Шайба плоская
Загрузка ...
7 GBT91-3.2X25-A3L Шплинт разводной 3.2X25-A3L
Загрузка ...
8 FT800A.38.258 Тяга рычага
Загрузка ...
9 GBT894.1-20 Кольцо упругое стопорное для вала
Загрузка ...
10 TS06383010004 Сварка коромысел
Загрузка ...
11 FT800A.38.252 Вал вращения
Загрузка ...
12 FT800A.38.250 Блок переключения
Загрузка ...
13 FT800A.38.251 Кронштейн опорный
Загрузка ...
14 QLWZB140-8X40 Штифт свернутый пружинный цилиндрический 8X40
Загрузка ...
15 FT800.38.109 Блок переключения
Загрузка ...
16 FT800.38.111 Вал вилки блокировки дифференциала
Загрузка ...
17 GBT3452.1-20.0X2.65G Кольцо уплотнительное резиновое для гидропневматики 20.0X2.65G
Загрузка ...
18 FT800A.38.259 Втулка
Загрузка ...
19 GBT3452.1-30.0X2.65G Кольцо уплотнительное резиновое для гидропневматики 30.0X2.65G
Загрузка ...
20 TF1004.374-02 Проволока стальная низкоуглеродистая СЗ-1,4х250
Загрузка ...
21 FT800.37.194 Винт установочный
Загрузка ...
22 Q72220 Элемент чашеобразный штекерный
Загрузка ...
23 FT800.38.114 Вилка блокировки дифференциала
Загрузка ...
24 FT800.38.206 Проставка
Загрузка ...
Содержащиеся в справочниках-каталогах запасные части и детали не предлагаются к продаже, а носят исключительно информационный характер