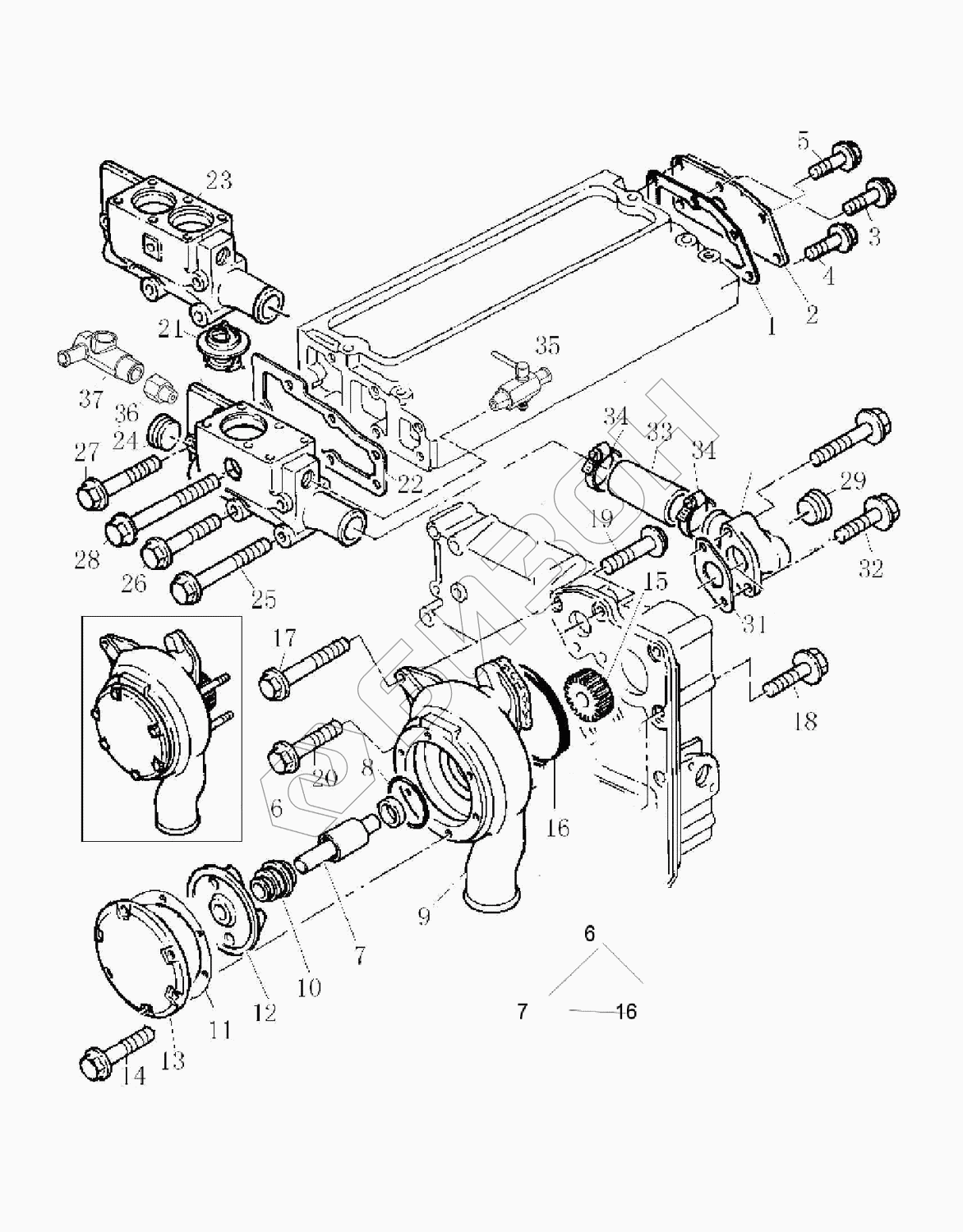
Графический каталог запасных частей к технике: LOVOL TD1SA904-029K. Насос водяной, термостат

zoom-in zoom-out enlarge shrink circle-right circle-left file-text2 info cart spinner6
1
2
3
4
5
6
17
18
19
20
21
22
23
24
25
26
27
28
29
31
32
33
34
34
35
36
37
Позиция на иллюстрации Заводской номер детали Название детали Цена
1 T3685R005 Подушка
Загрузка ...
2 T3623K007 Крышка
Загрузка ...
3 T2314H002 Болт
Загрузка ...
4 T2314H003 Болт
Загрузка ...
5 T2314J002 Болт
Загрузка ...
6 T4131E011C Насос водяной
Загрузка ...
17 T2314H015 Болт
Загрузка ...
18 T2314N043 Болт
Загрузка ...
19 T2314H006 Болт
Загрузка ...
20 T2314H006 Болт
Загрузка ...
21 T74405006 Термостат
Загрузка ...
22 T3685F005 Подушка
Загрузка ...
23 T3771K121E Корпус картера
Загрузка ...
24 Q618B03 Ввёртыш
Загрузка ...
25 T2314J013 Болт
Загрузка ...
26 T2314H015 Болт
Загрузка ...
27 T2314H008 Болт
Загрузка ...
28 T2314J004 Болт
Загрузка ...
29 T2431154 Блокировка
Загрузка ...
30 T3764E061A Тройник переходный
Загрузка ...
31 T3683N004 Прокладка
Загрузка ...
32 T2314H004 Болт
Загрузка ...
33 T757050019 Шланг резиновый
Загрузка ...
34 T715020029 Якорь
Загрузка ...
35 T712410014M Выключатель
Загрузка ...
36 Q618B03 Резьбовая пробка
Загрузка ...
37 T712020108 Стык
Загрузка ...
Содержащиеся в справочниках-каталогах запасные части и детали не предлагаются к продаже, а носят исключительно информационный характер