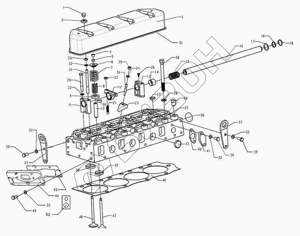
Графический каталог запасных частей к технике: LOVOL TD1SA904-049K. Головка блока цилиндров

zoom-in zoom-out enlarge shrink circle-right circle-left file-text2 info cart spinner6
1
2
3
4
5
6
7
8
9
10
11
12
13
14
15
16
17
18
19
20
21
22
23
24
25
26
27
28
29
30
31
32
32
32
32
32
32
33
34
35
36
37
37
38
39
39
39
40
41
42
43
44
45
46
47
48
49
50
51
52
Позиция на иллюстрации Заводской номер детали Название детали Цена
4RMIZT22-LW3-4 4RMIZT22-LW3-4 Двигатель
Загрузка ...
1 R010025-001 Болт
Загрузка ...
2 R010017-001 Кольцо прокладочное
Загрузка ...
3 R110100-001 Кожух крышки цилиндра
Загрузка ...
4 R010006-001 Колпак защитный
Загрузка ...
5 R010005-001 Зажим замочный
Загрузка ...
6 R010004-001 Гнездо пружины
Загрузка ...
7 R010023-001 Пружина клапана наружная
Загрузка ...
8 R010022-001 Плечо внутреннее и ограничитель поршня
Загрузка ...
9 R010015-001 Втулка
Загрузка ...
10 R010104-001 Втулка клапанная
Загрузка ...
11 R010206-001 Гнездо качающегося рычага
Загрузка ...
12 R010251-001 Коромысло клапана
Загрузка ...
13 R010205-001 Гнездо качающегося рычага
Загрузка ...
14 R010252-001 Втулка
Загрузка ...
15 R010202-001 Пружина
Загрузка ...
16 R010201-001 Вал
Загрузка ...
17 R010204-001 Кольцо прокладочное
Загрузка ...
18 R010203-001 Пружина
Загрузка ...
19 25GB894.1 Кольцо стопорное
Загрузка ...
20 M10X80GB5782 Болт с шестигранной головкой
Загрузка ...
21 R010208-001 Винт регулировочный
Загрузка ...
22 M10GB6173-8-H.Y Болт
Загрузка ...
23 R010008-002 Плита нажимная
Загрузка ...
24 10GB849 Кольцо прокладочное
Загрузка ...
25 M10GB6170-8-H.Y Болт
Загрузка ...
26 R010207-001 Винт
Загрузка ...
27 R010108-004 Пробка
Загрузка ...
28 R010012-001 Кольцо прокладочное
Загрузка ...
29 R010109-001 Пробка резьбовая
Загрузка ...
30 R010007-001 Болт
Загрузка ...
31 R010016-001 Шпилька гнезда качалки
Загрузка ...
32 10GB848-140HV-ZnD Шайба небольшая
Загрузка ...
33 M10GB6170-8-H.Y Болт
Загрузка ...
34 AM10X40GB898-8.8-Zn.D Шпилька с двойной головкой
Загрузка ...
35 R010101-008 Крышка цилиндра
Загрузка ...
36 R010105-001 Пробка
Загрузка ...
37 R010009-008 Кронштейн
Загрузка ...
38 R010114-002 Клапан впускной
Загрузка ...
39 M10X20GB5783 Болт
Загрузка ...
40 R010013-002 Подушка
Загрузка ...
41 R010401-001 Фланец
Загрузка ...
42 R010116-002 Клапан выпускной
Загрузка ...
43 R010106-001 Пробка
Загрузка ...
44 R010026-002 Накладка
Загрузка ...
45 R010027-002 Подушка
Загрузка ...
46 R010011-002 Подушка
Загрузка ...
47 R010002-006 Клапан выпускной
Загрузка ...
48 R010001-006 Клапан впускной
Загрузка ...
49 M10X25GB5783 Болт
Загрузка ...
50 R010024-001 Сальник клапана
Загрузка ...
51 R110001-011 Кольцо уплотнительное
Загрузка ...
52 R080024-014 Кронштейн
Загрузка ...
Содержащиеся в справочниках-каталогах запасные части и детали не предлагаются к продаже, а носят исключительно информационный характер
Сайт использует файлы cookie, обрабатываемые вашим браузером. Подробнее об этом вы можете узнать в Политике cookie.
Принять Настроить Отклонить