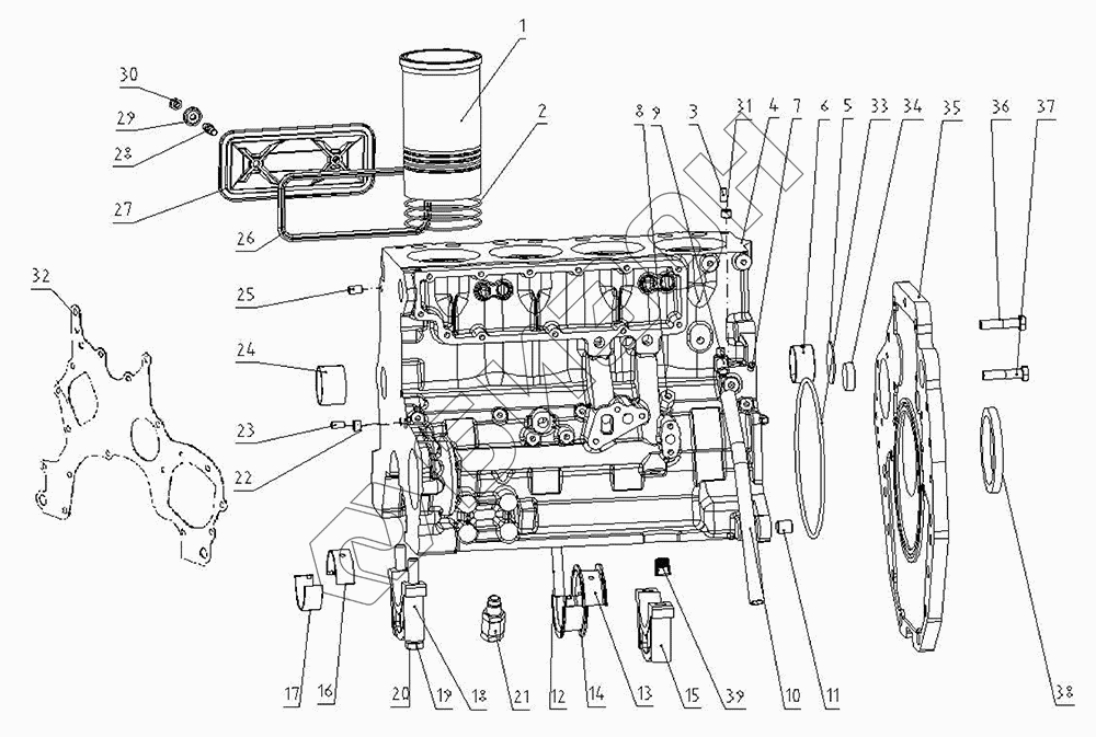
| Позиция на иллюстрации | Заводской номер детали | Название детали | Цена | |
|---|---|---|---|---|
| 4RMIZT22-LW3-1 | 4RMIZT22-LW3-1 | Двигатель |
Загрузка ...
|
|
| 1 | R020001-002 | Рубашка цилидра |
Загрузка ...
|
|
| 2 | R020002-002 | Кольцо фонарное |
Загрузка ...
|
|
| 3 | A10X20GB119 | Штифт цилиндрический |
Загрузка ...
|
|
| 4 | R020101-043 | Блок двигателя |
Загрузка ...
|
|
| 5 | R020042-001 | Пробка |
Загрузка ...
|
|
| 6 | R020107-001 | Подшипник |
Загрузка ...
|
|
| 7 | R020005-001 | Пробка |
Загрузка ...
|
|
| 8 | R020016-022 | Штуцер соединительный |
Загрузка ...
|
|
| 8 | R020016-019 | Штуцер соединительный |
Загрузка ...
|
|
| 9 | R020300-002 | Кран |
Загрузка ...
|
|
| 10 | R020304-003 | Труба водовыпускная |
Загрузка ...
|
|
| 11 | R020015-001 | Штифт фиксирующий |
Загрузка ...
|
|
| 12 | R020012-001 | Труба |
Загрузка ...
|
|
| 13 | R020043-001-JH | Вкладыш упорный |
Загрузка ...
|
|
| 15 | R020103-001 | Крышка |
Загрузка ...
|
|
| 16 | R020041-001-JH | Вкладыш коренной |
Загрузка ...
|
|
| 18 | R020102-001 | Крышка |
Загрузка ...
|
|
| 19 | R020105-001 | Кольцо прокладочное |
Загрузка ...
|
|
| 20 | R020104-001 | Болт |
Загрузка ...
|
|
| 21 | R020500-004 | Клапан |
Загрузка ...
|
|
| 22 | R010209-001 | Ввёртыш |
Загрузка ...
|
|
| 22 | R010200-001 | Гнездо качающегося рычага |
Загрузка ...
|
|
| 23 | A12X25GB119 | Штифт цилиндрический |
Загрузка ...
|
|
| 24 | R020106-002 | Втулка |
Загрузка ...
|
|
| 25 | A10X20GB119 | Штифт цилиндрический |
Загрузка ...
|
|
| 26 | R020009-005 | Подушка |
Загрузка ...
|
|
| 27 | R020008-001 | Крышка |
Загрузка ...
|
|
| 28 | R020019-005 | Кольцо прокладочное |
Загрузка ...
|
|
| 29 | R020011-001 | Шпилька |
Загрузка ...
|
|
| 30 | M10GB923 | Болт |
Загрузка ...
|
|
| 31 | R010209-001 | Ввёртыш |
Загрузка ...
|
|
| 31 | R010200-001 | Гнездо качающегося рычага |
Загрузка ...
|
|
| 32 | R080002-004 | Подушка |
Загрузка ...
|
|
| 33 | 240X5.7GB1235 | Кольцо уплотнительное |
Загрузка ...
|
|
| 34 | R090007-001 | Заглушка |
Загрузка ...
|
|
| 35 | R090001-022 | Картер маховика |
Загрузка ...
|
|
| 38 | R090006-002 | Сальник задней части коленчатого вала |
Загрузка ...
|
|
| 39 | R010109-001 | Пробка резьбовая |
Загрузка ...
|
Узнавайте первыми!
о новинках в отрасли, акциях магазина, новостях компании и многом другом!
Нажимая на кнопку “Подписаться”,
Вы соглашаетесь с
условиями обработки персональных данных