Графический каталог запасных частей к технике: LOVOL TD1SA904-050K. Блок дигателя

zoom-in zoom-out enlarge shrink circle-right circle-left file-text2 info cart spinner6
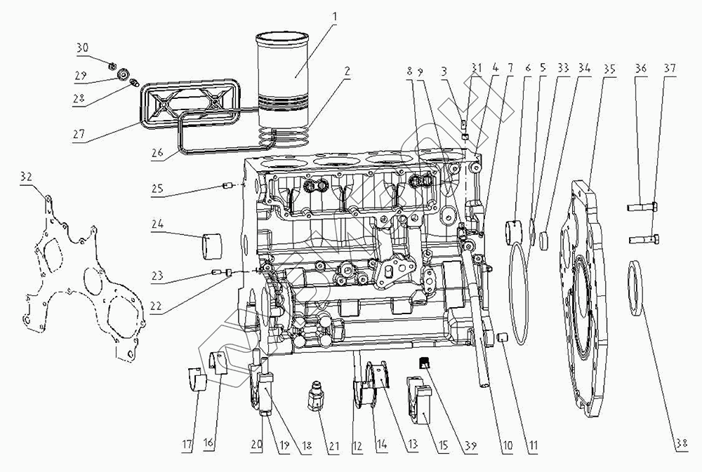
1
2
3
4
5
6
7
8
8
9
10
11
12
13
15
16
18
19
20
21
22
23
24
25
26
27
28
29
30
31
32
33
34
35
38
39
Позиция на иллюстрации Заводской номер детали Название детали Цена
4RMIZT22-LW3-1 4RMIZT22-LW3-1 Двигатель
Загрузка ...
1 R020001-002 Рубашка цилидра
Загрузка ...
2 R020002-002 Кольцо фонарное
Загрузка ...
3 A10X20GB119 Штифт цилиндрический
Загрузка ...
4 R020101-043 Блок двигателя
Загрузка ...
5 R020042-001 Пробка
Загрузка ...
6 R020107-001 Подшипник
Загрузка ...
7 R020005-001 Пробка
Загрузка ...
8 R020016-022 Штуцер соединительный
Загрузка ...
8 R020016-019 Штуцер соединительный
Загрузка ...
9 R020300-002 Кран
Загрузка ...
10 R020304-003 Труба водовыпускная
Загрузка ...
11 R020015-001 Штифт фиксирующий
Загрузка ...
12 R020012-001 Труба
Загрузка ...
13 R020043-001-JH Вкладыш упорный
Загрузка ...
15 R020103-001 Крышка
Загрузка ...
16 R020041-001-JH Вкладыш коренной
Загрузка ...
18 R020102-001 Крышка
Загрузка ...
19 R020105-001 Кольцо прокладочное
Загрузка ...
20 R020104-001 Болт
Загрузка ...
21 R020500-004 Клапан
Загрузка ...
22 R010209-001 Ввёртыш
Загрузка ...
23 A12X25GB119 Штифт цилиндрический
Загрузка ...
24 R020106-002 Втулка
Загрузка ...
25 A10X20GB119 Штифт цилиндрический
Загрузка ...
26 R020009-005 Подушка
Загрузка ...
27 R020008-001 Крышка
Загрузка ...
28 R020019-005 Кольцо прокладочное
Загрузка ...
29 R020011-001 Шпилька
Загрузка ...
30 M10GB923 Болт
Загрузка ...
31 R010209-001 Ввёртыш
Загрузка ...
32 R080002-004 Подушка
Загрузка ...
33 240X5.7GB1235 Кольцо уплотнительное
Загрузка ...
34 R090007-001 Заглушка
Загрузка ...
35 R090001-022 Картер маховика
Загрузка ...
38 R090006-002 Сальник задней части коленчатого вала
Загрузка ...
39 R010109-001 Пробка резьбовая
Загрузка ...
Содержащиеся в справочниках-каталогах запасные части и детали не предлагаются к продаже, а носят исключительно информационный характер