Графический каталог запасных частей к технике: LOVOL TD2SA1304-014K. Механизм управления 1

zoom-in zoom-out enlarge shrink circle-right circle-left file-text2 info cart spinner6
1
2
3
3
3
3
3
4
4
4
4
4
5
5
5
5
5
5
6
6
7
8
8
8
9
10
10
11
11
12
13
13
13
13
14
14
14
14
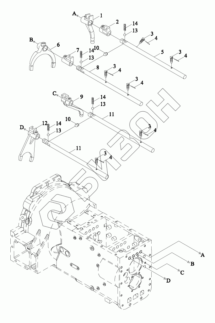
Позиция на иллюстрации Заводской номер детали Название детали Цена
TD2S373020000 TD2S373020000 Механизм управления
Загрузка ...
1 FT800.37.154 Поводок переключения передач I-II
Загрузка ...
2 TC05373060004 Переключатель передач I-II
Загрузка ...
3 FT800.37.194 Винт установочный
Загрузка ...
4 TF1004.374-02 Проволока стальная низкоуглеродистая СЗ-1,4х250
Загрузка ...
5 TC05373060002 Вал вилки переключения передач I-II
Загрузка ...
5 TC05373060008 Вал вилки переключения передач I-II
Загрузка ...
5 TC05373060009 Вал вилки переключения передач I-II
Загрузка ...
6 TD950.373D-04 Вилка ступени Ш-W
Загрузка ...
7 TD800A.373B-01 Переключатель передачи III-IV
Загрузка ...
8 TC05373060010 Вал вилки переключения передач III-IV
Загрузка ...
8 TC05373060011 Вал вилки переключения передач III-IV
Загрузка ...
8 TC05373060012 Вал вилки переключения передач III-IV
Загрузка ...
9 TD800A.373B-02 Поводок переключения передач челночного типа
Загрузка ...
10 FT800.37.177 Шпонка взаимозамкнутая
Загрузка ...
11 FT800A.37.320a Вал вилки второстепенного переключения передач
Загрузка ...
12 TD950.373D-05 Вилка заднего хода
Загрузка ...
13 GBT308-10-G100-b Шарик стальной
Загрузка ...
14 FT800.37.139 Пружина
Загрузка ...
Содержащиеся в справочниках-каталогах запасные части и детали не предлагаются к продаже, а носят исключительно информационный характер