Графический каталог запасных частей к технике: LOVOL TD2SA1304-018K. Система охлаждения, насос водяной

zoom-in zoom-out enlarge shrink circle-right circle-left file-text2 info cart spinner6
1
2
3
4
6
7
8
9
10
11
12
13
13
14
15
16
17
18
19
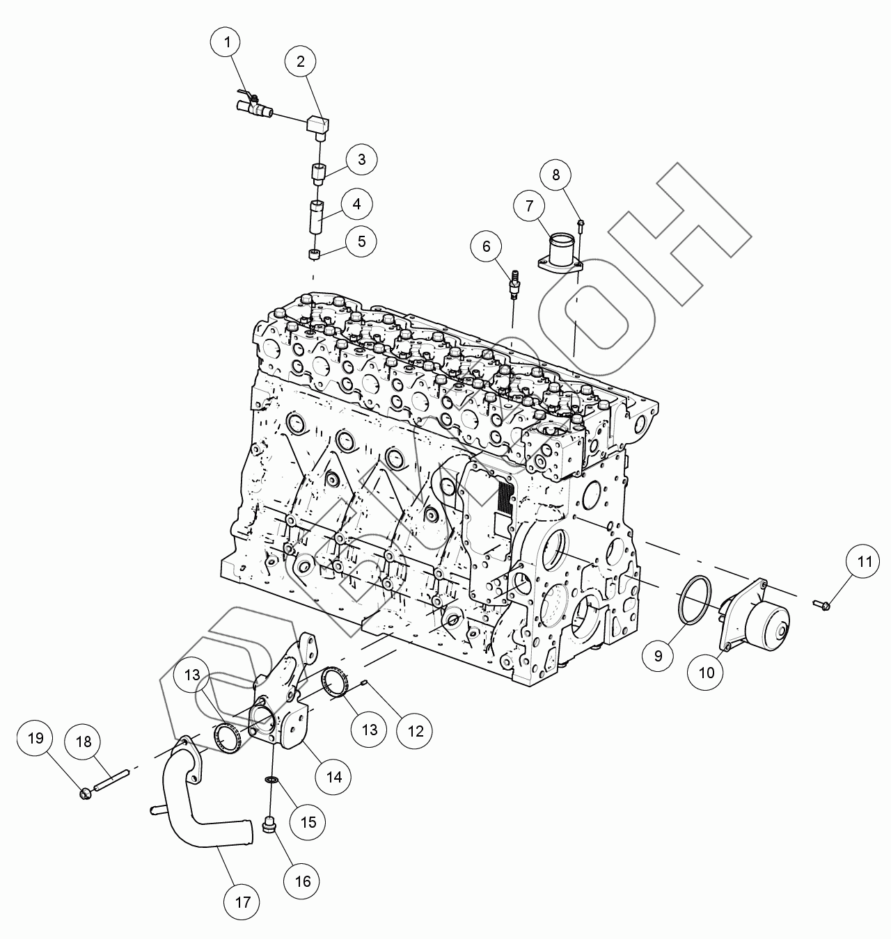
Позиция на иллюстрации Заводской номер детали Название детали Цена
1 S00031677 Клапан забора воды в головке блока цилиндров
Загрузка ...
2 C00AL-00AL037 Соединение переходное сливного клапана
Загрузка ...
3 D00-163-14 Соединения переходные для отопительной воды
Загрузка ...
4 D00-163-13 Соединения переходные для отопительной воды
Загрузка ...
6 D04-151-30 Соединитель для слива
Загрузка ...
7 S00014435 Труба выпускная
Загрузка ...
8 B00002118 Болт с фланцем
Загрузка ...
9 S00003597 Прокладка
Загрузка ...
10 S00003086 Насос водяной
Загрузка ...
11 B00004885 Болт с фланцем
Загрузка ...
12 B00000121 Штифты цилиндрические
Загрузка ...
13 S00004106 Прокладка впускной трубы водяного насоса
Загрузка ...
14 S00004102 Кронштейн колеса натяжного устройства
Загрузка ...
15 B00001829 Шайбы медные
Загрузка ...
16 B00001727 Заглушка винтовая с шестигранной головкой
Загрузка ...
17 S00032857 Детали впускного трубопровода водяного насоса
Загрузка ...
18 B00004665 Шпилька с двойной головкой
Загрузка ...
19 B00000833 Гайка шестигранная с фланцем
Загрузка ...
Содержащиеся в справочниках-каталогах запасные части и детали не предлагаются к продаже, а носят исключительно информационный характер