Графический каталог запасных частей к технике: LOVOL TD2SA1304-018K. Устройство гидравлической системы 2

zoom-in zoom-out enlarge shrink circle-right circle-left file-text2 info cart spinner6
TM5D582020000K
1
1
2
3
3
4
5
6
7
7
7.1
7.2
8
8
8
8
8
9
10
11
12
13
13
14
15
16
17
17.1
17.2
18
19
20
22
23
24
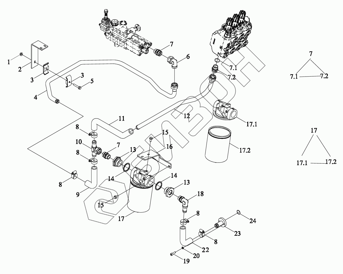
Позиция на иллюстрации Заводской номер детали Название детали Цена
TM5D582020000K TM5D582020000K Система гидравлическая
Загрузка ...
1 GBT6177.1-M8-8-A2L Гайка с фланцем
Загрузка ...
2 TS06582170005 Кронштейн струбцины трубы
Загрузка ...
3 TS06582170006 Прокладка резиновая
Загрузка ...
4 TS06582170017 Труба
Загрузка ...
5 GBT5789-M8X45-8.8-A2L Болт с фланцем
Загрузка ...
6 GBT3754-L22 Штуцер соединительный
Загрузка ...
7 TD924.582N.16 Штуцер соединительный
Загрузка ...
7.1 TS09580010009 Кольцо уплотнительное 23.6X2.9-M27X2
Загрузка ...
7.2 GBT3733-L22 Штуцер соединительный
Загрузка ...
8 Q67632 Хомут шланга B-типа
Загрузка ...
9 TS06582170031 Шланг резиновый
Загрузка ...
10 TS06582170029 Штуцер соединительный
Загрузка ...
11 TS06582220006 Труба
Загрузка ...
12 TS06582150019 Труба
Загрузка ...
13 TK4030300200 Штуцер соединительный M42X2-M27X2
Загрузка ...
14 JBT982-42 Шайба комбинированная уплотнительная
Загрузка ...
15 GBT5789-M8X16-8.8-A2L Болт с фланцем
Загрузка ...
16 TS06582170023 Кронштейн
Загрузка ...
17 TS06582170013 Фильтр
Загрузка ...
17.1 TS06582170014 Гнездо фильтроэлемента
Загрузка ...
17.2 TS06582170015 Фильтр возврата масла
Загрузка ...
18 TD924.582N.11 Маслопровод
Загрузка ...
19 GBT70.1-M8X25-8.8-A2L Винт с цилиндрической головкой с внутренним шестигранником
Загрузка ...
20 GBT93-8-A3L Гровер
Загрузка ...
22 TD924.582N.22 Шланг
Загрузка ...
23 TS06582180019 Труба
Загрузка ...
24 GBT3452.1-22.4X1.80G Кольцо уплотнительное резиновое для гидропневматики
Загрузка ...
Содержащиеся в справочниках-каталогах запасные части и детали не предлагаются к продаже, а носят исключительно информационный характер