Графический каталог запасных частей к технике: LOVOL TM3Y1A854-008K. Маслопровод 2

zoom-in zoom-out enlarge shrink circle-right circle-left file-text2 info cart spinner6
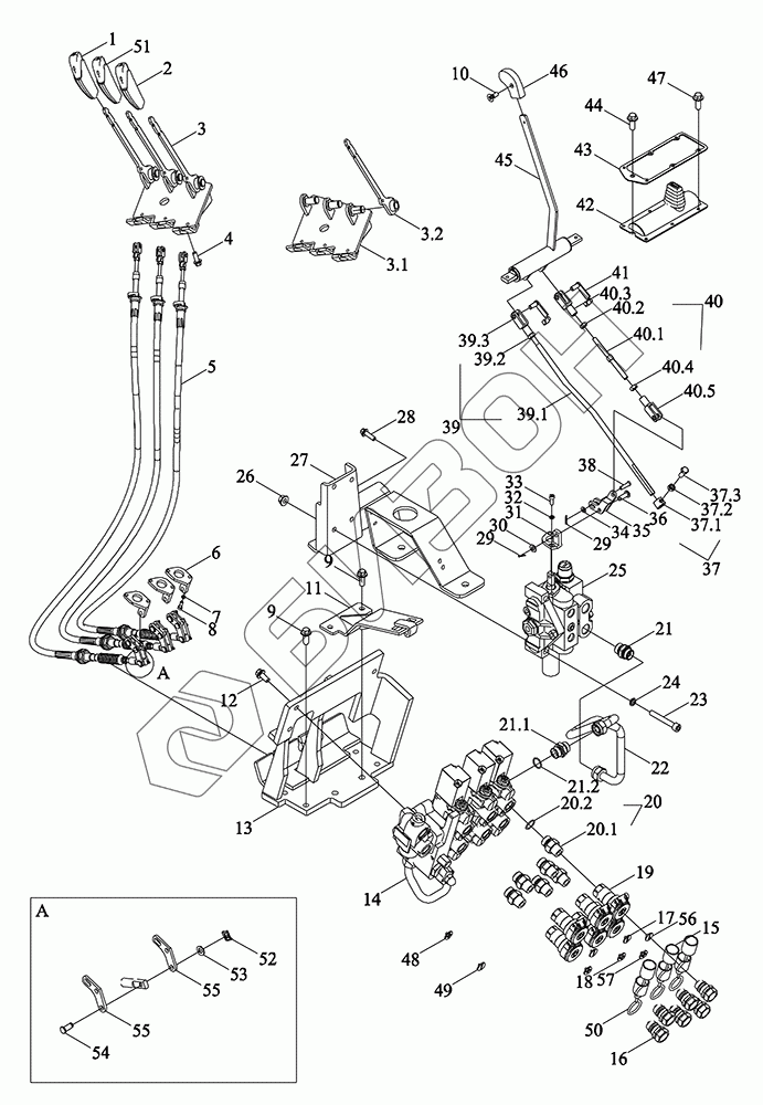
1
2
3
3.1
3.2
4
5
6
7
8
9
9
10
11
12
13
14
15
16
17
18
19
20
20.1
20.2
21
21.1
21.2
22
23
24
25
26
27
28
29
29
30
31
32
33
34
35
36
37
37.1
37.2
37.3
38
39
39.1
39.2
39.3
40
40.1
40.2
40.3
40.4
40.5
41
42
43
44
45
46
47
48
49
50
51
52
53
54
55
55
56
57
Позиция на иллюстрации Заводской номер детали Название детали Цена
TY3S582070000K TY3S582070000K Маслопровод
Загрузка ...
1 TY3S582010041K Головка рукоятки
Загрузка ...
2 TM7N582053304 Головка рукоятки
Загрузка ...
3 TY3S582010002 Рычаг управления
Загрузка ...
3.1 TY3S582010003 Гнездо монтажное
Загрузка ...
3.2 TY3S582010004 Ручка управления
Загрузка ...
4 GBT16674.1-M8X20-8.8-A2L Болт шестигранный фланцевый M8X20-8.8-A2L
Загрузка ...
5 TY3S582070007Ka Вал гибкий
Загрузка ...
6 TR2P582010025 Плита опорная
Загрузка ...
7 GBT93-5-A3L Шайба стандартная пружинная
Загрузка ...
8 GBT70.1-M5X16-8.8-A2L Винт с цилиндрической головкой с внутренним шестигранником M5X16-8.8-A2L
Загрузка ...
9 GBT5789-M10X25-8.8-A3L Болт шестигранный фланцевый M10X25-8.8-A3L
Загрузка ...
10 GBT819.1-M4X10-4.8-A2L Винт с потайной головкой и поперечной канавкой M4X10-4.8-A2L
Загрузка ...
11 TY3S561010005K Кронштейн
Загрузка ...
12 GBT5789-M10X20-8.8-A3L Болт шестигранный фланцевый M10X20-8.8-A3L
Загрузка ...
13 TY3S582070011K Кронштейн
Загрузка ...
14 BZF0092-021 Блок клапанов
Загрузка ...
15 FT354.58A.302 Крышка пылезащитная PVC -синяя и мягкая штыревого соединения
Загрузка ...
16 FT354.58A.032 Штуцер соединительный
Загрузка ...
17 TB1S582010004K Чехол пылезащитный чехол R-
Загрузка ...
18 TB1S582010003K Чехол пылезащитный чехол R+
Загрузка ...
19 TB1S582010020K Штуцер соединительный
Загрузка ...
20 TD1S582070010K Корпус прямого концевого соединителя M22-NPT1-2 в сборе
Загрузка ...
20.1 TD1S582070011K Штуцер соединительный
Загрузка ...
20.2 TS09580010008 Кольцо O-образное 19.3X2.2-M22X1.5
Загрузка ...
21 TS17402030058 Штуцер соединительный
Загрузка ...
21.1 TS17402010037 Штуцер переходной M22-15
Загрузка ...
21.2 TS09580010008 Кольцо O-образное 19.3X2.2-M22X1.5
Загрузка ...
22 TY3S582010007K Труба
Загрузка ...
23 GBT70.1-M10X70-8.8-A3L Винт с цилиндрической головкой с внутренним шестигранником M10X70-8.8-A3L
Загрузка ...
24 GBT93-10-A3L Шайба стандартная пружинная
Загрузка ...
25 TB3S582050001 Распределитель в сборе
Загрузка ...
26 GBT6177.1-M10-8-A3L Гайка с фланцем M10-8-A3L
Загрузка ...
27 TY3S582070018K Кронштейн
Загрузка ...
28 GBT5789-M10X25-8.8-A2L Болт с шестигранной головкой M10X25-8.8-A2L
Загрузка ...
29 GBT91-2X16-A3L Шплинт разводной 2X16-A3L
Загрузка ...
30 GBT97.1-8-A3L Шайба плоская
Загрузка ...
31 TY3S582010010K Плита опорная
Загрузка ...
32 GBT93-6-A3L Шайба стандартная пружинная
Загрузка ...
33 GBT70.1-M6X25-8.8-A2L Винт с цилиндрической головкой и внутренним шестигранником M6X25-8.8-A2L
Загрузка ...
34 GBT97.1-6-A3L Шайба плоская
Загрузка ...
35 TY3S582010025K Плита соединительная
Загрузка ...
36 GBT882-B8X24-A3L Штифт B8X24-A3L
Загрузка ...
37 TB500.55A.2 Щит
Загрузка ...
37.1 TB500.55A.2-01 Щит
Загрузка ...
37.2 GBT6170-M8-8-A2L Гайка шестигранная тип 1 M8-8-A2L
Загрузка ...
37.3 GBT5783-M8X20-8.8-A2L Болт с шестигранной головкой M8X20-8.8-A2L
Загрузка ...
38 GBT882-B6X24-A0P Ось
Загрузка ...
39 TY3S582010032K Штифт тяги запорный
Загрузка ...
39.1 TY3S582010031K Тяга
Загрузка ...
39.2 GBT6170-M8-8-A2L Гайка шестигранная тип 1 M8-8-A2L
Загрузка ...
39.3 TS10552010004 Вилка тяги
Загрузка ...
40 TY3S582010034K Рычаг управления
Загрузка ...
40.1 TY3S582010033K Штанга соединительная
Загрузка ...
40.2 GBT6170-M8-8-A2L Гайка шестигранная тип 1 M8-8-A2L
Загрузка ...
40.3 TS10552010004 Вилка тяги
Загрузка ...
40.4 GBT6170-M8-LH-8-A2L Гайка шестигранная тип 1 M8-LH-8-A2L
Загрузка ...
40.5 TS10552010003 Вилка тяги
Загрузка ...
41 TE2C212090004 Скоба монатжная
Загрузка ...
42 TP4P582010003 Втулка пыленепроницаемая
Загрузка ...
43 TP4P582010002 Плита нажимная
Загрузка ...
44 GBT5789-M8X16-8.8-A2L Болт шестигранный фланцевый M8X16-8.8-A2L
Загрузка ...
45 TY3S582010038K Управление подъемным устройством
Загрузка ...
45.1 GBT894.1-20-A3L Кольцо упругое стопорное для вала
Загрузка ...
45.2 TY3S582010037K Управление подъемным устройством
Загрузка ...
45.2.1 TY3S582010036K Управление подъемным устройством
Загрузка ...
45.2.2 TB704.58A.11a.2-01 Втулка нейлоновая
Загрузка ...
45.3 TP4M582020008 Ось фиксирования
Загрузка ...
46 TB504.552-04 Головка рукоятки
Загрузка ...
47 GBT5789-M5X16-8.8-A2L Болт с фланцем M5X16-8.8-A2L
Загрузка ...
48 TM5D582040021K Чехол пылезащитный чехол B+
Загрузка ...
49 TM5D582040020K Чехол пылезащитный чехол B-
Загрузка ...
50 TC02580010003K Крышка пылезащитная PVC -красная и мягкая штыревого соединения
Загрузка ...
51 TM7N582052204 Головка рукоятки
Загрузка ...
52 TY3S582010042K Пластина замочная
Загрузка ...
53 GBT97.1-8 Кольцо прокладочное
Загрузка ...
54 TY3S582010043K Штифт цилиндра
Загрузка ...
55 TY3S582010026K Плита соединительная
Загрузка ...
56 TY3S582070022K Чехол пылезащитный для внутреннего соединения Y-
Загрузка ...
57 TY3S582070021K Чехол пылезащитный для внутреннего соединения Y+
Загрузка ...
Содержащиеся в справочниках-каталогах запасные части и детали не предлагаются к продаже, а носят исключительно информационный характер
Сайт использует файлы cookie, обрабатываемые вашим браузером. Подробнее об этом вы можете узнать в Политике cookie.
Принять Настроить Отклонить