ЗАПАСНЫЕ ЧАСТИ К ПРИСПОСОБЛЕНИЯМ ДЛЯ УБОРКИ ПОДСОЛНЕЧНИКА, КУКУРУЗЫ, РАПСА, СОИ
ЗАПАСНЫЕ ЧАСТИ К КОСИЛКАМ, ГРАБЛЯМ-ВАЛКООБРАЗОВАТЕЛЯМ, СТОГОМЕТАТЕЛЯМ И ПОГРУЗЧИКАМ
РЕМНАБОРЫ РТИ, КОЛЬЦА УПЛОТНИТЕЛЬНЫЕ
МЕТИЗЫ (БОЛТОКРЕПЕЖ, ХОМУТЫ, ШПОНКИ)
| Позиция на иллюстрации | Заводской номер детали | Название детали | Цена | |
|---|---|---|---|---|
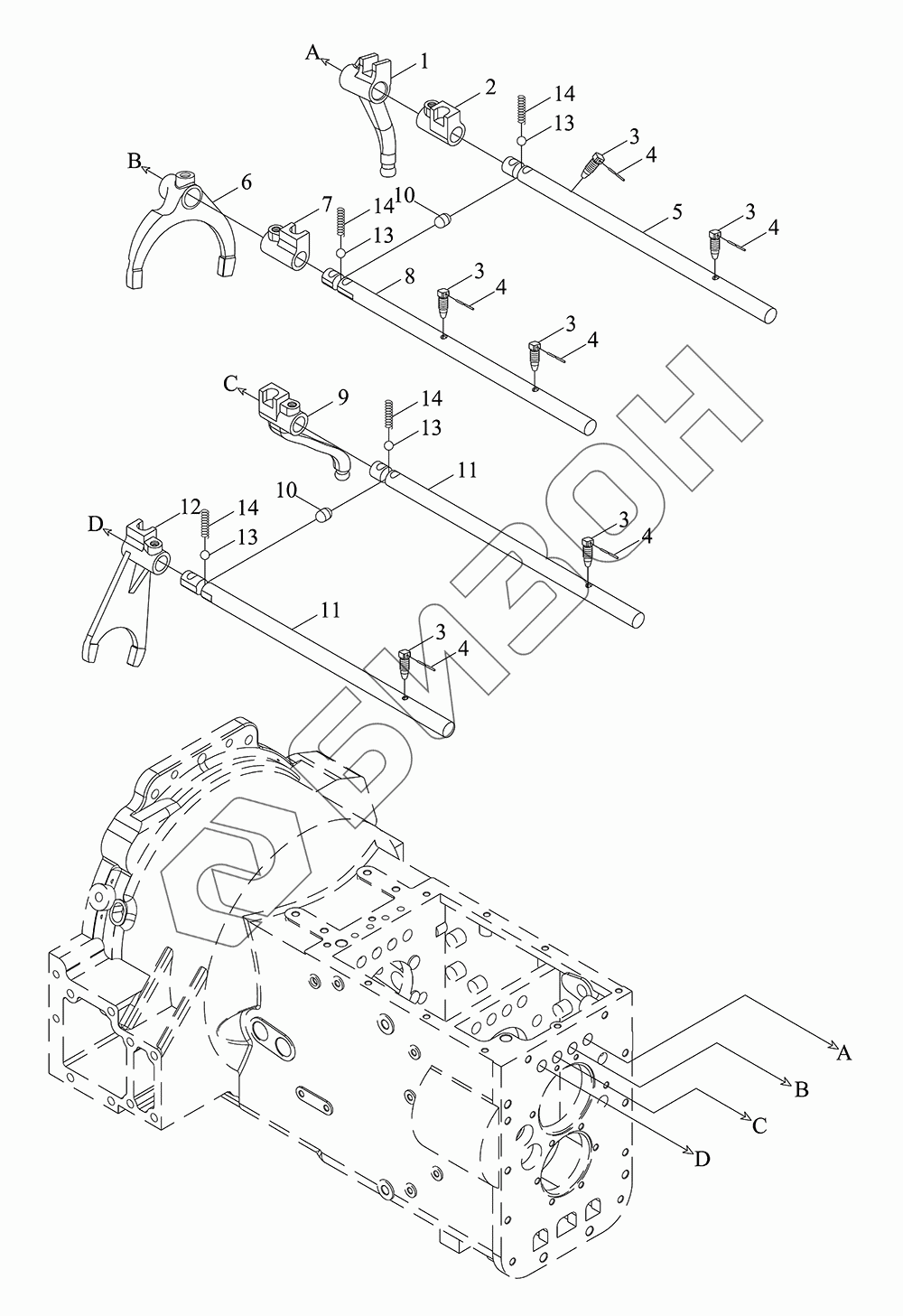
| TD2S373020000 | TD2S373020000 | Механизм управления |
Загрузка ...
|
|
| 1 | FT800.37.154 | Рычаг переключения передач I-II |
Загрузка ...
|
|
| 2 | TC05373060004 | Переключатель передач I-II |
Загрузка ...
|
|
| 3 | FT800.37.194 | Винт установочный |
Загрузка ...
|
|
| 4 | TF1004.374-02 | Проволока стальная низкоуглеродистая СЗ-1,4х250 |
Загрузка ...
|
|
| 5 | TC05373060009 | Вал вилки переключения передач I-II |
Загрузка ...
|
|
| 5 | TC05373060008 | Вал вилки переключения передач I-II |
Загрузка ...
|
|
| 5 | TC05373060002 | Вал вилки переключения передач I-II |
Загрузка ...
|
|
| 6 | TD950.373D-04 | Вилка отводная |
Загрузка ...
|
|
| 7 | TD800A.373B-01 | Переключатель передач III-IV |
Загрузка ...
|
|
| 8 | TC05373060010 | Вал вилки переключения передач III-IV |
Загрузка ...
|
|
| 8 | TC05373060011 | Вал вилки переключения передач III-IV |
Загрузка ...
|
|
| 8 | TC05373060012 | Вал вилки переключения передач III-IV |
Загрузка ...
|
|
| 9 | TD800A.373B-02 | Рычаг переключения передач |
Загрузка ...
|
|
| 10 | FT800.37.177 | Штифт блокировочный |
Загрузка ...
|
|
| 11 | FT800A.37.320a | Вал вилки переключения передач |
Загрузка ...
|
|
| 12 | TD950.373D-05 | Вилка отводная |
Загрузка ...
|
|
| 13 | GBT308-10-G100-b | Шарик стальной |
Загрузка ...
|
|
| 14 | FT800.37.139 | Пружина |
Загрузка ...
|
Узнавайте первыми!
о новинках в отрасли, акциях магазина, новостях компании и многом другом!
Нажимая на кнопку “Подписаться”,
Вы соглашаетесь с
условиями обработки персональных данных
Обратный звонок
Оставьте ваши координаты и наш менеджер перезвонит Вам в течение 15 минут в рабочие часы компании.
Нажимая на кнопку “Заказать звонок”,
Вы соглашаетесь с условиями обработки персональных данных
Закажите услугу
Опишите, пожалуйста, ваш заказ на услугу или просто заполните контактную информацию и наши эскперты помогут решить вашу проблему!
Нажимая на кнопку “Отправить сообщение”,
Вы соглашаетесь с
условиями обработки персональных данных
Обратная связь
Нужен совет, как выбрать товар или использовать его? Не нашли нужную информацию на сайте? Напишите — наши эксперты помогут Вам!
Нажимая на кнопку “Отправить сообщение”,
Вы соглашаетесь с
условиями обработки персональных данных
Войти на сайт
Нет аккаунта? Зарегистрируйтесь на сайте
Регистрация