Графический каталог запасных частей к технике: LOVOL TM7N1A2604-002K. Механизм управления 1

zoom-in zoom-out enlarge shrink circle-right circle-left file-text2 info cart spinner6
1
2
3
4
4
5
5.1
5.1
5.2
6
7
8
9
10
11
11
12
13
14
15
16
16
16
16
17
18
18
19
20
21
22
23
24
24
25
26
27
28
29
29
30
31
32
33
34
35
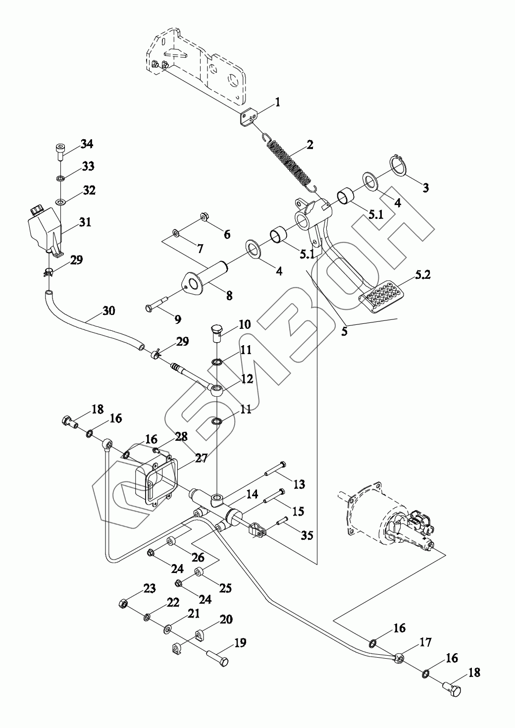
Позиция на иллюстрации Заводской номер детали Название детали Цена
TN1S212010000 TN1S212010000 Механизм управления сцеплением в сборе
Загрузка ...
1 TN1S212010007 Кронштейн
Загрузка ...
2 TC02212020013 Пружина возвратнаяа педали
Загрузка ...
3 GBT894.1-30 Кольцо упругое стопорное для вала
Загрузка ...
4 FT800A.43B.125 Прокладка
Загрузка ...
5 TN1S212010004 Рычаг педали
Загрузка ...
5.1 TD2C212010014 Втулка композитная 30H9X34t8X25
Загрузка ...
5.2 TN1S212010005 Подножка
Загрузка ...
6 GBT6177.1-M10-8-A3L Гайка с фланцем M10-8-A3L
Загрузка ...
7 GBT97.1-10-A3L Шайба большая
Загрузка ...
8 TH04212010026 Вал педали сцепления опорный
Загрузка ...
9 TH04212010025 Болт ограничительный
Загрузка ...
10 TK2120000700 Болт полый
Загрузка ...
11 JBT982-18 Шайба комбинированная уплотнительная
Загрузка ...
12 TK2120007000 Труба подачи масла
Загрузка ...
13 GBT5783-M10X70-8.8-A3L Болт с шестигранной головкой
Загрузка ...
14 TK2120006000 Цилиндр сцепления главный
Загрузка ...
15 GBT5783-M10X75-8.8-A3L Болт с шестигранной головкой
Загрузка ...
16 JBT982-14 Шайба комбинированная уплотнительная
Загрузка ...
17 TK2120000016 Труба отвода масла
Загрузка ...
18 FT65.50.106 Болт полый
Загрузка ...
19 GBT5783-M8X35-8.8-A2L Болт с шестигранной головкой M8X35-8.8-A2L
Загрузка ...
20 F600209 Трубка
Загрузка ...
21 GBT97.1-8-A3L Шайба плоская
Загрузка ...
22 GBT93-8-A3L Шайба стандартная пружинная
Загрузка ...
23 GBT6170-M8-8-A2L Гайка шестигранная тип 1 M8-8-A2L
Загрузка ...
24 GBT91-3.2X18-A3L Шплинт
Загрузка ...
25 BZF0016-205 Рукав перегородки
Загрузка ...
26 TK2120000600 Втулка отсечная
Загрузка ...
27 TN1S212010009 Рычаг управления
Загрузка ...
28 GBT16674.1-M6X12-8.8-A2L Болт шестигранный фланцевый M6X12-8.8-A2L
Загрузка ...
29 Q67522 Хомут для шланга с червячным приводом типа А
Загрузка ...
30 TN1S212010001 Шланг
Загрузка ...
31 TK2120008000 Маслёнка
Загрузка ...
32 GBT848-4-A3L Шайба небольшая
Загрузка ...
33 GBT93-4-A3L Шайба стандартная пружинная
Загрузка ...
34 GBT70.1-M4X10-8.8-A2L Винт с цилиндрической головкой с внутренним шестигранником
Загрузка ...
35 GBT882-B10X26-A3L Ось
Загрузка ...
Содержащиеся в справочниках-каталогах запасные части и детали не предлагаются к продаже, а носят исключительно информационный характер