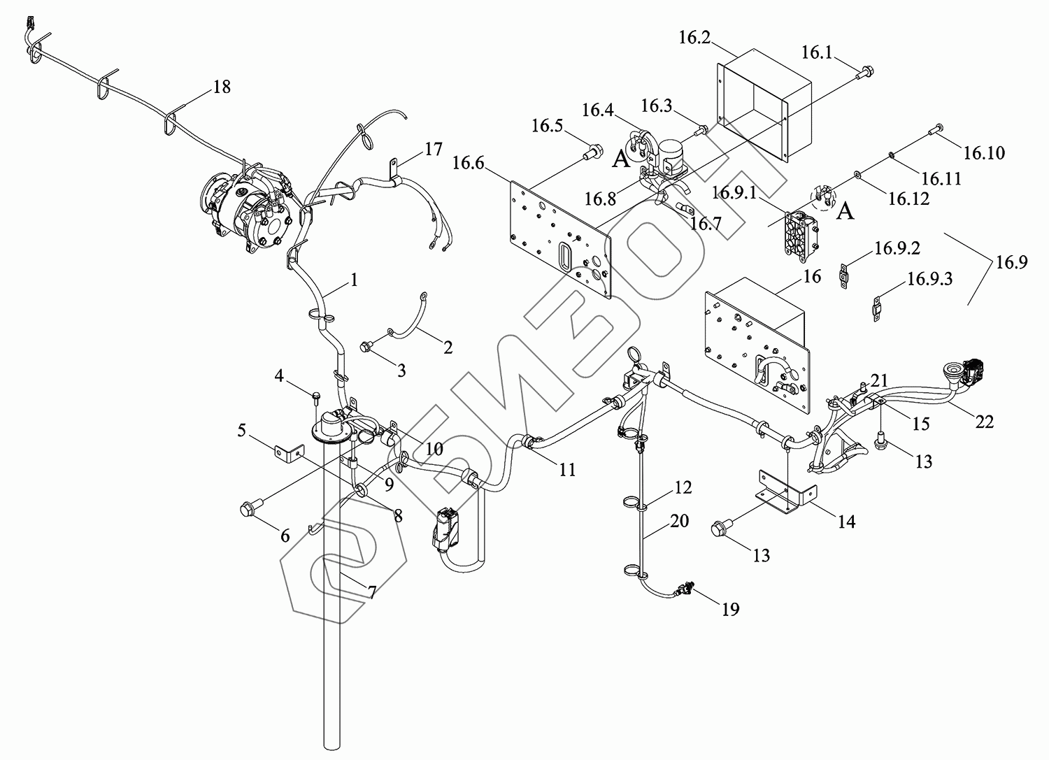
| Позиция на иллюстрации | Заводской номер детали | Название детали | Цена | |
|---|---|---|---|---|
| TM7N481030000K | TM7N481030000K | Монтажный блок жгута проводов двигателя в сборе |
Загрузка ...
|
|
| 1 | TM7N481030001K | Жгут проводов |
Загрузка ...
|
|
| 2 | TM7N481010003K | Жгут-перемычка |
Загрузка ...
|
|
| 3 | GBT5789-M8X12-8.8-A2L | Болт шестигранный фланцевый M8X12-8.8-A2L |
Загрузка ...
|
|
| 4 | TS04481050005 | Винт фланцевый-M4X12 |
Загрузка ...
|
|
| 5 | TM7N481030013K | Кронштейн |
Загрузка ...
|
|
| 6 | GBT5789-M8X20-8.8-A2L | Болт M8X16-10.9-A2L |
Загрузка ...
|
|
| 7 | TM7N481030011K | Датчик |
Загрузка ...
|
|
| 8 | 3203505D9-L | Хомуты для кабеля |
Загрузка ...
|
|
| 9 | GK30A2.29.3-01 | Диск ограничительный |
Загрузка ...
|
|
| 10 | BZF0032.2-005 | Скоба зажимная |
Загрузка ...
|
|
| 11 | TM7N481030010K | Линия питания |
Загрузка ...
|
|
| 12 | TG3S488010002 | Хомут гибкий |
Загрузка ...
|
|
| 13 | GBT5789-M8X16-8.8-A2L | Болт шестигранный фланцевый M8X16-8.8-A2L |
Загрузка ...
|
|
| 14 | TM7N481030004K | Кронштейн |
Загрузка ...
|
|
| 15 | BZF0032.1-005 | Зажим закрытый крепежный 11X30X40 |
Загрузка ...
|
|
| 16 | TN1S481070016 | Реле |
Загрузка ...
|
|
| 16.1 | GBT5789-M6X16-8.8-A2L | Болт шестигранный фланцевый M6X16-8.8-A2L |
Загрузка ...
|
|
| 16.2 | TN1S481070019 | Кожух - обтекатель |
Загрузка ...
|
|
| 16.3 | GBT5789-M5X12-8.8-A2L | Болт с фланцем M5X12-8.8-A2L |
Загрузка ...
|
|
| 16.4 | TN1S481070020 | Линия питания |
Загрузка ...
|
|
| 16.5 | GBT5789-M8X16-8.8-A2L | Болт шестигранный фланцевый M8X16-8.8-A2L |
Загрузка ...
|
|
| 16.6 | TN1S481070017 | Плита монтажная |
Загрузка ...
|
|
| 16.7 | TN1S481070022 | Линия питания |
Загрузка ...
|
|
| 16.8 | 3203505D9-L | Хомуты для кабеля |
Загрузка ...
|
|
| 16.9 | TN2P481020012 | Гнездо монтажное |
Загрузка ...
|
|
| 16.9.1 | TP4M481060011 | Седло предохранителя с двойной защитой |
Загрузка ...
|
|
| 16.9.2 | TS06481160005 | Предохранитель ANM200 |
Загрузка ...
|
|
| 16.9.3 | TC03481140009 | Предохранитель ANM250 |
Загрузка ...
|
|
| 16.10 | GBT818-M5X16-4.8-A2L | Винт с крестообразным шлицем и цилиндрической головкой M5X16-4.8-A2L |
Загрузка ...
|
|
| 16.11 | GBT93-5-A3L | Шайба стандартная пружинная |
Загрузка ...
|
|
| 16.12 | GBT97.1-5-A3L | Шайба плоская |
Загрузка ...
|
|
| 17 | TC03481050005 | Скоба зажимная |
Загрузка ...
|
|
| 18 | Q67405200 | Лента стяжная |
Загрузка ...
|
|
| 19 | TH04484010002 | Датчик температуры масла |
Загрузка ...
|
|
| 20 | TM7N481020001K | Жгут датчика температуры жидкости |
Загрузка ...
|
|
| 21 | TM7N481030009K | Провод-перемычка |
Загрузка ...
|
Узнавайте первыми!
о новинках в отрасли, акциях магазина, новостях компании и многом другом!
Нажимая на кнопку “Подписаться”,
Вы соглашаетесь с
условиями обработки персональных данных