 
              | Позиция на иллюстрации | Заводской номер детали | Название детали | Цена | |
|---|---|---|---|---|
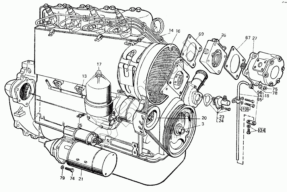
| Д144-0000100-25 | Д144-0000100-25 | Двигатель 29+3 кВт (40 л. с.) | 
                  
                  Загрузка ...
                 | |
| 3 | Д144-1000120-12 | Механизм кривошипно-шатунный | 
                  
                  Загрузка ...
                 | |
| 13 | Д37М-1019010-Б3 | Декомпрессор | 
                  
                  Загрузка ...
                 | |
| 14 | Д144-1100010-Д | Система питания | 
                  
                  Загрузка ...
                 | |
| 16 | Д144-1300200 | Система охлаждения дизеля | 
                  
                  Загрузка ...
                 | |
| 17 | Д144-1400010 | Система смазки | 
                  
                  Загрузка ...
                 | |
| 18 | Д144-1401070 | Установка газоотводной трубы | 
                  
                  Загрузка ...
                 | |
| 20 | Д144-3701000-Д | Установка генератора | 
                  
                  Загрузка ...
                 | |
| 21 | 2417.3708000 | Стартер 2417.3708 | 
                  
                  Загрузка ...
                 | |
| 23 | ПТ-3802010-А-33 | Привод тахоспидометра | 
                  
                  Загрузка ...
                 | |
| 24 | ПТ-3802010-А-53 | Привод тахоспидометра | 
                  
                  Загрузка ...
                 | |
| 25 | ТМ100-3808000-В | Датчик ТМ100-В | 
                  
                  Загрузка ...
                 | |
| 26 | Д37М-4618010-А4 | Привод насоса шестеренного | 
                  
                  Загрузка ...
                 | |
| 27 | НШ32А-3-Л-00.000 | Насос шестеренный | 
                  
                  Загрузка ...
                 | |
| 34 | Д37М-1401071 | Труба газоотвода | 
                  
                  Загрузка ...
                 | |
| 56 | Д30-1007399 | Кольцо уплотнительное | 
                  
                  Загрузка ...
                 | |
| 65 | Д37М-1401075 | Серьга | 
                  
                  Загрузка ...
                 | |
| 67 | Т28-4610028 | Прокладка гидронасоса | 
                  
                  Загрузка ...
                 | |
| 69 | Д30-4618053-А-03 | Прокладка | 
                  
                  Загрузка ...
                 | |
| 74 | 4М12-6gх40.88.019 | Болт | 
                  
                  Загрузка ...
                 | |
| 75 | М10-6Н.6.019 | Гайка | 
                  
                  Загрузка ...
                 | |
| 78 | 100Т65Г06 | Шайба | 
                  
                  Загрузка ...
                 | |
| 79 | 120Т65Г06 | Шайба | 
                  
                  Загрузка ...
                 | 
Узнавайте первыми!
о новинках в отрасли, акциях магазина, новостях компании и многом другом!
									Нажимая на кнопку “Подписаться”,
									Вы соглашаетесь с
									условиями обработки персональных данных