ЗАПАСНЫЕ ЧАСТИ К ПРИСПОСОБЛЕНИЯМ ДЛЯ УБОРКИ ПОДСОЛНЕЧНИКА, КУКУРУЗЫ, РАПСА, СОИ
ЗАПАСНЫЕ ЧАСТИ К КОСИЛКАМ, ГРАБЛЯМ-ВАЛКООБРАЗОВАТЕЛЯМ, СТОГОМЕТАТЕЛЯМ И ПОГРУЗЧИКАМ
РЕМНАБОРЫ РТИ, КОЛЬЦА УПЛОТНИТЕЛЬНЫЕ
МЕТИЗЫ (БОЛТОКРЕПЕЖ, ХОМУТЫ, ШПОНКИ)
 
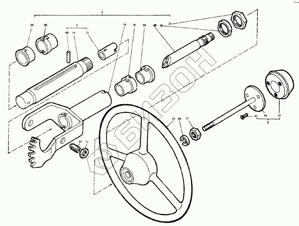
              | Позиция на иллюстрации | Заводской номер детали | Название детали | Цена | |
|---|---|---|---|---|
| Т40М1-3401400 | Т40М1-3401400 | Колонка рулевая (гидромеханическая) | 
                  
                  Загрузка ...
                 | |
| 3 | Т40М1-3401060 | Вал | 
                  
                  Загрузка ...
                 | |
| 4 | Т40М1-3401080 | Стойка | 
                  
                  Загрузка ...
                 | |
| 5 | Т40М1-3401110 | Зажим | 
                  
                  Загрузка ...
                 | |
| 16 | Т40М1-3401030 | Труба | 
                  
                  Загрузка ...
                 | |
| 17 | Т40М1-3401035 | Головка | 
                  
                  Загрузка ...
                 | |
| 18 | Т40М1-3401070 | Вал | 
                  
                  Загрузка ...
                 | |
| 19 | Т40М1-3401090 | Пластина со стержнем | 
                  
                  Загрузка ...
                 | |
| 27 | 66-3402015-02 | Колесо рулевого управления | 
                  
                  Загрузка ...
                 | |
| 29 | Т40М1-3401011 | Ось | 
                  
                  Загрузка ...
                 | |
| 33 | Т40М1-3401054 | Хвостовик вала | 
                  
                  Загрузка ...
                 | |
| 34 | Т40М1-3401076 | Втулка | 
                  
                  Загрузка ...
                 | |
| 35 | 70-3401077-Б | Амортизатор | 
                  
                  Загрузка ...
                 | |
| 36 | Т40М1-3401078 | Гайка | 
                  
                  Загрузка ...
                 | |
| 37 | Т40М1-3401079 | Контргайка | 
                  
                  Загрузка ...
                 | |
| 48 | Т40М1-3401404 | Вал рулевой | 
                  
                  Загрузка ...
                 | |
| 67 | В.М6-6gх12.58.019 | Винт | 
                  
                  Загрузка ...
                 | |
| 71 | М16х1,5-6Н.6.019 | Гайка | 
                  
                  Загрузка ...
                 | |
| 72 | М20х1,5-6Н.8.019 | Гайка | 
                  
                  Загрузка ...
                 | |
| 80 | 160Т65Г06 | Шайба | 
                  
                  Загрузка ...
                 | |
| 88 | 2.8х36 | Штифт | 
                  
                  Загрузка ...
                 | 
Узнавайте первыми!
о новинках в отрасли, акциях магазина, новостях компании и многом другом!
									Нажимая на кнопку “Подписаться”,
									Вы соглашаетесь с
									условиями обработки персональных данных
								
Обратный звонок
Оставьте ваши координаты и наш менеджер перезвонит Вам в течение 15 минут в рабочие часы компании.
Нажимая на кнопку “Заказать звонок”,
						Вы соглашаетесь с условиями обработки персональных данных
					
Закажите услугу
Опишите, пожалуйста, ваш заказ на услугу или просто заполните контактную информацию и наши эскперты помогут решить вашу проблему!
						Нажимая на кнопку “Отправить сообщение”,
						Вы соглашаетесь с
						условиями обработки персональных данных
					
Обратная связь
Нужен совет, как выбрать товар или использовать его? Не нашли нужную информацию на сайте? Напишите — наши эксперты помогут Вам!
						Нажимая на кнопку “Отправить сообщение”,
						Вы соглашаетесь с
						условиями обработки персональных данных
					
Войти на сайт
Нет аккаунта? Зарегистрируйтесь на сайте
Регистрация