ЗАПАСНЫЕ ЧАСТИ К ПРИСПОСОБЛЕНИЯМ ДЛЯ УБОРКИ ПОДСОЛНЕЧНИКА, КУКУРУЗЫ, РАПСА, СОИ
ЗАПАСНЫЕ ЧАСТИ К КОСИЛКАМ, ГРАБЛЯМ-ВАЛКООБРАЗОВАТЕЛЯМ, СТОГОМЕТАТЕЛЯМ И ПОГРУЗЧИКАМ
РЕМНАБОРЫ РТИ, КОЛЬЦА УПЛОТНИТЕЛЬНЫЕ
МЕТИЗЫ (БОЛТОКРЕПЕЖ, ХОМУТЫ, ШПОНКИ)
 
              | Позиция на иллюстрации | Заводской номер детали | Название детали | Цена | |
|---|---|---|---|---|
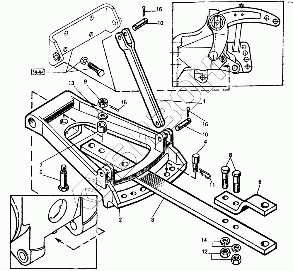
| Т40-2805100-У | Т40-2805100-У | Прицеп маятниковый | 
                  
                  Загрузка ...
                 | |
| 1 | Т40-2805130-У | Тяга | 
                  
                  Загрузка ...
                 | |
| 2 | Т40-2805111-У | Рамка | 
                  
                  Загрузка ...
                 | |
| 3 | Т40-2805112-У | Маятник | 
                  
                  Загрузка ...
                 | |
| 4 | Т40-2805113-У | Палец | 
                  
                  Загрузка ...
                 | |
| 5 | Т40-2805114-У | Болт | 
                  
                  Загрузка ...
                 | |
| 6 | Т40-2805116-У | Пластина верхняя | 
                  
                  Загрузка ...
                 | |
| 7 | Т40-2805117-У | Втулка | 
                  
                  Загрузка ...
                 | |
| 8 | Т40-2805128-У | Болт | 
                  
                  Загрузка ...
                 | |
| 9 | Т40-4628137 | Гайка прорезная М18Х1,5 | 
                  
                  Загрузка ...
                 | |
| 10 | Т25-4628227-Б1 | Палец блокировки | 
                  
                  Загрузка ...
                 | |
| 11 | А61.07.001 | Шплинт | 
                  
                  Загрузка ...
                 | |
| 12 | М20-6Н.6.019 | Гайка | 
                  
                  Загрузка ...
                 | |
| 13 | А.18.02.019 | Шайба | 
                  
                  Загрузка ...
                 | |
| 14 | 200Т65Г06 | Шайба | 
                  
                  Загрузка ...
                 | |
| 15 | 4х32.019 | Шплинт | 
                  
                  Загрузка ...
                 | |
| 16 | 5х28.019 | Шплинт | 
                  
                  Загрузка ...
                 | 
Узнавайте первыми!
о новинках в отрасли, акциях магазина, новостях компании и многом другом!
									Нажимая на кнопку “Подписаться”,
									Вы соглашаетесь с
									условиями обработки персональных данных
								
Обратный звонок
Оставьте ваши координаты и наш менеджер перезвонит Вам в течение 15 минут в рабочие часы компании.
Нажимая на кнопку “Заказать звонок”,
						Вы соглашаетесь с условиями обработки персональных данных
					
Закажите услугу
Опишите, пожалуйста, ваш заказ на услугу или просто заполните контактную информацию и наши эскперты помогут решить вашу проблему!
						Нажимая на кнопку “Отправить сообщение”,
						Вы соглашаетесь с
						условиями обработки персональных данных
					
Обратная связь
Нужен совет, как выбрать товар или использовать его? Не нашли нужную информацию на сайте? Напишите — наши эксперты помогут Вам!
						Нажимая на кнопку “Отправить сообщение”,
						Вы соглашаетесь с
						условиями обработки персональных данных
					
Войти на сайт
Нет аккаунта? Зарегистрируйтесь на сайте
Регистрация