ЗАПАСНЫЕ ЧАСТИ К ПРИСПОСОБЛЕНИЯМ ДЛЯ УБОРКИ ПОДСОЛНЕЧНИКА, КУКУРУЗЫ, РАПСА, СОИ
ЗАПАСНЫЕ ЧАСТИ К КОСИЛКАМ, ГРАБЛЯМ-ВАЛКООБРАЗОВАТЕЛЯМ, СТОГОМЕТАТЕЛЯМ И ПОГРУЗЧИКАМ
РЕМНАБОРЫ РТИ, КОЛЬЦА УПЛОТНИТЕЛЬНЫЕ
МЕТИЗЫ (БОЛТОКРЕПЕЖ, ХОМУТЫ, ШПОНКИ)
 
              | Позиция на иллюстрации | Заводской номер детали | Название детали | Цена | |
|---|---|---|---|---|
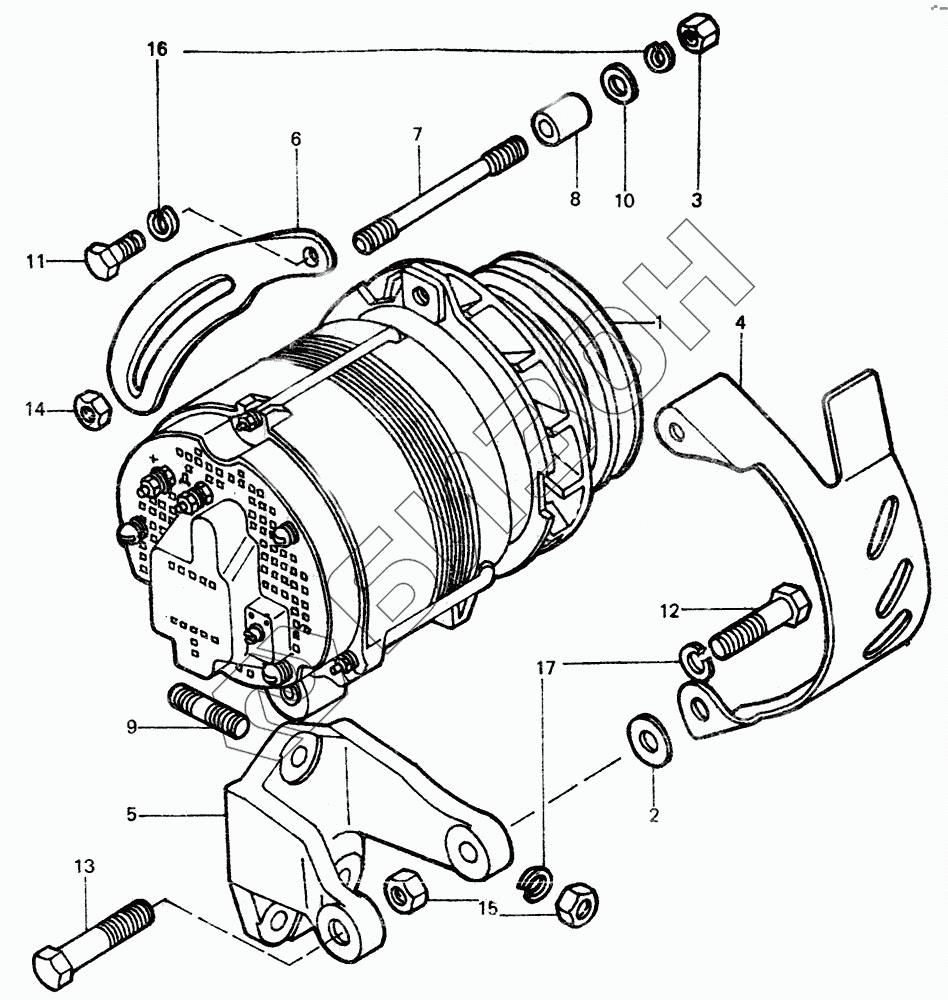
| Д144-3701000-Д | Д144-3701000-Д | Установка генератора | 
                  
                  Загрузка ...
                 | |
| 1 | 14627.3701000 | Генератор 4627.3701 | 
                  
                  Загрузка ...
                 | |
| 2 | Д144-1002053 | Шайба | 
                  
                  Загрузка ...
                 | |
| 3 | Д37А-1008127-Б | Гайка М8Х1 | 
                  
                  Загрузка ...
                 | |
| 4 | Д21А-3701032-А2 | Щиток генератора | 
                  
                  Загрузка ...
                 | |
| 5 | Д37Е-3701630-В2 | Кронштейн | 
                  
                  Загрузка ...
                 | |
| 6 | Д37Е-3701656-В2 | Планка | 
                  
                  Загрузка ...
                 | |
| 7 | Д37Е-3701657 | Шпилька | 
                  
                  Загрузка ...
                 | |
| 8 | Д144-3701661-А | Проставка | 
                  
                  Загрузка ...
                 | |
| 9 | Д37Е-3701675 | Шпилька | 
                  
                  Загрузка ...
                 | |
| 10 | 24-8402097-01 | Шайба | 
                  
                  Загрузка ...
                 | |
| 11 | 4М8-6gх18.88.019 | Болт | 
                  
                  Загрузка ...
                 | |
| 12 | 4М10-6gх35.88.019 | Болт | 
                  
                  Загрузка ...
                 | |
| 13 | 4М10-6gх45.88.019 | Болт | 
                  
                  Загрузка ...
                 | |
| 14 | М8-6Н.6.019 | Гайка | 
                  
                  Загрузка ...
                 | |
| 15 | М10-6Н.6.019 | Гайка | 
                  
                  Загрузка ...
                 | |
| 16 | 8Т65Г06 | Шайба | 
                  
                  Загрузка ...
                 | |
| 17 | 100Т65Г06 | Шайба | 
                  
                  Загрузка ...
                 | 
Узнавайте первыми!
о новинках в отрасли, акциях магазина, новостях компании и многом другом!
									Нажимая на кнопку “Подписаться”,
									Вы соглашаетесь с
									условиями обработки персональных данных
								
Обратный звонок
Оставьте ваши координаты и наш менеджер перезвонит Вам в течение 15 минут в рабочие часы компании.
Нажимая на кнопку “Заказать звонок”,
						Вы соглашаетесь с условиями обработки персональных данных
					
Закажите услугу
Опишите, пожалуйста, ваш заказ на услугу или просто заполните контактную информацию и наши эскперты помогут решить вашу проблему!
						Нажимая на кнопку “Отправить сообщение”,
						Вы соглашаетесь с
						условиями обработки персональных данных
					
Обратная связь
Нужен совет, как выбрать товар или использовать его? Не нашли нужную информацию на сайте? Напишите — наши эксперты помогут Вам!
						Нажимая на кнопку “Отправить сообщение”,
						Вы соглашаетесь с
						условиями обработки персональных данных
					
Войти на сайт
Нет аккаунта? Зарегистрируйтесь на сайте
Регистрация