 
              | Позиция на иллюстрации | Заводской номер детали | Название детали | Цена | |
|---|---|---|---|---|
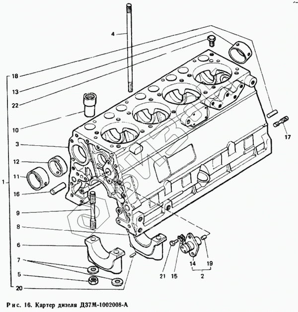
| Д37М-1002008-А | Д37М-1002008-А | Картер дизеля | 
                  
                  Загрузка ...
                 | |
| Д37М-1002008-А | Д37М-1002008-А | Картер дизеля | 
                  
                  Загрузка ...
                 | |
| 1 | Д37М-1002010-А | Картер дизеля | 
                  
                  Загрузка ...
                 | |
| 2 | Д37М-1002170 | Палец паразитной шестерни | 
                  
                  Загрузка ...
                 | |
| 3 | Д37М-1002015-А2 | Картер дизеля | 
                  
                  Загрузка ...
                 | |
| 4 | Д37М-1002028-А2 | Шпилька анкерная | 
                  
                  Загрузка ...
                 | |
| 5 | Д37М-1002029 | Гайка | 
                  
                  Загрузка ...
                 | |
| 6 | Д37М-1002052-А | Крышка 1-, 2-, 4-, 5-го коренных подшипников | 
                  
                  Загрузка ...
                 | |
| 7 | Д37М-1002053 | Шайба | 
                  
                  Загрузка ...
                 | |
| 8 | Д37М-1002062-Б1 | Крышка 3-го коренного подшипника | 
                  
                  Загрузка ...
                 | |
| 9 | Д37М-1002104-А | Шпилька крышек коренных подшипников | 
                  
                  Загрузка ...
                 | |
| 10 | Д37Е-1002115 | Втулка толкателя | 
                  
                  Загрузка ...
                 | |
| 11 | Д37М-1002132-А | Втулка распределительного вала передняя | 
                  
                  Загрузка ...
                 | |
| 12 | Д37М-1002135-А | Втулка распределительного вала средняя | 
                  
                  Загрузка ...
                 | |
| 13 | Д37М-1002138 | Втулка распределительного вала задняя | 
                  
                  Загрузка ...
                 | |
| 14 | Д37М-1002175 | Палец паразитной шестерни | 
                  
                  Загрузка ...
                 | |
| 15 | Д37М-1002176 | Шайба стопорная | 
                  
                  Загрузка ...
                 | |
| 16 | Д30-1002184 | Штифт | 
                  
                  Загрузка ...
                 | |
| 17 | Д30-1002314 | Шпилька | 
                  
                  Загрузка ...
                 | |
| 18 | Д30-1005319 | Штифт установочный | 
                  
                  Загрузка ...
                 | |
| 19 | Д37М-1007118 | Пробка | 
                  
                  Загрузка ...
                 | |
| 20 | Д30-1407565-А | Штифт ведущий | 
                  
                  Загрузка ...
                 | |
| 21 | 47 9367 0006 | Болт 4М8-6gх20.88.35.019 ГОСТ 7796-70 | 
                  
                  Загрузка ...
                 | |
| 22 | 47 9795 1021 | Пробка КГ 1/8" ОСТ 23.1.117-83 | 
                  
                  Загрузка ...
                 | 
Узнавайте первыми!
о новинках в отрасли, акциях магазина, новостях компании и многом другом!
									Нажимая на кнопку “Подписаться”,
									Вы соглашаетесь с
									условиями обработки персональных данных