ЗАПАСНЫЕ ЧАСТИ К ПРИСПОСОБЛЕНИЯМ ДЛЯ УБОРКИ ПОДСОЛНЕЧНИКА, КУКУРУЗЫ, РАПСА, СОИ
ЗАПАСНЫЕ ЧАСТИ К КОСИЛКАМ, ГРАБЛЯМ-ВАЛКООБРАЗОВАТЕЛЯМ, СТОГОМЕТАТЕЛЯМ И ПОГРУЗЧИКАМ
РЕМНАБОРЫ РТИ, КОЛЬЦА УПЛОТНИТЕЛЬНЫЕ
МЕТИЗЫ (БОЛТОКРЕПЕЖ, ХОМУТЫ, ШПОНКИ)
 
              | Позиция на иллюстрации | Заводской номер детали | Название детали | Цена | |
|---|---|---|---|---|
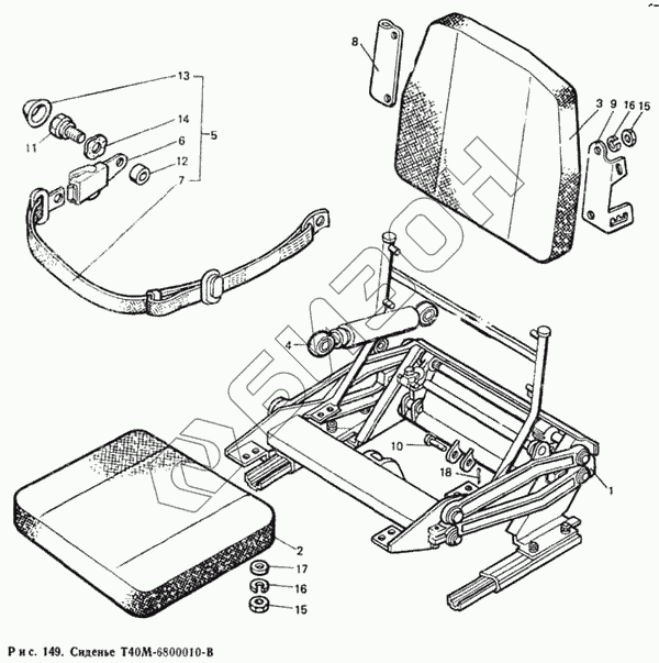
| Т40М-6800010-В | Т40М-6800010-В | Сиденье водителя | 
                  
                  Загрузка ...
                 | |
| 1 | Т40М-6800040-Г | Остов сиденья с подвеской (476117529406) | 
                  
                  Загрузка ...
                 | |
| 2 | Т40М-6803070 | Подушка сиденья (476117548809) | 
                  
                  Загрузка ...
                 | |
| 3 | Т40М-6805010 | Подушка спинки сиденья (476117569504) | 
                  
                  Загрузка ...
                 | |
| 4 | АС20.050.00.000 | Амортизатор гидравлический | 
                  
                  Загрузка ...
                 | |
| 5 | ЕА35.00.00 | Ремень безопасности | 
                  
                  Загрузка ...
                 | |
| 6 | Е3.00.0014 | Замок | 
                  
                  Загрузка ...
                 | |
| 7 | ЕА35.20.00 | Лямка поясная | 
                  
                  Загрузка ...
                 | |
| 8 | Т40М-6800034-Б | Сектор правый | 
                  
                  Загрузка ...
                 | |
| 9 | Т40М-6800035Б | Сектор левый | 
                  
                  Загрузка ...
                 | |
| 10 | Т40М-6800052 | Ось | 
                  
                  Загрузка ...
                 | |
| 11 | Т40М-6800091 | Болт | 
                  
                  Загрузка ...
                 | |
| 12 | РБ5.00.07-02 | Втулка | 
                  
                  Загрузка ...
                 | |
| 13 | ИРБ.9.00.01 | Накладка | 
                  
                  Загрузка ...
                 | |
| 14 | РБ5.00.01 | Шайба пружинная | 
                  
                  Загрузка ...
                 | |
| 15 | Гайка М6-6Н.6.019 ГОСТ 5915-70 | Гайка М6-6Н.6.019 ГОСТ 5915-70 | 
                  
                  Загрузка ...
                 | |
| 16 | Шайба 6 Т 65Г 06 ГОСТ 6402-70 | Шайба 6 Т 65Г 06 ГОСТ 6402-70 | 
                  
                  Загрузка ...
                 | |
| 17 | Шайба 6.01.10кп.019 ГОСТ 11371-78 | Шайба 6.01.10кп.019 ГОСТ 11371-78 | 
                  
                  Загрузка ...
                 | |
| 18 | Шплинт 2Х20.010 ГОСТ 397-79 | Шплинт 2Х20.010 ГОСТ 397-79 | 
                  
                  Загрузка ...
                 | 
Узнавайте первыми!
о новинках в отрасли, акциях магазина, новостях компании и многом другом!
									Нажимая на кнопку “Подписаться”,
									Вы соглашаетесь с
									условиями обработки персональных данных
								
Обратный звонок
Оставьте ваши координаты и наш менеджер перезвонит Вам в течение 15 минут в рабочие часы компании.
Нажимая на кнопку “Заказать звонок”,
						Вы соглашаетесь с условиями обработки персональных данных
					
Закажите услугу
Опишите, пожалуйста, ваш заказ на услугу или просто заполните контактную информацию и наши эскперты помогут решить вашу проблему!
						Нажимая на кнопку “Отправить сообщение”,
						Вы соглашаетесь с
						условиями обработки персональных данных
					
Обратная связь
Нужен совет, как выбрать товар или использовать его? Не нашли нужную информацию на сайте? Напишите — наши эксперты помогут Вам!
						Нажимая на кнопку “Отправить сообщение”,
						Вы соглашаетесь с
						условиями обработки персональных данных
					
Войти на сайт
Нет аккаунта? Зарегистрируйтесь на сайте
Регистрация