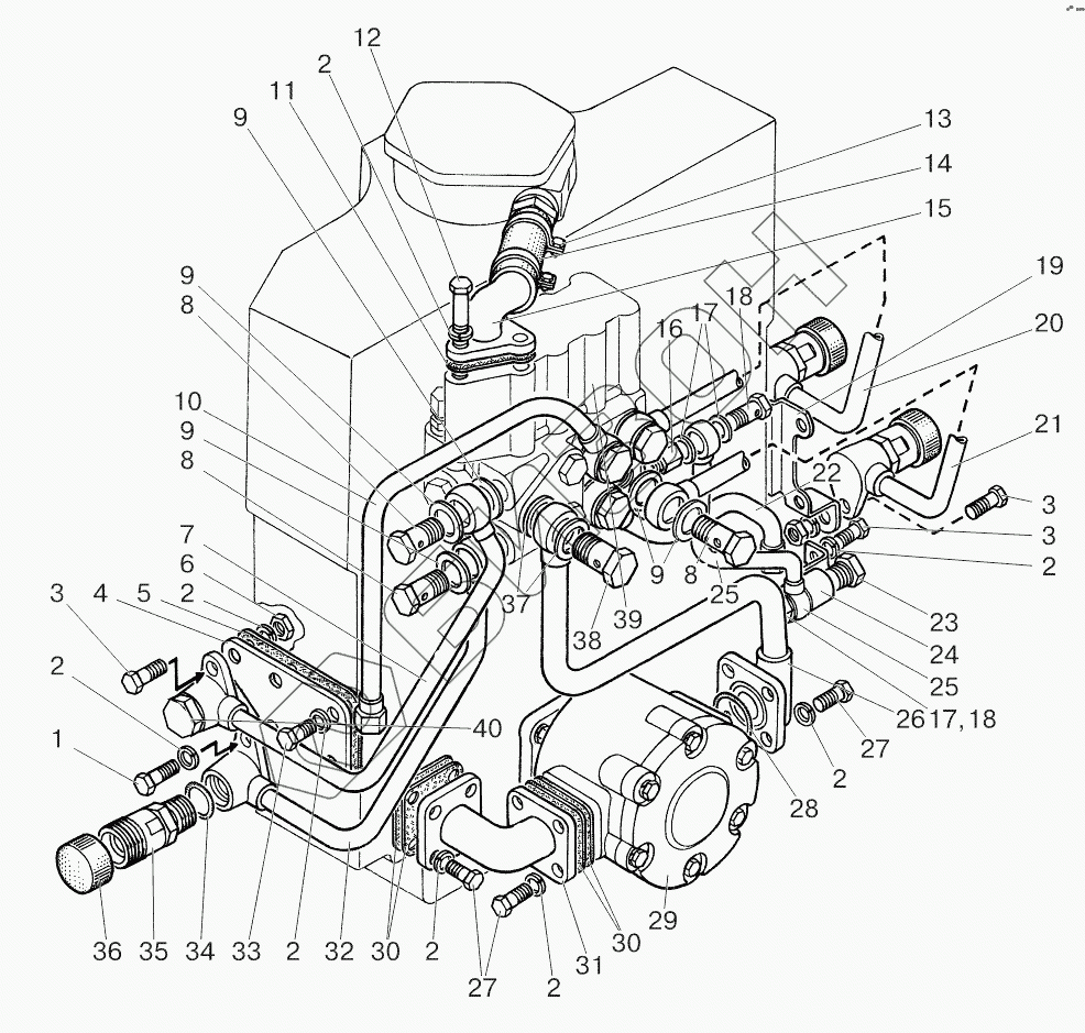
Графический каталог запасных частей к технике: МТЗ 800/900. Арматура корпуса гидроагрегатов

zoom-in zoom-out enlarge shrink circle-right circle-left file-text2 info cart spinner6
1
2
2
2
2
2
2
2
2
3
3
3
4
5
6
7
7
8
8
8
9
9
9
9
10
11
12
13
13
14
15
16
17
17
18
18
19
20
21
22
23
24
25
25
26
26
27
27
28
29
29
30
30
31
31
32
32
33
34
35
36
37
38
39
40
Позиция на иллюстрации Заводской номер детали Название детали Цена
80-4600015-Б-02 80-4600015-Б-02 Корпус гидросистемы
Загрузка ...
80-4600015-Б 80-4600015-Б Гидросистема
Загрузка ...
1021-4600015 1021-4600015 Корпус гидросистемы
Загрузка ...
Р85-4600015 Р85-4600015 Корпус гидросистемы
Загрузка ...
1 М8x35 Болт
Загрузка ...
2 ШП8 Шайба
Загрузка ...
3 М8x30 Болт
Загрузка ...
4 80-4608019-01 Крышка
Загрузка ...
5 70-4608033-01 Прокладка
Загрузка ...
6 М8 Гайка
Загрузка ...
7 Н80-4607120 Труба
Загрузка ...
7 80x-4607120 Труба
Загрузка ...
8 40-4607032 Болт
Загрузка ...
9 40-4607038-А-01 Шайба
Загрузка ...
10 80-4607165 Труба
Загрузка ...
11 40-4607018-01 Прокладка
Загрузка ...
12 М8x110 Болт
Загрузка ...
13 xС-31 Хомут
Загрузка ...
13 25-40 Хомут
Загрузка ...
14 85-4607063 Шланг
Загрузка ...
15 85-4607425 Угольник
Загрузка ...
16 80-4607142 Штуцер
Загрузка ...
17 Д18-055А-01 Кольцо уплотнительное
Загрузка ...
18 Д18-051 Болт
Загрузка ...
19 80-4607119 Кронштейн
Загрузка ...
20 80-4607110 Труба
Загрузка ...
21 80-4607115-Б Труба
Загрузка ...
22 80-4607175 Труба
Загрузка ...
23 1221-1802091 Пробка резьбовая
Загрузка ...
24 80-4607320-Б Кронштейн
Загрузка ...
25 80-4607310-А Труба
Загрузка ...
26 80-4607075А Труба
Загрузка ...
26 80-4607075Б Труба
Загрузка ...
27 М8x25 Болт
Загрузка ...
28 035-040-30-1-4 Кольцо
Загрузка ...
29 НШ32А Насос
Загрузка ...
29 НШ32М-3 Насос
Загрузка ...
30 50-4607097-01 Прокладка
Загрузка ...
31 70-4607096-А Патрубок
Загрузка ...
31 50-4607096-А Патрубок
Загрузка ...
32 Н80-4607130 Труба
Загрузка ...
32 80x-4607130 Труба
Загрузка ...
33 М8x20 Болт
Загрузка ...
34 017-022-30-1-4 Кольцо
Загрузка ...
35 3057-4616330-А Клапан запорного устройства
Загрузка ...
36 50-4607039-А Колпак
Загрузка ...
37 40-4607033-А-01 Шайба
Загрузка ...
38 40-4607037 Болт
Загрузка ...
39 Р80-3/4-222-3Гг Гидрораспределитель
Загрузка ...
40 М22 Заглушка
Загрузка ...
Содержащиеся в справочниках-каталогах запасные части и детали не предлагаются к продаже, а носят исключительно информационный характер