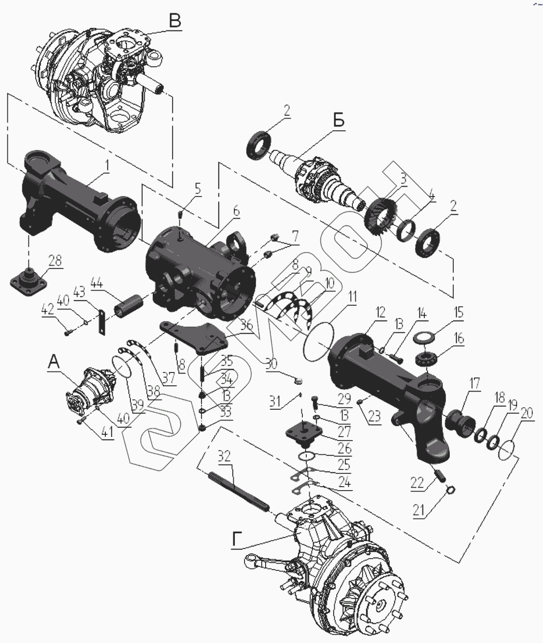
Графический каталог запасных частей к технике: МТЗ 892. Передний ведущий мост 822-2300020

zoom-in zoom-out enlarge shrink circle-right circle-left file-text2 info cart spinner6
А
Б
В
Г
1
1
2
2
3
4
5
6
7
8
8
9
10
11
12
12
13
13
13
14
15
16
17
18
19
20
21
22
23
24
25
26
27
28
29
30
31
32
32
33
34
35
36
36
37
38
39
40
40
41
42
43
44
Позиция на иллюстрации Заводской номер детали Название детали Цена
822-2300020-02 822-2300020-02 Передний ведущий мост в сборе
Загрузка ...
822-2300020-04 822-2300020-04 Передний ведущий мост в сборе
Загрузка ...
А 52-2302010 Шестерня ведущая в сборе
Загрузка ...
Б 52-2303010-Б-01 Дифференциал
Загрузка ...
В 822-2308005 Редуктор левый
Загрузка ...
Г 822-2308005-01 Редуктор правый
Загрузка ...
822-2308110 822-2308110 Обойма
Загрузка ...
1 822-2301051-01 Рукав
Загрузка ...
1 822-2301051 Рукав
Загрузка ...
2 263212А Подшипник
Загрузка ...
3 52-2302019 Шестерня ведомая
Загрузка ...
4 52-2302038-A1 Гайка
Загрузка ...
5 TSS0G-1/8 Сапун
Загрузка ...
6 72-2301055 Корпус
Загрузка ...
7 ПККГ3/4 Пробка
Загрузка ...
8 Д01-015 Штифт установочный
Загрузка ...
9 52-2303027 Прокладка регулировочная В = 0,5 мм (подбираются при регулировке подшипников)
Загрузка ...
10 52-2303028 Прокладка регулировочная В = 0,2 мм (подбираются при регулировке подшипников)
Загрузка ...
11 150-155-36-1-4 Кольцо
Загрузка ...
12 822-2301053-01 Рукав
Загрузка ...
12 822-2301053 Рукав
Загрузка ...
13 16.ОТ Шайба
Загрузка ...
14 М16-6gx45.88.35.019 Болт
Загрузка ...
15 1520-2308039 Стакан
Загрузка ...
16 1027307А Подшипник
Загрузка ...
17 822-2308100 Обойма
Загрузка ...
18 1.2-38х58-1 Манжета
Загрузка ...
19 2.2-38х58-1 Манжета
Загрузка ...
20 075-080-30-1-4 Кольцо
Загрузка ...
21 85-3407113 Гайка
Загрузка ...
22 1520-2308009 Винт
Загрузка ...
23 ПККГ3/8 Пробка
Загрузка ...
24 52-2302021 Прокладка регулировочная В = 0,5 мм
Загрузка ...
25 52-2302022 Прокладка регулировочная В = 0,2 мм
Загрузка ...
26 055-063-46-1-4 Кольцо
Загрузка ...
27 1520-2308037 Ось
Загрузка ...
28 1520-2308037-01 Ось
Загрузка ...
29 М16-6gx45.88.35.019 Болт
Загрузка ...
30 85-4607447 Колпачок
Загрузка ...
31 1.3.Ц9.хр Масленка
Загрузка ...
32 822-2308065-01 Вал
Загрузка ...
32 822-2308065 Вал
Загрузка ...
33 М16-6Н.6.019 Гайка
Загрузка ...
34 1520-2308077 Втулка
Загрузка ...
35 1520-2308079 Шпилька
Загрузка ...
36 922-2301023-Б-01 Кронштейн цилиндра
Загрузка ...
36 822-2301023-Б-01 Кронштейн
Загрузка ...
37 1520-2308042 Прокладка регулировочная
Загрузка ...
38 1520-2308042-01 Прокладка регулировочная
Загрузка ...
39 089-095-36-1-4 Кольцо
Загрузка ...
40 12.ОТ Шайба
Загрузка ...
41 М12-6gx35.88.35.019 Болт
Загрузка ...
42 М12-6gx25.88.35.019 Болт
Загрузка ...
43 72-2301059-A1 Планка
Загрузка ...
44 52-2301058-A4 Ось
Загрузка ...
Содержащиеся в справочниках-каталогах запасные части и детали не предлагаются к продаже, а носят исключительно информационный характер