Графический каталог запасных частей к технике: МТЗ-1021.3. Колонка рулевая

zoom-in zoom-out enlarge shrink circle-right circle-left file-text2 info cart spinner6
85П-3401000-02
85-3401000-А-02
85-3401010
1
2
3
4
5
6
7
8
9
10
11
11
12
13
14
15
15
16
17
18
18
19
19
20
21
22
23
24
24
25
26
27
28
29
30
31
32
33
34
35
36
36
37
38
39
40
41
42
43
44
45
46
47
48
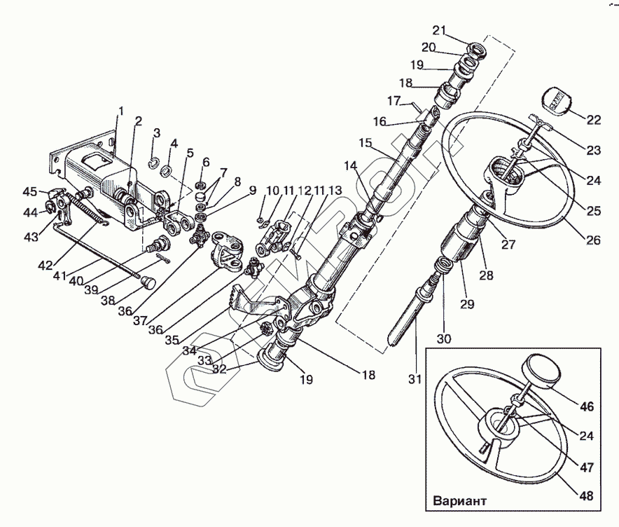
Позиция на иллюстрации Заводской номер детали Название детали Цена
85П-3401000-02 85П-3401000-02 Колонка рулевая
Загрузка ...
85-3401000-А-02 85-3401000-А-02 Колонка рулевая
Загрузка ...
85-3401150 85-3401150 Кардан для ОSРВ-100 в сборе
Загрузка ...
85-3401010 85-3401010 Колонка рулевая для насоса-дозатора НД-80 и щитка приборов 80-3805010 в сборе
Загрузка ...
1 85-3401120 Кронштейн
Загрузка ...
2 85-3401016 Втулка
Загрузка ...
3 С20 Кольцо
Загрузка ...
4 80-3401019 Шайба
Загрузка ...
5 85-3401156-Б Вилка (ОSРВ-100)
Загрузка ...
6 С19 Кольцо
Загрузка ...
7 904700 УС17 Подшипник
Загрузка ...
8 50-3401064 Сальник
Загрузка ...
9 50-3401063 Обойма
Загрузка ...
10 М10-6Н.04.019 Гайка
Загрузка ...
11 80-3401013 Шайба
Загрузка ...
12 50-3401061-А Вилка
Загрузка ...
13 M10-6gx45.88.35.019 Болт
Загрузка ...
14 СШ-510 Шпонка
Загрузка ...
15 70-3401050-Б Вал со штифтом и хвостовиком в сборе
Загрузка ...
15 70-3401055 Вал промежуточный
Загрузка ...
16 70-3401054-Б Хвостовик вала
Загрузка ...
17 ШЦК 8x36 Штифт
Загрузка ...
18 70-3401077-Б Амортизатор
Загрузка ...
19 70-3401076 Втулка
Загрузка ...
20 70-3401078 Гайка
Загрузка ...
21 70-3401079 Контргайка
Загрузка ...
22 80-3401082 Крышка головки
Загрузка ...
23 80-3401140 Зажим
Загрузка ...
24 М16x1,5-61-1.6.019 Гайка
Загрузка ...
25 50-3401091 Шайба
Загрузка ...
26 80-3402015 Колесо
Загрузка ...
27 80-3709025 Втулка
Загрузка ...
28 80-3709026-Б Втулка
Загрузка ...
29 80-3709024 Чехол
Загрузка ...
30 50-4608057 Пружина
Загрузка ...
31 85-3401175 Вал
Загрузка ...
32 600-3401012 Шайба
Загрузка ...
33 70-3003032 Гайка
Загрузка ...
34 8x28.01.019 Заклепка
Загрузка ...
35 600-3401160 Сектор
Загрузка ...
36 50-3401062 Крестовина
Загрузка ...
37 85-3401067 Вилка
Загрузка ...
38 70-3709012-А Ручка переключателя
Загрузка ...
39 4x25.019 Шплинт
Загрузка ...
40 85-3401011 Винт
Загрузка ...
41 80-3401001 Тяга
Загрузка ...
42 50-1310158-Б Пружина
Загрузка ...
43 1,6x12.019 Шплинт
Загрузка ...
44 С18 Кольцо
Загрузка ...
45 85-3401014 Фиксатор
Загрузка ...
46 822-3401140-А1 Зажим
Загрузка ...
47 16 ОТ Шайба
Загрузка ...
48 70-3402015-А Рулевое колесо
Загрузка ...
Содержащиеся в справочниках-каталогах запасные части и детали не предлагаются к продаже, а носят исключительно информационный характер