Графический каталог запасных частей к технике: МТЗ-1025.4. Корпус сцепления

zoom-in zoom-out enlarge shrink circle-right circle-left file-text2 info cart spinner6
44
45
46
46
47
48
49
50
50
51
52
53
54
55
56
57
58
59
60
61
62
63
64
65
66
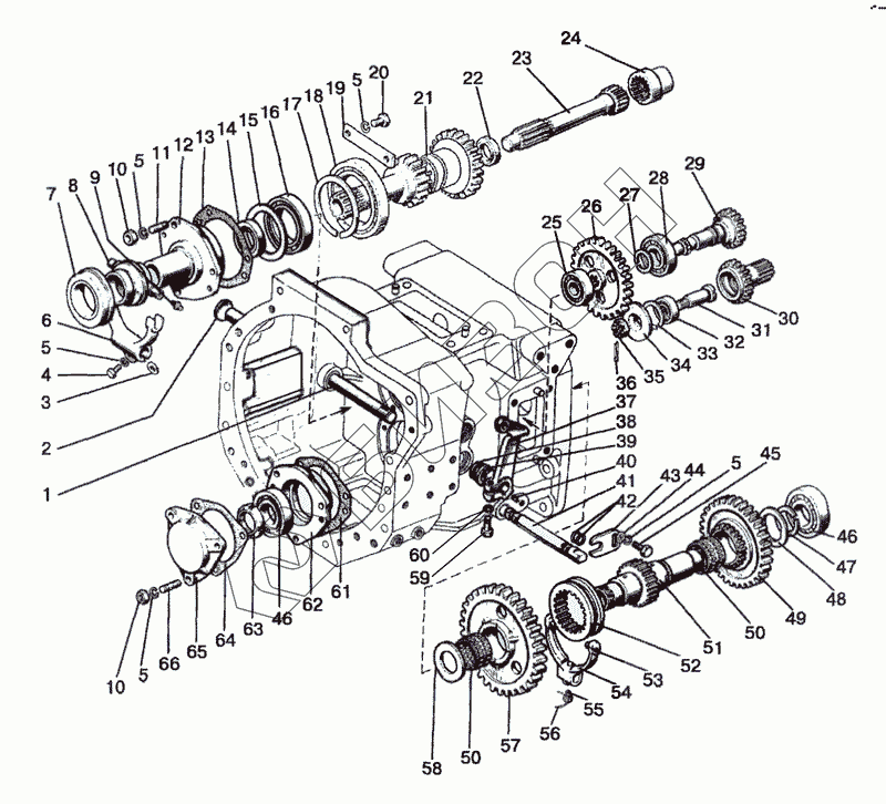
Позиция на иллюстрации Заводской номер детали Название детали Цена
44 С 10.01.019 Шайба
Загрузка ...
45 M10-6gx20.88.35.019 Болт
Загрузка ...
46 209А Подшипник
Загрузка ...
47 2С50 Кольцо
Загрузка ...
48 80-1601083 Шайба
Загрузка ...
49 80-1601086-А Шестерня
Загрузка ...
50 664910Е Подшипник
Загрузка ...
51 80-1601021 Вал
Загрузка ...
52 112-1701343 Муфта
Загрузка ...
53 70-1601114 Штифт
Загрузка ...
54 80-1601191 Вилка
Загрузка ...
55 50-4604046 Болт вилки
Загрузка ...
56 1,0-О-С Проволока
Загрузка ...
57 80-1601088-А Шестерня
Загрузка ...
58 80-1601082 Шайба
Загрузка ...
59 M12-6gx35.88.35.019 Болт
Загрузка ...
60 12 ОТ Шайба
Загрузка ...
61 80-1601091 Прикладка
Загрузка ...
62 80-1601041 Стакан
Загрузка ...
63 80-1701045 Гайка
Загрузка ...
64 80-1601092 Прокладка
Загрузка ...
65 80-1601089 Крышка
Загрузка ...
66 М10 3р/6gx35.66.019 Шпилька
Загрузка ...
Содержащиеся в справочниках-каталогах запасные части и детали не предлагаются к продаже, а носят исключительно информационный характер
Сайт использует файлы cookie, обрабатываемые вашим браузером. Подробнее об этом вы можете узнать в Политике cookie.
Принять Настроить Отклонить