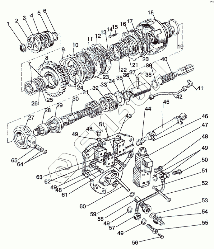
Графический каталог запасных частей к технике: МТЗ-1025.4. Привод переднего ведущего моста

zoom-in zoom-out enlarge shrink circle-right circle-left file-text2 info cart spinner6
1
2
3
4
5
6
7
8
8
9
10
11
12
13
14
15
16
17
18
19
20
21
22
23
24
25
26
27
28
29
30
31
32
33
34
35
36
37
38
39
40
41
42
43
44
45
46
47
48
48
48
49
49
49
49
49
50
51
51
52
53
54
55
56
57
58
59
60
61
62
63
64
65
Позиция на иллюстрации Заводской номер детали Название детали Цена
1221-1802030 1221-1802030 Фрикцион
Загрузка ...
1 1221-1802023 Гайка
Загрузка ...
2 1221-1802019 Шайба
Загрузка ...
3 86-1802024-А Втулка
Загрузка ...
4 В72 Кольцо
Загрузка ...
5 6-50306К Подшипник
Загрузка ...
6 86-1802043 Шайба
Загрузка ...
7 206А Подшипник
Загрузка ...
8 1221-1802040 Шестерня
Загрузка ...
8 1221-1802041 Шестерня
Загрузка ...
9 С135 Кольцо
Загрузка ...
10 86-1802034 Диск упорный
Загрузка ...
11 86-1802032 Диск ведомый
Загрузка ...
12 1221-1802032 Диск ведомый
Загрузка ...
13 С48 Кольцо
Загрузка ...
14 86-1802039 Направляющая
Загрузка ...
15 86-1802048 Пружина
Загрузка ...
16 1221-1802031 Поршень
Загрузка ...
17 86-1802047 Кольцо
Загрузка ...
18 1221-1802036 Барабан
Загрузка ...
19 86-1802083-А Кольцо
Загрузка ...
20 1221-1802333 Кольцо
Загрузка ...
21 86-1802038 Пружина
Загрузка ...
22 86-1802046 Стакан
Загрузка ...
23 86-1802035-А Диск ведущий
Загрузка ...
24 1221-1802044 Втулка
Загрузка ...
25 С62 Кольцо
Загрузка ...
26 86-1802049 Кольцо
Загрузка ...
27 1221-1802025 Обойма
Загрузка ...
28 86-1802028 Втулка
Загрузка ...
29 8020-1802026 Полумуфта
Загрузка ...
30 1221-1802013-Б Вал
Загрузка ...
31 86-1802027 Пружина
Загрузка ...
32 86-1802051 Шайба
Загрузка ...
33 207 Шарикоподшипник
Загрузка ...
34 86-1802052 Шайба
Загрузка ...
35 52-2308097 Гайка
Загрузка ...
36 86-1802014-Б Втулка
Загрузка ...
37 А.8х40.65Г Штифт
Загрузка ...
38 1,6-О-С Проволока
Загрузка ...
39 86-1802017-Б Кольцо
Загрузка ...
40 2022Д-1802042 Вал
Загрузка ...
41 86-1802088 Угольник
Загрузка ...
42 86-1802055 Трубопровод
Загрузка ...
43 1221-1802016 Крышка
Загрузка ...
44 85-3407470 Штуцер
Загрузка ...
45 1221-1802068 Рукав
Загрузка ...
46 12-20/9C6W Хомут «Норма»
Загрузка ...
47 RH06101 -012/00GA-AMP Гидрораспределитель
Загрузка ...
48 1221-1802091 Пробка резьбовая
Загрузка ...
49 Д18-055-А Шайба
Загрузка ...
50 Д18-051 Болт
Загрузка ...
51 Шайба
Загрузка ...
52 B.M5-6gx50.58.019 Винт
Загрузка ...
53 50-1702048 Прокладка
Загрузка ...
54 BK12-51 Выключатель
Загрузка ...
55 1520-1802088 Болт
Загрузка ...
56 КГ 1/8" А12.019 Пробка
Загрузка ...
57 1221-1802050 Трубопровод
Загрузка ...
58 8020-1802018 Направляющая
Загрузка ...
59 019-022-19-2-2 Кольцо
Загрузка ...
60 8020-1802029 Толкатель
Загрузка ...
61 В.М5-6gx16.58.019 Винт
Загрузка ...
62 1221-1802012 Крышка
Загрузка ...
63 1025-1802019 Прокладка
Загрузка ...
64 011-016-30-2-4 Кольцо
Загрузка ...
65 1221-1802054 Втулка
Загрузка ...
Содержащиеся в справочниках-каталогах запасные части и детали не предлагаются к продаже, а носят исключительно информационный характер
Сайт использует файлы cookie, обрабатываемые вашим браузером. Подробнее об этом вы можете узнать в Политике cookie.
Принять Настроить Отклонить