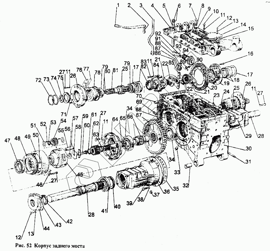
Графический каталог запасных частей к технике: МТЗ-1221. Корпус заднего моста

zoom-in zoom-out enlarge shrink circle-right circle-left file-text2 info cart spinner6
1
2
3
4
5
6
7
8
9
10
11
11
11
11
11
12
12
13
13
14
15
16
17
17
18
19
20
21
21
22
22
23
24
25
25
26
26
27
27
27
27
28
28
29
30
31
32
33
34
34
35
36
37
38
39
40
41
42
43
44
45
46
47
48
49
50
51
52
53
54
55
56
57
58
59
60
61
62
63
64
65
66
67
68
69
70
71
72
73
74
75
76
77
78
79
79
80
81
82
83
84
85
86
87
88
89
90
91
92
93
94
Позиция на иллюстрации Заводской номер детали Название детали Цена
50-2401040 50-2401040 Валик управления в сборе
Загрузка ...
1521-2407535 1521-2407535 Водило в сборе
Загрузка ...
1220-2403010-01 1220-2403010-01 Дифференциал в сборе
Загрузка ...
1221-2401010 1221-2401010 Задний мост в сборе
Загрузка ...
85-2403014 85-2403014 Комплект шестерен главной передачи (80-1701252-В, 50-2403021-В)
Загрузка ...
1220-2407500 1220-2407500 Конечная передача левая в сборе
Загрузка ...
1220-2407500-01 1220-2407500-01 Конечная передача правая в сборе
Загрузка ...
1220-2403015 1220-2403015 Корпус дифференциала в сборе
Загрузка ...
1221-2401015 1221-2401015 Корпус заднего моста в сборе
Загрузка ...
1220-2403055 1220-2403055 Сателлит со втулкой в сборе
Загрузка ...
1220-2407060 1220-2407060 Стакан левый в сборе
Загрузка ...
1220-2407060-01 1220-2407060-01 Стакан правый в сборе
Загрузка ...
1221-2407130 1221-2407130 Стакан с подшипником в сборе
Загрузка ...
1220-2407540 1220-2407540 Шестерня ведущая в сборе
Загрузка ...
1 36-1310139 Шарик
Загрузка ...
2 85-2401080 Рычаг
Загрузка ...
3 85-2401050 Стойка
Загрузка ...
4 020-025-30-1-4 Кольцо
Загрузка ...
5 50-2401019-В Валик
Загрузка ...
6 50-2401031 Шайба
Загрузка ...
7 М20х60 Болт
Загрузка ...
8 SНР20 Шайба
Загрузка ...
9 85-2401024 Крышка
Загрузка ...
10 М12х40 Болт
Загрузка ...
11 SНР12 Шайба
Загрузка ...
12 М10х25 Болт
Загрузка ...
13 SНР10 Шайба
Загрузка ...
14 85-2401026 Крышка
Загрузка ...
15 85-4616031 Прокладка
Загрузка ...
16 50-1702092 Болт призонный М12х42
Загрузка ...
17 1221-2407043 Кольцо
Загрузка ...
18 7516А Подшипник
Загрузка ...
19 1221-2403018 Корпус
Загрузка ...
20 50-2403021-В Шестерня ведомая
Загрузка ...
21 1221-2403049 Шайба опорная
Загрузка ...
22 1220-2403048 Шестерня полуосевая
Загрузка ...
23 D01-015 Штифт
Загрузка ...
24 1221-2407053-01 Вал
Загрузка ...
25 1221-2407052 Шестерня
Загрузка ...
26 1221-2407042 Стакан подшипника
Загрузка ...
27 М12х35 Болт
Загрузка ...
28 1221-2047082 Полуось
Загрузка ...
29 1221-2407018-01 Рукав полуоси правый
Загрузка ...
30 1221-2401015 Корпус заднего моста в сборе
Загрузка ...
31 50-2401028 Шпилька
Загрузка ...
32 80-2401032 Втулка
Загрузка ...
33 РSМ1,1/4" Пробка магнитная
Загрузка ...
34 217К5 Подшипник
Загрузка ...
35 1221-2407552 Прокладка
Загрузка ...
36 1221-2407018 Рукав полуоси левый
Загрузка ...
37 КG1/8" Пробка
Загрузка ...
38 SНР16 Шайба
Загрузка ...
39 М16х60 Болт
Загрузка ...
40 142-2407091 Кольцо
Загрузка ...
41 7218А Подшипник
Загрузка ...
42 2.2-90х120-1 Манжета
Загрузка ...
43 142-2407029 Прокладка
Загрузка ...
44 142-2407028 Крышка
Загрузка ...
45 1221-2407536-В Водило
Загрузка ...
46 1221-2407503 Пластина
Загрузка ...
47 7217А Подшипник
Загрузка ...
48 1221-2407502 Ступица эпицикла
Загрузка ...
49 5336-2405050-А Шестерня ведомая
Загрузка ...
50 1221-2407508 Штифт
Загрузка ...
51 1221-2407538 Шайба сателлита
Загрузка ...
52 5х27,8А3 Ролик
Загрузка ...
53 1221-2407539 Шайба распорная
Загрузка ...
54 5336-2405035 Сателлит
Загрузка ...
55 1221-2407556 Валик
Загрузка ...
56 1221-2407506 Прокладка
Загрузка ...
57 8х45 Штифт
Загрузка ...
58 1221-2407537 Шайба
Загрузка ...
59 1221-2407507 Шайба
Загрузка ...
60 70-4605036 Болт
Загрузка ...
61 2V55 Кольцо
Загрузка ...
62 5336-2405028 Шестерня ведущая
Загрузка ...
63 1221-2407542 Втулка
Загрузка ...
64 1221-2407131 Стакан
Загрузка ...
65 1221-2407541 Вал
Загрузка ...
66 1221-2407123 Втулка
Загрузка ...
67 1221-2407122 Шестерня ведомая
Загрузка ...
68 50-2401016 Прокладка
Загрузка ...
69 50-4605027 Штифт
Загрузка ...
70 36-3502037 Втулка
Загрузка ...
71 50-1601352 Штифт
Загрузка ...
72 V125 Кольцо
Загрузка ...
73 115-120-30-1-4 Кольцо
Загрузка ...
74 2.2-52х75-1 Манжета
Загрузка ...
75 1221-2407081 Обойма
Загрузка ...
76 1221-2407056 Прокладка (0,5 mm)
Загрузка ...
77 1221-2407057 Прокладка (0,2 mm)
Загрузка ...
78 205-210-36-1-4 Кольцо
Загрузка ...
79 42311 Подшипник
Загрузка ...
80 035-040-30-1-4 Кольцо
Загрузка ...
81 70-2407053 Шестерня ведущая (левая)
Загрузка ...
82 7216А Подшипник
Загрузка ...
83 50-2403034-А Болт
Загрузка ...
84 1220-2403019 Крышка
Загрузка ...
85 1220-2403062 Крестовина
Загрузка ...
86 1220-2403057 Сателлит
Загрузка ...
87 1220-2403056 Втулка
Загрузка ...
88 1220-2403025 Шайба опорная
Загрузка ...
89 М12 Гайка
Загрузка ...
90 50-2403023 Пластина стопорная
Загрузка ...
91 50-2401020 Поводок
Загрузка ...
92 36-1702110 Винт установочный
Загрузка ...
93 1,6х200 Проволока
Загрузка ...
94 80-1701252-В Вал
Загрузка ...
Содержащиеся в справочниках-каталогах запасные части и детали не предлагаются к продаже, а носят исключительно информационный характер