Графический каталог запасных частей к технике: МТЗ-80. Гидроагрегаты и арматура

zoom-in zoom-out enlarge shrink circle-right circle-left file-text2 info cart spinner6
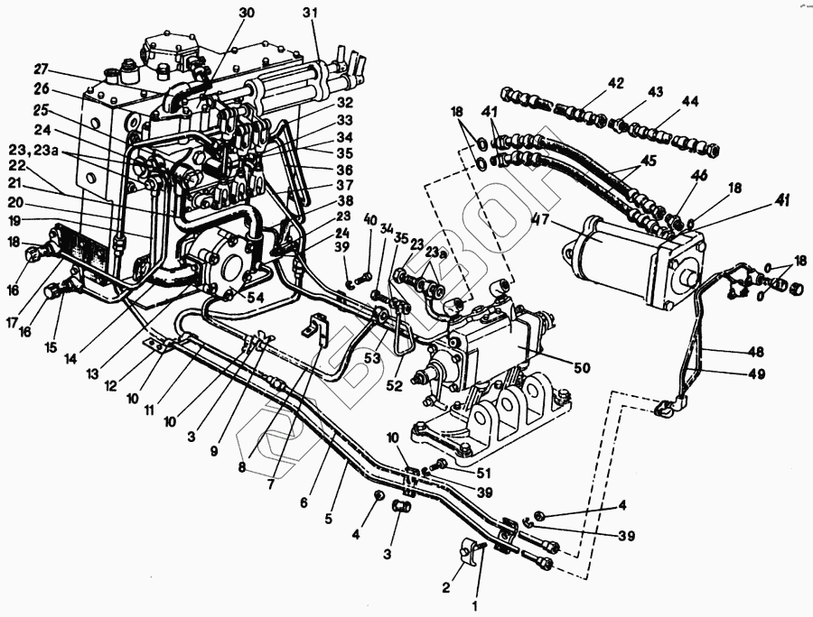
1
2
3
3
4
4
5
6
7
8
9
10
10
10
11
12
13
14
15
16
16
17
18
18
18
18
19
20
21
22
23
23
23
24
24
25
26
27
30
31
32
33
34
34
35
35
36
37
38
39
39
39
40
41
41
42
43
44
45
46
47
48
49
50
51
52
53
54
230
230
Позиция на иллюстрации Заводской номер детали Название детали Цена
1 Болт М8-6gх45.88.35.019 ГОСТ 7796-70 Болт М8-6gх45.88.35.019 ГОСТ 7796-70
Загрузка ...
2 70-4607156 Планка
Загрузка ...
3 70-3506027 Втулка
Загрузка ...
4 Гайка М8-6Н.6.019 ГОСТ 5915-70 Гайка М8-6Н.6.019 ГОСТ 5915-70
Загрузка ...
5 Н80-4607160 Труба
Загрузка ...
6 Н80-4607150 Труба
Загрузка ...
7 70-4607270-А Кронштейн
Загрузка ...
8 80-4607180 Труба
Загрузка ...
9 80-4607169 Кронштейн
Загрузка ...
10 70-3407146 Планка
Загрузка ...
11 Н80-4607170 Труба
Загрузка ...
12 Н80-4607206 Кронштейн
Загрузка ...
13 50-4607097 Прокладка
Загрузка ...
14 70-4607096 Патрубок
Загрузка ...
15 3057-4616330-А Клапан запорного устройства
Загрузка ...
16 50-4607039-А Колпак
Загрузка ...
17 80Х-4607120 Труба
Загрузка ...
18 Кольцо 017-022-30-2-2 ГОСТ 9833-73 Кольцо 017-022-30-2-2 ГОСТ 9833-73
Загрузка ...
19 80Х-4607130 Труба
Загрузка ...
20 80-4607165 Труба
Загрузка ...
21 80-4607075 Труба
Загрузка ...
22 Кольцо 035-040-30-2-2 ГОСТ 9833-73 Кольцо 035-040-30-2-2 ГОСТ 9833-73
Загрузка ...
23 40-4607032 Болт
Загрузка ...
24 40-4607047 Болт
Загрузка ...
25 40-4607033-А Шайба
Загрузка ...
26 40-4607018 Прокладка
Загрузка ...
27 85-4607425 Угольник
Загрузка ...
28 ХС-31 Хомут
Загрузка ...
29 85-4607063 Шланг
Загрузка ...
30 Р80-3/4-222 Распределитель
Загрузка ...
31 85-4607040 Кронштейн
Загрузка ...
32 80-4607110 Труба
Загрузка ...
33 80-4607142 Штуцер
Загрузка ...
34 Д18-051 Болт
Загрузка ...
35 Д18-055А Кольцо
Загрузка ...
36 80-4607115 Труба
Загрузка ...
37 80-4607175 Труба
Загрузка ...
38 80-4607310-А Труба
Загрузка ...
39 Шайба 8Т.65Г.06 ГОСТ 6402-70 Шайба 8Т.65Г.06 ГОСТ 6402-70
Загрузка ...
40 М8-6gх35.88.35.019 ГОСТ 7796-70 Болт
Загрузка ...
41 70-1405089 Штуцер
Загрузка ...
42 Н.036.83.090 Рукав высокого давления
Загрузка ...
43 Н.036.02.002 Штуцер
Загрузка ...
44 Н.036.83.110 Рукав высокого давления
Загрузка ...
45 Н.036.82.020-А Рукав
Загрузка ...
46 Н.036.65.000-06 Замедлительный клапан
Загрузка ...
47 Ц100х200-3 Цилиндр
Загрузка ...
48 70-4607400 Труба
Загрузка ...
49 70-4607395 Труба
Загрузка ...
50 80-4614020 Регулятор
Загрузка ...
51 Болт М8-6gх40.88.35.019 ГОСТ 7796-70 Болт М8-6gх40.88.35.019 ГОСТ 7796-70
Загрузка ...
52 80-4607200 Труба
Загрузка ...
53 80-4607190-Б Труба
Загрузка ...
54 НШ32-А-3 Насос шестеренный
Загрузка ...
230 40-4607038-А Шайба
Загрузка ...
Содержащиеся в справочниках-каталогах запасные части и детали не предлагаются к продаже, а носят исключительно информационный характер