Графический каталог запасных частей к технике: РСМ Дон-1500Б. Электрооборудование комбайна

zoom-in zoom-out enlarge shrink circle-right circle-left file-text2 info cart spinner6
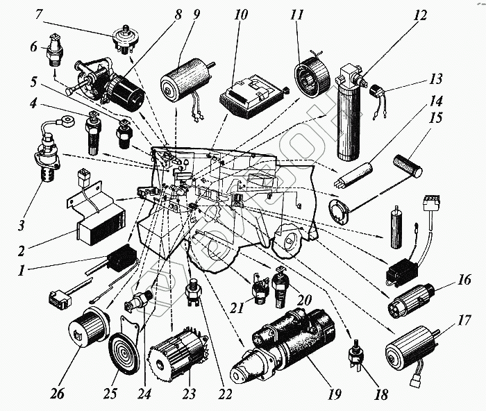
1
2
3
4
5
6
6
7
8
9
10
10
11
12
13
14
15
15
16
17
18
19
19
19
20
21
22
23
23
23
24
25
26
Позиция на иллюстрации Заводской номер детали Название детали Цена
1 БД-1 Блок диодов
Загрузка ...
2 РСМ-10.10.20.010 Панель управления реверсом
Загрузка ...
3 ЭФП 8101500 Электрофакельный подогреватель (для СМД-31А)
Загрузка ...
4 ТМ-100В Датчик указателя температуры
Загрузка ...
5 ТМ111-01 Датчик сигнализатор температуры
Загрузка ...
6 ММ 106Б Датчик сигнализатор аварийного давления масла (для СМД-31А Д-461/51)
Загрузка ...
6 2602.3829010 Датчик сигнализатор аварийного давления масла (для ЯМЗ-238АК)
Загрузка ...
7 132.3839 Датчик сигнализатора воздушного фильтра (для ЯМЗ-238АК Д-461/51)
Загрузка ...
8 СЛ230М-10 Стеклоочиститель электрический
Загрузка ...
9 МЭ226-В Электродвигатель
Загрузка ...
10 11.3714010 Плафон или 0026.1237.14010
Загрузка ...
10 0026.1237.14010 Плафон или 11.3714010
Загрузка ...
11 Муфта компрессора Муфта компрессора
Загрузка ...
12 Ресивер кондиционера Ресивер кондиционера
Загрузка ...
13 Розетка Розетка
Загрузка ...
14 Д013-1 Датчик оборотов
Загрузка ...
15 БМ-144Д Датчик указателя уровня топлива или 56.3827010
Загрузка ...
15 56.3827010 Датчик указателя уровня топлива или БМ-144Д
Загрузка ...
16 ПС300А-150 Вилка
Загрузка ...
17 МЭ237 Электродвигатель отопителя
Загрузка ...
18 ВК415 Выключатель
Загрузка ...
19 56.3708 Стартер (для Д-461/51)
Загрузка ...
19 3212.3708 Стартер
Загрузка ...
19 25.3708-01 Стартер
Загрузка ...
20 ТМ-100В Датчик указателя температуры
Загрузка ...
21 15.3710 Включатель
Загрузка ...
22 ВК12Б Выключатель
Загрузка ...
23 968.3701 Генератор
Загрузка ...
23 967.3701 Генератор (для СМД-31А)
Загрузка ...
23 967.3701-02 Генератор
Загрузка ...
24 ТМ111-12 Датчик-сигнализатор температуры
Загрузка ...
25 С313 Сигнал звуковой
Загрузка ...
26 ММ355 Датчик указателя давления масла
Загрузка ...
Содержащиеся в справочниках-каталогах запасные части и детали не предлагаются к продаже, а носят исключительно информационный характер