Графический каталог запасных частей к технике: РСМ Дон-1500Б. Топливопровод

zoom-in zoom-out enlarge shrink circle-right circle-left file-text2 info cart spinner6
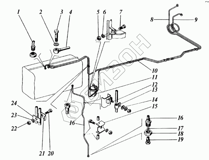
1
2
3
4
5
6
7
8
9
10
11
12
13
14
15
16
16
17
18
19
20
21
22
23
24
Позиция на иллюстрации Заводской номер детали Название детали Цена
1 РСМ-10.05.16.010В Трубка
Загрузка ...
2 54-01162 Прокладка
Загрузка ...
3 65-60390А Болт
Загрузка ...
4 РСМ-10.05.16.070Б Трубка
Загрузка ...
5 М12-6Н.6.019 Гайка
Загрузка ...
6 12Н.65Г.019 Шайба
Загрузка ...
7 М12-6gх35.88.35.019 Болт
Загрузка ...
8 РСМ-10Б.03.02.010 Трубопровод
Загрузка ...
9 РСМ-10Б.03.02.020 Трубопровод
Загрузка ...
10 РСМ-10Б.03.02.030 Трубопровод
Загрузка ...
11 А23.20.000-02 Фильтр топливный грубой очистки ФГ-75
Загрузка ...
12 М8-6gх20.88.35.019 Болт
Загрузка ...
13 54-51452-03 Скоба
Загрузка ...
14 С8х1,4.01.019 Шайба
Загрузка ...
15 РСМ-10.05.16.503А Прижим
Загрузка ...
16 РСМ-10.05.16.080А Трубка
Загрузка ...
17 Б14.288-60 Шарик
Загрузка ...
18 М30х2-6Н.04.019 Гайка
Загрузка ...
19 РСМ-10.05.16.603 Штуцер
Загрузка ...
20 М8-8gх25.88.35.019 Болт
Загрузка ...
21 РСМ-10.05.16.501 Скоба
Загрузка ...
22 М8-6Н.6.019 Гайка
Загрузка ...
23 8Т.65Г.019 Шайба
Загрузка ...
24 РСМ-10.05.16.502 Накладка
Загрузка ...
Содержащиеся в справочниках-каталогах запасные части и детали не предлагаются к продаже, а носят исключительно информационный характер
Сайт использует файлы cookie, обрабатываемые вашим браузером. Подробнее об этом вы можете узнать в Политике cookie.
Принять Настроить Отклонить