Графический каталог запасных частей к технике: РСМ-100 (Дон-680М). Шкив

zoom-in zoom-out enlarge shrink circle-right circle-left file-text2 info cart spinner6
1
2
2
3
3
4
5
6
7
8
9
10
11
12
13
14
15
16
17
18
19
20
21
22
23
24
25
25
26
Позиция на иллюстрации Заводской номер детали Название детали Цена
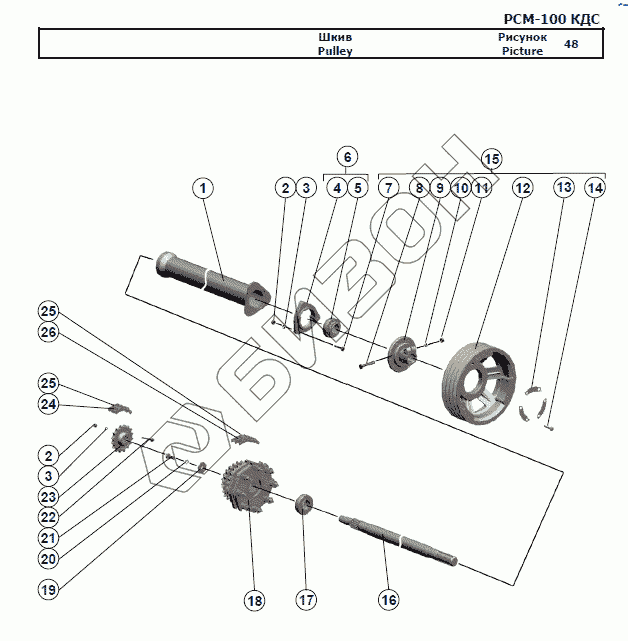
1 РСМ-100.05.04.000А Каркас
Загрузка ...
2 Гайка М10-6H.6.019 Гайка М10-6H.6.019
Загрузка ...
3 Шайба 10Т 65Г 019 Шайба 10Т 65Г 019
Загрузка ...
4 H.027.108A Корпус подшипника
Загрузка ...
5 Подшипник 680210 А2К7С27 Подшипник 680210 А2К7С27
Загрузка ...
6 H.027.01.080 Опора
Загрузка ...
7 Болт М10-6gx45.88.35.019 Болт М10-6gx45.88.35.019
Загрузка ...
8 Болт М12-6gx75.88.35.019 Болт М12-6gx75.88.35.019
Загрузка ...
9 РСМ-100.05.03.970А Ступица
Загрузка ...
10 Шайба 12Т 65Г 019 Шайба 12Т 65Г 019
Загрузка ...
11 Гайка М12-6H.6.019 Гайка М12-6H.6.019
Загрузка ...
12 РСМ-100.05.03.118А Шкиф ф753
Загрузка ...
13 РСМ-100.05.03.476А Шайба
Загрузка ...
14 Болт М12-6gx50.88.35.019 Болт М12-6gx50.88.35.019
Загрузка ...
15 РСМ-100.05.03.920А Шкив
Загрузка ...
16 РСМ-100.05.03.613Б Вал
Загрузка ...
17 Подшипник 680210А2НК7С17 Подшипник 680210А2НК7С17
Загрузка ...
18 РСМ-100.05.03.560Б Муфта предохранительная
Загрузка ...
19 РСМ-100.05.03.614 Шайба
Загрузка ...
20 Шайба 16Т 65Г 019 Шайба 16Т 65Г 019
Загрузка ...
21 Болт М16x1,5-6gx40.88.35.019 Болт М16x1,5-6gx40.88.35.019
Загрузка ...
22 Болт М10-6gx60.88.35.019 Болт М10-6gx60.88.35.019
Загрузка ...
23 РСМ-100.05.03.980 Полумуфта
Загрузка ...
24 Цепь 2ПР-25,4-130 L=381 мм, n=15 зв. Цепь 2ПР-25,4-130 L=381 мм, n=15 зв.
Загрузка ...
25 Звено С-2ПР-25,4-130 Звено С-2ПР-25,4-130
Загрузка ...
26 Цепь 2ПР-25,4-130 , L=1701,8 мм, n=67 зв. Цепь 2ПР-25,4-130 L=1701,8 мм, n=67 зв.
Загрузка ...
Содержащиеся в справочниках-каталогах запасные части и детали не предлагаются к продаже, а носят исключительно информационный характер