ТРУБКИ(Трубопроводы) 764 товара

Диаметр

Бренд

Базовая единица

Назначение

Цена (руб)

У Вас есть вопросы по товару?

Задайте их нашим менеджерам по телефону

8 (800) 222-43-03

Или с помощью формы
обратной связи

Задать вопрос

Добавить в избранное

Код: 181247
Артикул: ППК-81.01.06.002А

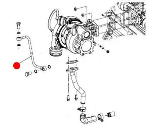
Трубка "Клевер"

У Вас есть вопросы по товару?

Задайте их нашим менеджерам по телефону

8 (800) 222-43-03

Или с помощью формы
обратной связи

Задать вопрос

 

Назначение гидравлических и тормозных трубопроводы, раструбы для сельхозтехники


1. Гидравлические трубы и трубопроводы- передача гидравлической жидкости под высоким давлением для управления гидравлическими системами сельскохозяйственной техники (например, навесными орудиями, гидроприводами).
    Особенности:
  • Изготовлены из прочных материалов, таких как сталь, нержавеющая сталь или армированные гибкие шланги.
  • Оснащены раструбами, фитингами и соединениями для герметичного и надежного соединения.
  • Обеспечивают долгий срок службы и защиту от износа, коррозии и ультрафиолета.

2. Тормозные трубы и трубопроводы- передача тормозного усилия в системе тормозов тракторов, комбайнов, прицепов и другой сельхозтехники.
    Особенности:
  • Часто изготовлены из стальных труб с защитным покрытием или из специальных композитных материалов.
  • Соединяются с помощью раструбов, фитингов и муфт, что обеспечивает герметичность и надежность системы.
  • Отличаются высокой износостойкостью и стойкостью к механическим повреждениям.

3. Раструбы для труб- обеспечивают надежное соединение труб, гидравлических шлангов или фитингов в системах сельхозтехники.
Типы:
  • Фитинговые раструбы для металлических труб.
  • Соединители для гибких шлангов.
  • Адаптеры для соединения труб разного диаметра или типа.
Особенности:
  • Имеют резьбовые, фланцевые или прессованные соединения.
  • Производятся из материалов, устойчивых к гидравлическим жидкостям и воздействию окружающей среды.

Применение трубок, трубопроводов и раструбов в сельхозтехнике по узлам и агрегатам

1. Гидравлические системы, гидравлические приводы и цилиндры:
— Трубки, фитинги и раструбы обеспечивают подачу гидравлического масла к рабочим цилиндрам и механизмы подъема/опускания оборудования (например, ковшей, жаток, выгрузных устройств).
Гидравлические насосы и моторы
— Соединительные трубопроводы и фитинги используют для подачи масла от насосов к исполнительным механизмам.
Гидросистемы управления навесным оборудованием
— Трубопроводы и раструбы соединяют клапаны, распределители и гидравлические цилиндры для точного управления.
2. Тормозные системы, тормозные трубопроводы на тракторах, прицепах и комбайнах
— Трубы, раструбы и фитинги применяются в тормозных линиях для передачи тормозного усилия и обеспечения безопасности при торможении.
Тормозные системы утяжелителей и управляемых прицепов
— Используются для соединения тормозных магистралей и резервуаров

Условия и способы доставки

Закажите надежную продукцию от известных брендов в интернет-магазине «Бизон». В магазине выгодные цены на двигатели  в сборе и комплектующие. Также доставляем товары компаниями «Деловые линии», «Байкал-Сервис», СДЭК. Есть возможность забрать приобретение в пункте самовывоза в вашем городе.


 
Сайт использует файлы cookie, обрабатываемые вашим браузером. Подробнее об этом вы можете узнать в Политике cookie.
Принять Настроить Отклонить