 
              | Позиция на иллюстрации | Заводской номер детали | Название детали | Цена | |
|---|---|---|---|---|
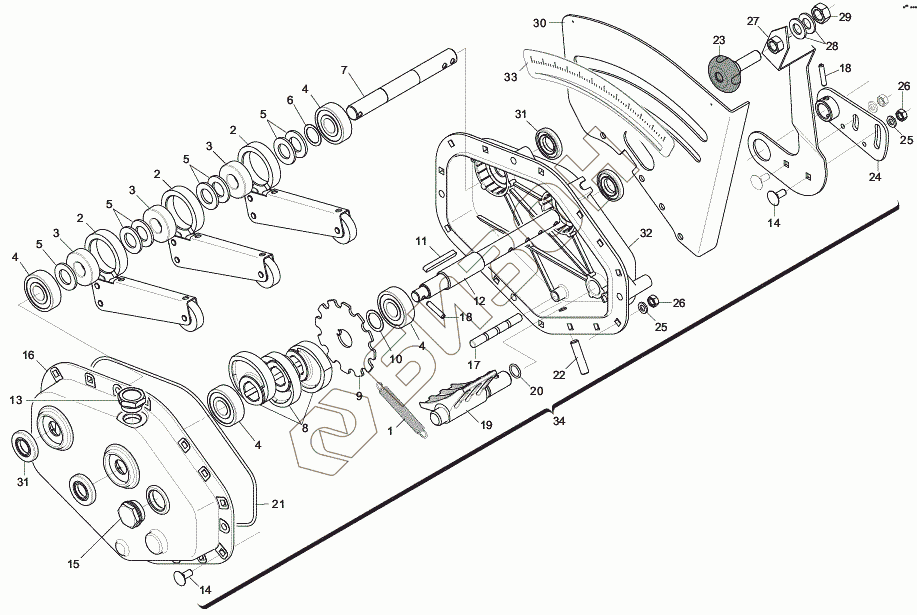
| 1 | G18903290 | TRACTION SPRING- GEARS M | 
                  
                  Загрузка ...
                 | |
| 2 | G07000006 | CONNECTING ROD RIVETING | 
                  
                  Загрузка ...
                 | |
| 3 | F06120065 | FREE WHEEL KK20 | 
                  
                  Загрузка ...
                 | |
| 4 | F04010207 | BEARING d20 D52 B15 6304 Z | 
                  
                  Загрузка ...
                 | |
| 5 | F01410124 | Plane washer | 
                  
                  Загрузка ...
                 | |
| 6 | G20970100 | WASHER 30X0-5X22 ACC. | 
                  
                  Загрузка ...
                 | |
| 7 | G16230530 | ALBERO RUOTA LIBERA C.PLA BON. | 
                  
                  Загрузка ...
                 | |
| 8 | G07000014 | OIL BATH GEARBOX CAM | 
                  
                  Загрузка ...
                 | |
| 9 | G16230520 | RUOTA FONICA | 
                  
                  Загрузка ...
                 | |
| 10 | F01440079 | WASHER D.26,2X34,8X0,5 | 
                  
                  Загрузка ...
                 | |
| 11 | F02150040 | TAB 06X6X55 UNI 6604/A | 
                  
                  Загрузка ...
                 | |
| 12 | G16230540 | ALBERO CAMMES CAMBIO PLA | 
                  
                  Загрузка ...
                 | |
| 13 | F03150706 | TAPPO OLIO 3/4" MODELLO TC/6 | 
                  
                  Загрузка ...
                 | |
| 14 | F01060040 | SCREW M8X1,25X20 U5732 4.6 ZN | 
                  
                  Загрузка ...
                 | |
| 15 | F03150736 | OIL LEVEL PLUG M30X1,5 HFE 22 | 
                  
                  Загрузка ...
                 | |
| 16 | G19005720 | COPERCHIO CAMBIO | 
                  
                  Загрузка ...
                 | |
| 17 | G16230550 | PERNO SUPPORTO MOLLE | 
                  
                  Загрузка ...
                 | |
| 18 | F02100114 | ELASTIC PIN 6X30 | 
                  
                  Загрузка ...
                 | |
| 19 | G16230560 | REGOLATORE CAMBIO | 
                  
                  Загрузка ...
                 | |
| 20 | F03010390 | O-RING 15,08X2,26 NBR | 
                  
                  Загрузка ...
                 | |
| 21 | F03010721 | ANEL. OR 247,24X3,53 NBR | 
                  
                  Загрузка ...
                 | |
| 22 | F01050104 | GRUB--SCREW 10X45 5927 14.9 | 
                  
                  Загрузка ...
                 | |
| 23 | F06220014 | 8-LOBE HANDWHEEL M12X40 LEFT | 
                  
                  Загрузка ...
                 | |
| 24 | G16230590 | ASS.SUPP.LEVA REGOLAZIONE ZN | 
                  
                  Загрузка ...
                 | |
| 25 | F01410051 | WASHER M8 8,4X17X1,6 U6592 ZN | 
                  
                  Загрузка ...
                 | |
| 26 | F01200244 | NUT M8X1,25 U5588 6.8 ZN | 
                  
                  Загрузка ...
                 | |
| 27 | G16230611 | LEVA REGOLAZIONE ZN | 
                  
                  Загрузка ...
                 | |
| 28 | F01410076 | WASHER D12 U6592 ZN | 
                  
                  Загрузка ...
                 | |
| 29 | G16230360 | M12X1,75 LEFT SELF-LOCK NUT | 
                  
                  Загрузка ...
                 | |
| 30 | G16230571 | SUPPORTO REGOLAZIONE ZN | 
                  
                  Загрузка ...
                 | |
| 31 | F03010257 | ANEL. T.AS 20X 42X 7 D3760NBR | 
                  
                  Загрузка ...
                 | |
| 32 | G19005710 | SCATOLA CAMBIO | 
                  
                  Загрузка ...
                 | |
| 33 | G19703421 | DECAL.REGOLAZ.CAMBIO PLA | 
                  
                  Загрузка ...
                 | |
| 34 | G16230511 | SCATOLA CAMBIO SEME PLA COMPL | 
                  
                  Загрузка ...
                 | 
Узнавайте первыми!
о новинках в отрасли, акциях магазина, новостях компании и многом другом!
									Нажимая на кнопку “Подписаться”,
									Вы соглашаетесь с
									условиями обработки персональных данных